Buonasera a tutti, stavo consultando lo schema elettrico di un macchinario che ha diversi trasformatori ed un alimentatore.
Per la precisione:
2 trasformatori 400/230V 800VA
1 trasformatore 400/230 500VA
1 trasformatore 400/48V 500VA
1 alimentatore 400/24 V 20A
Tra tutti questi componenti ci sono solamente i due trasformatori da 400/230V 800VA con il secondario collegato a terra.
Mi potreste spiegare in quali condizioni bisogna collegare l'avvolgimento secondario a terra?
Grazie mille
Secondario del trasformatore a terra, quando?
Moderatori:
sebago,
MASSIMO-G,
lillo,
Mike
15 messaggi
• Pagina 1 di 2 • 1, 2
0
voti
posta una foto dello schema, Magari è a terra la carcassa del trasformatore.
Se colleghi il secondario a terra, una delle due fasi assume il potenziale di terra. So che si usa nei trasformatori con secondario a 24 volt, per dare un riferimento verso terra agli attuatori.
Se colleghi il secondario a terra, una delle due fasi assume il potenziale di terra. So che si usa nei trasformatori con secondario a 24 volt, per dare un riferimento verso terra agli attuatori.
-

albertagort
483 4 5 - Frequentatore

- Messaggi: 276
- Iscritto il: 30 set 2013, 18:34
0
voti
La messa a terra del secondario del trasformatore è una scelta che deve valutare il progettista, se non si mette a terra il circuito al secondario risulta isolato da terra perché il trasformatore isola galvanicamente rispetto al primario.
In generale consiglierei di mettere sempre a terra il secondario a meno che non vi siano esigenze specifiche.
In generale consiglierei di mettere sempre a terra il secondario a meno che non vi siano esigenze specifiche.
4
voti
Di massima ci sono due motivi nell'ambito della CEI EN 60204-1.
Il primo riguarda la protezione dai contatti indiretti laddove le tensioni sono superiori a 50 V. Mettendo un polo del circuito secondario a terra si può realizzare la protezione con interruttori automatici (equivalenza concettuale di un sistema TN-S). La valutazione è comunque a carico del costruttore. Poi l'impiantista effettuerà le considerazioni del caso in funzione dell'ambito dell'installazione
Il secondo motivo, riguarda i circuiti ausiliari di comando. Per prevenire azionamenti intempestivi (non voluti) degli attuatori in caso di doppio guasto a massa
Collegando a massa (il collegamento alla terra dell'impianto non è discriminante) un polo del secondario, lo stesso del comune delle bobine, un primo guasto a massa sul polo caldo determina l'intervento delle protezioni (fusibili o magnetotermico)
In rete puoi trovare gli schemi tipici dei circuiti di guasto
Il primo riguarda la protezione dai contatti indiretti laddove le tensioni sono superiori a 50 V. Mettendo un polo del circuito secondario a terra si può realizzare la protezione con interruttori automatici (equivalenza concettuale di un sistema TN-S). La valutazione è comunque a carico del costruttore. Poi l'impiantista effettuerà le considerazioni del caso in funzione dell'ambito dell'installazione
Il secondo motivo, riguarda i circuiti ausiliari di comando. Per prevenire azionamenti intempestivi (non voluti) degli attuatori in caso di doppio guasto a massa
Collegando a massa (il collegamento alla terra dell'impianto non è discriminante) un polo del secondario, lo stesso del comune delle bobine, un primo guasto a massa sul polo caldo determina l'intervento delle protezioni (fusibili o magnetotermico)
In rete puoi trovare gli schemi tipici dei circuiti di guasto
Ognuno sta solo sul cuor della terra
trafitto da un raggio di sole:
ed è subito sera
Salvatore Quasimodo
trafitto da un raggio di sole:
ed è subito sera
Salvatore Quasimodo
0
voti
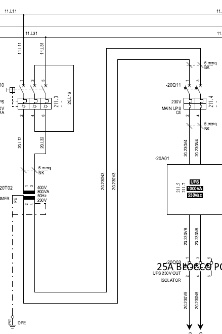
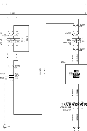
Allego le foto degli schemi..
Ti ringrazio
attilio per la spiegazione, ma non mi è chiara un'altra cosa:
mettendo il secondario a terra posso utilizzare una protezione sul polo opposto a quello collegato a terra senza necessariamente proteggere entrambi i poli?
Per quel poco che ho visto nella mia azienda il secondario è sempre stato collegato a terra, questo schema l'ha fatto un altro progettista e non mi era chiaro il come mai un trasformatore lo collega con il secondario a terra mentre gli altri no.
Ti ringrazio
mettendo il secondario a terra posso utilizzare una protezione sul polo opposto a quello collegato a terra senza necessariamente proteggere entrambi i poli?
Per quel poco che ho visto nella mia azienda il secondario è sempre stato collegato a terra, questo schema l'ha fatto un altro progettista e non mi era chiaro il come mai un trasformatore lo collega con il secondario a terra mentre gli altri no.
1
voti
Puoi mettere una protezione solo sul polo non a terra, vietato invece l'impiego di fusibili bipolari.
lI trasformatore non a terra ha il simbolo del trasformatore di isolamento quindi è un dispositivo in classe 2.
lI trasformatore non a terra ha il simbolo del trasformatore di isolamento quindi è un dispositivo in classe 2.
0
voti
OT
Nel secondo schema proposto, mi sfugge il motivo del polo centrale del magnetotermico cortocircuitato su se stesso.
Nel secondo schema proposto, mi sfugge il motivo del polo centrale del magnetotermico cortocircuitato su se stesso.
Ognuno sta solo sul cuor della terra
trafitto da un raggio di sole:
ed è subito sera
Salvatore Quasimodo
trafitto da un raggio di sole:
ed è subito sera
Salvatore Quasimodo
0
voti
OT
Nel secondo schema proposto, mi sfugge il motivo del polo centrale del magnetotermico cortocircuitato su se stesso.
Hai ragionissima, non ci avevo fatto caso
Puoi mettere una protezione solo sul polo non a terra, vietato invece l'impiego di fusibili bipolari.
lI trasformatore non a terra ha il simbolo del trasformatore di isolamento quindi è un dispositivo in classe 2.
Perfetto, grazie mille
2
voti
Aria ha scritto:Puoi mettere una protezione solo sul polo non a terra, vietato invece l'impiego di fusibili bipolari.
lI trasformatore non a terra ha il simbolo del trasformatore di isolamento quindi è un dispositivo in classe 2.
Non capisco il discorso del trasformatore in classe 2. Non c'entra nulla con il fatto che un polo possa essere messo a terra. E non è vero che sia vietato l'uso di fusibili bipolari. È un po' fuorviante. Anzi nel caso di alimentazione tramite trasformatori con presa centrale messa a terra è obbligo metterlo bipolari
-

arabino1983
568 3 4 8 - Sostenitore

- Messaggi: 2000
- Iscritto il: 30 ott 2009, 18:28
0
voti
- Codice: Seleziona tutto
Non capisco il discorso del trasformatore in classe 2. Non c'entra nulla con il fatto che un polo possa essere messo a terra.
Mi spieghi te che senso ha fare un circuito con componenti in classe 2 e poi mettere a terra
- Codice: Seleziona tutto
non è vero che sia vietato l'uso di fusibili bipolari. È un po' fuorviante. Anzi nel caso di alimentazione tramite trasformatori con presa centrale messa a terra è obbligo metterlo bipolari
Parlavamo di trasformatori standard non con presa centrale, qui non puoi di usare fusibili bipolari perché c'è il rischio di fondere solo quella lato terra con ovvi problemi di sicurezza e di comando.
In ogni caso anche con presa centrale non vanno bene i fusibili bipolari sui punti caldi, rischi di rimanere alimentato a metà tensione.
15 messaggi
• Pagina 1 di 2 • 1, 2
Torna a Impianti, sicurezza e quadristica
Chi c’è in linea
Visitano il forum: Nessuno e 92 ospiti

Elettrotecnica e non solo (admin)
Un gatto tra gli elettroni (IsidoroKZ)
Esperienza e simulazioni (g.schgor)
Moleskine di un idraulico (RenzoDF)
Il Blog di ElectroYou (webmaster)
Idee microcontrollate (TardoFreak)
PICcoli grandi PICMicro (Paolino)
Il blog elettrico di carloc (carloc)
DirtEYblooog (dirtydeeds)
Di tutto... un po' (jordan20)
AK47 (lillo)
Esperienze elettroniche (marco438)
Telecomunicazioni musicali (clavicordo)
Automazione ed Elettronica (gustavo)
Direttive per la sicurezza (ErnestoCappelletti)
EYnfo dall'Alaska (mir)
Apriamo il quadro! (attilio)
H7-25 (asdf)
Passione Elettrica (massimob)
Elettroni a spasso (guidob)
Bloguerra (guerra)


