Sì, il diodo deve esserci altrimenti uccidi il driver PWM.
Problema con relè 12V
Moderatori:
carloc,
g.schgor,
BrunoValente,
IsidoroKZ
0
voti
puoi mettere un NTC in serie se vuoi.
-

PietroBaima
90,7k 7 12 13 - G.Master EY

- Messaggi: 12206
- Iscritto il: 12 ago 2012, 1:20
- Località: Londra
0
voti
marioursino ha scritto:Sì, il diodo deve esserci altrimenti uccidi il driver PWM.
Grazie a tutti per le risposte!
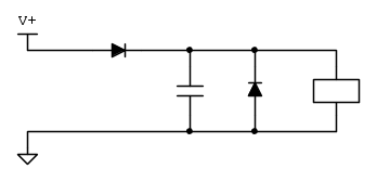
Cercando su internet avevo trovato questo circuito:

L'ho provato e sembra funzionare, vorrei però capire se potrebbe provocare qualche problema al circuito della plafoniera o di altro tipo.
Inoltre ho visto che nel circuito postato da marioursino c'è un diodo in antiparallelo alla bobina...che scopo ha?
PS: la plafoniera oltre che a piacere si accende come luce di cortesia quando apro l'auto e quando sfilo la chiave allo spegnimento.
0
voti
Il diodo in antiparallelo deve sempre esserci perché la bobina è un carico altamente induttivo. Con questo circuito in realtà si crea una piccola risonanza smorzata con la capacità di filtro, ma è sempre bene metterlo.
La corrente di inrush sulla capacità è un problema interessante, sinceramente non l'avevo considerato. Diciamo che dovresti mettere il condensatore più piccolo che ti garantisce il funzionamento.
La corrente di inrush sulla capacità è un problema interessante, sinceramente non l'avevo considerato. Diciamo che dovresti mettere il condensatore più piccolo che ti garantisce il funzionamento.
-

marioursino
5.687 3 9 13 - G.Master EY

- Messaggi: 1598
- Iscritto il: 5 dic 2009, 4:32
0
voti
Sammuele ha scritto:però l'ntc ha bisogno di raffreddarsi, non potrebbe avere problemi ?
quelle plafoniere le accendono e spengono a piacere :)
va progettato ovviamente
-

PietroBaima
90,7k 7 12 13 - G.Master EY

- Messaggi: 12206
- Iscritto il: 12 ago 2012, 1:20
- Località: Londra
0
voti
marioursino ha scritto:Il diodo in antiparallelo deve sempre esserci perché la bobina è un carico altamente induttivo. Con questo circuito in realtà si crea una piccola risonanza smorzata con la capacità di filtro, ma è sempre bene metterlo.
La corrente di inrush sulla capacità è un problema interessante, sinceramente non l'avevo considerato. Diciamo che dovresti mettere il condensatore più piccolo che ti garantisce il funzionamento.
Quindi pensi che quel circuito che ho provato io non vada bene? Perché provandolo in auto sembra funzionare correttamente.
Eventualmente lo dovrei modificare semplicemente aggiungendo il diodo in antiparallelo? Un diodo qualsiasi?
Grazie mille per le risposte!
0
voti
DaMMaN ha scritto: ...Eventualmente lo dovrei modificare semplicemente aggiungendo il diodo in antiparallelo? Un diodo qualsiasi?...
il diodo raddrizzatore non può in alcun modo bloccare l'extratensione del relè proprio perché di polarità inversa; quindi mettilo il diodo in antiparallelo alla bobina e prova anche a ridurre il valore di capacità del condensatore p. es. prova con 220 uF e anche con 100 uF e se il relè funziona ancora correttamente lasciaci il condensatore di capacità minore in modo da ridurre la corrente di inrush."Non farei mai parte di un club che accettasse la mia iscrizione" (G. Marx)
-

claudiocedrone
21,3k 4 7 9 - Master EY

- Messaggi: 15302
- Iscritto il: 18 gen 2012, 13:36
0
voti
Salve, io utilizzo un Congelatore a pozzetto per surgelati marca Aht Paris senza relè che funziona ad inverter ed è a basso consumo energetico con vetri curvi e le luci interne, vorrei applicare un relè per accendere le luci in modo alternato, utilizzo questa quarantena per poter effettuare delle modifiche al mio congelatore.Vi farò sapere.
Chi c’è in linea
Visitano il forum: Nessuno e 153 ospiti

Elettrotecnica e non solo (admin)
Un gatto tra gli elettroni (IsidoroKZ)
Esperienza e simulazioni (g.schgor)
Moleskine di un idraulico (RenzoDF)
Il Blog di ElectroYou (webmaster)
Idee microcontrollate (TardoFreak)
PICcoli grandi PICMicro (Paolino)
Il blog elettrico di carloc (carloc)
DirtEYblooog (dirtydeeds)
Di tutto... un po' (jordan20)
AK47 (lillo)
Esperienze elettroniche (marco438)
Telecomunicazioni musicali (clavicordo)
Automazione ed Elettronica (gustavo)
Direttive per la sicurezza (ErnestoCappelletti)
EYnfo dall'Alaska (mir)
Apriamo il quadro! (attilio)
H7-25 (asdf)
Passione Elettrica (massimob)
Elettroni a spasso (guidob)
Bloguerra (guerra)


pigreco]=π
