Ciao a tutti, vi espongo la mia situazione.
Ho 3 ledRGB da mettere in serie, alimentati a 15v dc (nati da un alimentatore a 12v e alzati a 15 tramite Step-Up per poter mettere in serie i 3 led, con 12 volt non ce la facevo).
Sono LED SMD da 1W EDISON EDERTB-1EC1 con le seguenti tensioni di polarizzazione:
Colore rosso: 2,4V - 20lm
Colore verde: 3,6V - 30lm
Colore blu: 3,4V - 7lm
Massima corrente continua per ogni colore 350mA, di picco 500mA. Io vorrei farli lavorare tranquilli a 280mA.
Avendo l' alimentazione da 15 volt, per ottenere 280mA per ogni colore ho due scelte:
1) calcolare il valore di ogni resistenza-in-serie considerando le tensioni di polarizzazione, ma esce male anche perché le R hanno una tolleranza e il LED all aumentare della temperatura può modificare la tensione ai suoi capi, che moltiplicato per 3 (sono 3 in serie) genera una variazione di corrente notevole a parità di resistenza!
2) su ogni colore mettere un regolatore di corrente impostato a 280mA, in modo da imporre la corrente su ogni ramo (colore), il punto 2 mi sembra più professional anche per tutelare la vita dei LED.
In giro ho visto diversi schemi dell LM-317 come regolatore di corrente ma non ci ho capito gran che. E' chiaro che ha una tensione di Dropout di 3v, ma non ho capito null' altro, anche perché ho trovato diversi circuiti totalmente differenti tra di loro.
Vorrei qualche aiuto pratico su come calcolare la corrente d' uscita, poi sapendo calcolarla posso anche decidere di mettere 4 led in serie e alzare la tensione d ingresso da 15 a 18 dato che ho uno StepUp, insomma se so fare i calcoli saprò anche calcolare la soluzione che fa più al caso mio.
Grazie a tutti e.......buona quarantena!!
Regolatore di corrente con LM317
Moderatori:
carloc,
g.schgor,
BrunoValente,
IsidoroKZ
31 messaggi
• Pagina 1 di 4 • 1, 2, 3, 4
1
voti
In questo datasheet alla figura 14 la formula per calcolare la corrente è data da 1,2/R. Quindi se vuoi 280mA devi mettere una resistenza da 4,3 Ohm. Con 2 resistenze da 2,2 Ohm 1/2W in serie la corrente è circa 270mA.
Ciao,
P.
Ciao,
P.
0
voti
konig87 ha scritto:2) su ogni colore mettere un regolatore di corrente impostato a 280mA, in modo da imporre la corrente su ogni ramo (colore), il punto 2 mi sembra più professional anche per tutelare la vita dei LED.
Non ho capito se vuoi fare questo
o quest'altro
Il primo circuito non funziona.
Il secondo funziona e funziona anche con 12V, non ti serve lo step-up, ma non è una gran bella soluzione.
Il primo circuito funzionerebbe se tu usassi un singolo LM317 (è indifferente quale dei tre che ho disegnato).
Qui sì che ti servono i 15V.
Il mio consiglio è di usare un femtobuck. Costa poco (8 dollari su DigiKey) ed è uno switcher: non scalda come una stufetta e dovrebbe funzionare anche nella configurazione con i LED in serie a 12 V.
È pre-configurato per la lavorare a 350 mA, ma ridurre la corrente è semplice, basta sostituire un resistore.
Boiler
0
voti
boiler ha scritto:
Non ho capito se vuoi fare questo
Boiler
lm317 dev'essere un typo ed erano resistenze.
Se alimentatore ce la fa, Io i 3 led li metterei in parallelo, cosi mantieni i 12V senza alzarli a 15, se si guasta uno gli altri due vanno. "Valim(12) - Vtipica del led / corrente di funzionamento" e hai la resistenza da mettere in serie su ogni led.
-

hyroio
106 1 4 - CRU - Account cancellato su Richiesta utente
- Messaggi: 137
- Iscritto il: 17 mar 2020, 13:06
0
voti
Grazie per la risposta. Secondo schema.
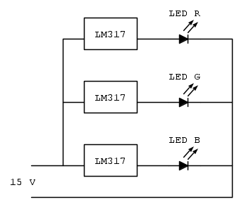
Non posso mettere led dello stesso colore in parallelo con LM317 perché i led in parallelo essendo componenti reali e non ideali, succede che uno assorbirà più corrente dell' altro, rischiando di bruciarsi. Per ogni colore metterò 1 LM317. ed eventuali led dello stesso colore, in serie tra di loro, tutti "sotto" l' LM317 (vedi figura 2, immagina però più led su ogni ramo).
In sostanza con Arduino sto facendo un gradiente di colore RGB sfruttando PWM, su ogni colore Arduino usa 1 pin diverso e "chiude" un MOSFET NPN per accendere il singolo colore (quindi 3 mosfet).
OPPURE, potrei usare a vostro avviso un BJT pilotato dalla uscita di arduino per limitare il passaggio della corrente sul Collettore? come dire, invece di mettere il mosfet come interruttore e il LM317 come limitatore, fare tutto in uno? Tengo a precisare che lavoro in PWM
Non posso mettere led dello stesso colore in parallelo con LM317 perché i led in parallelo essendo componenti reali e non ideali, succede che uno assorbirà più corrente dell' altro, rischiando di bruciarsi. Per ogni colore metterò 1 LM317. ed eventuali led dello stesso colore, in serie tra di loro, tutti "sotto" l' LM317 (vedi figura 2, immagina però più led su ogni ramo).
In sostanza con Arduino sto facendo un gradiente di colore RGB sfruttando PWM, su ogni colore Arduino usa 1 pin diverso e "chiude" un MOSFET NPN per accendere il singolo colore (quindi 3 mosfet).
OPPURE, potrei usare a vostro avviso un BJT pilotato dalla uscita di arduino per limitare il passaggio della corrente sul Collettore? come dire, invece di mettere il mosfet come interruttore e il LM317 come limitatore, fare tutto in uno? Tengo a precisare che lavoro in PWM
0
voti
konig87 ha scritto:(vedi figura 2, immagina però più led su ogni ramo).
OK, non avevo capito che erano piú LED per colore.
In sostanza con Arduino sto facendo un gradiente di colore RGB sfruttando PWM, su ogni colore Arduino usa 1 pin diverso e "chiude" un MOSFET NPN per accendere il singolo colore (quindi 3 mosfet).
Si può fare, ma guardati il femtobuck, ha anche un ingresso PWM che potresti pilotare direttamente con Arduino.
come dire, invece di mettere il mosfet come interruttore e il LM317 come limitatore, fare tutto in uno?
Sì, si può fare, ma devi aggiungerci una retroazione e un'induttanza che "livelli" la corrente attraverso il diodo. Insomma, un buck in current-mode. Il femtobuck è esattamente un buck in current-mode.
Oppure "spari" senza regolazione di corrente, tenedo però i LED nella loro safe operation area agendo sul duty e sulla frequenza di lavoro (non so se il datasheet dice qualcosa a riguardo).
In un caso o nell'altro:
0
voti
ok. comunque in attesa che arrivi il femtobuck provo per divertimento a fare LM317 per limitare la corrente + mosfet di potenza ir840 per interruttore (on-off) per PWM. occupo più spazio fisico sulla basetta ma forse è meglio così.
Ho dato un' occhiata ai BJT, hFe troppo alte o meglio, il grafico sale vertiginosamente (esponenziale) quindi mi bastano poche mA in più sulla Base per avere una Ic sul collettore troppo alta che friggerebbe il led (o i led) sul ramo. Non so se rendo l' idea. con un BJT atto a limitare la corrente verrebbe abbastanza imprecisa la regolazione.
Ho dato un' occhiata ai BJT, hFe troppo alte o meglio, il grafico sale vertiginosamente (esponenziale) quindi mi bastano poche mA in più sulla Base per avere una Ic sul collettore troppo alta che friggerebbe il led (o i led) sul ramo. Non so se rendo l' idea. con un BJT atto a limitare la corrente verrebbe abbastanza imprecisa la regolazione.
1
voti
konig87 ha scritto:ma forse è meglio così.
Sicuramente no, ma se vuoi provare non ci sono controindicazioni
Ho dato un' occhiata ai BJT, hFe troppo alte o meglio
Se non sbaglio era qualcuno in questo forum che nella firma aveva qualcosa tipo "se la hfe fa parte dei valori che influenzano il comportamento del circuito, allora il circuito è sbagliato" (un po' piú elegante... sto andando a memoria).
Non so se rendo l' idea. con un BJT atto a limitare la corrente verrebbe abbastanza imprecisa la regolazione.
È per questo motivo che ho scritto che ti serve una controreazione.
Boiler
0
voti
boh, non capisco cosa ci sia che ti "turba" nei led in parallelo, tre quarti delle strisce al mondo hanno settori magari da 3 o piu led in serie, ma in parallelo tra loro. Alla fine se vuoi usare un regolatore lineare come lm317, basta sceglierne uno che non dia piu di tanta corrente, cosi da limitare gia all sorgente.
-

hyroio
106 1 4 - CRU - Account cancellato su Richiesta utente
- Messaggi: 137
- Iscritto il: 17 mar 2020, 13:06
0
voti
heisenbug ha scritto:boh, non capisco cosa ci sia che ti "turba" nei led in parallelo, tre quarti delle strisce al mondo hanno settori magari da 3 o piu led in serie, ma in parallelo tra loro. Alla fine se vuoi usare un regolatore lineare come lm317, basta sceglierne uno che non dia piu di tanta corrente, cosi da limitare gia all sorgente.
Dunque. mettiamo il caso che ho 1 resistenza limitatrice di corrente (o al suo posto un LM317 opportunamente tarato, diciamo). In uscita ho 3 rami in parallelo tra di loro, con 2 led per ogni ramo, tutti dello stesso colore, stesso led, stessa marca e modello. identici. Come nello schema sottostante.
Dato che ogni ramo pur essendo "uguale" tenderà (per posizionamento, o per sfiga, o per composizione del materiale stesso) ad assorbire qualche mA in più di un altro ramo, presto si avrà uno sbilanciamento di corrente a vantaggio di un ramo e svantaggio di un altro. Se ipoteticamente ogni ramo assorbe 100mA, la resistenza sarà calcolata per erogare 300mA, ma quando si sbilanceranno i rami del circuito, un ramo avrà ad esempio 130mA, l' altro 70mA, l altro 100mA. Quindi quello con 130 tenderà a surriscaldarsi prima o a bruciare i led del ramo per sovra-corrente.
Le strisce di led cui ti riferisci tu hanno tutte 1 resistenza per ogni parallelo creato, in modo che ogni parallelo abbia i suoi led interni collegati in serie tra di loro.
Per fare come dici tu dovrei mettere 1 resistenza per ogni ramo, a quel punto chiaramente funziona tutto. io vorrei limitare la corrente usando LM317 proprio per evitare di mettere resistenze
31 messaggi
• Pagina 1 di 4 • 1, 2, 3, 4
Chi c’è in linea
Visitano il forum: Nessuno e 51 ospiti

Elettrotecnica e non solo (admin)
Un gatto tra gli elettroni (IsidoroKZ)
Esperienza e simulazioni (g.schgor)
Moleskine di un idraulico (RenzoDF)
Il Blog di ElectroYou (webmaster)
Idee microcontrollate (TardoFreak)
PICcoli grandi PICMicro (Paolino)
Il blog elettrico di carloc (carloc)
DirtEYblooog (dirtydeeds)
Di tutto... un po' (jordan20)
AK47 (lillo)
Esperienze elettroniche (marco438)
Telecomunicazioni musicali (clavicordo)
Automazione ed Elettronica (gustavo)
Direttive per la sicurezza (ErnestoCappelletti)
EYnfo dall'Alaska (mir)
Apriamo il quadro! (attilio)
H7-25 (asdf)
Passione Elettrica (massimob)
Elettroni a spasso (guidob)
Bloguerra (guerra)







