Ho pensato a questo schema con il LM317
Ma ho un dubbio: Come si comporterà lo LM317 con un carico che si accende e spegne alla frequenza del PWM di Arduino (che comunque o è circa 500 Hz o 1000 Hz a seconda dei pin scelti)?
Poi Occorre un mosfet logical level. Quello indicato ha una Vgson che sembra andar bene (max 4V), ma conviene provare per vedere se satura bene.
Ciao,
P.
Regolatore di corrente con LM317
Moderatori:
carloc,
g.schgor,
BrunoValente,
IsidoroKZ
31 messaggi
• Pagina 2 di 4 • 1, 2, 3, 4
0
voti
konig87 ha scritto:Dunque. mettiamo il caso che ho 1 resistenza limitatrice di corrente (o al suo posto un LM317 opportunamente tarato, diciamo). In uscita ho 3 rami in parallelo tra di loro, con 2 led per ogni ramo, tutti dello stesso colore, stesso led, stessa marca e modello. identici. Come nello schema sottostante.
Ma non si mettono mai led in parallelo cosi. Va messa uan resistenza su ogni ramo, totale 3 resitenze.
-

hyroio
106 1 4 - CRU - Account cancellato su Richiesta utente
- Messaggi: 137
- Iscritto il: 17 mar 2020, 13:06
2
voti
pgiagno ha scritto:Ma ho un dubbio: Come si comporterà lo LM317 con un carico che si accende e spegne alla frequenza del PWM di Arduino (che comunque o è circa 500 Hz o 1000 Hz a seconda dei pin scelti)?
Non dovrebbero esserci problemi, guarda nel datasheet la Load Transient Response.
Nel tuo schema c'è un errore: la Vadj dell'LM317 (1.25 V) in questa configurazione è in serie, quindi va considerata nella tensione totale.
Boiler
3
voti
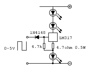
Potresti provare così:
dovrebbe funzionare senza mosfet: il primo led in basso fa da zener da 2.5-3.6V perciò quando l'onda quadra di ingresso va a 0V l'LM317 dovrebbe spegnersi.
A quelle frequenze l'LM317 dovrebbe riuscire a commutare.
dovrebbe funzionare senza mosfet: il primo led in basso fa da zener da 2.5-3.6V perciò quando l'onda quadra di ingresso va a 0V l'LM317 dovrebbe spegnersi.
A quelle frequenze l'LM317 dovrebbe riuscire a commutare.
-

BrunoValente
39,6k 7 11 13 - G.Master EY

- Messaggi: 7796
- Iscritto il: 8 mag 2007, 14:48
0
voti
boiler ha scritto:Nel tuo schema c'è un errore: la Vadj dell'LM317 (1.25 V) in questa configurazione è in serie, quindi va considerata nella tensione totale.
Boiler
Grazie! Si impara sempre qualcosa. Quindi V = Vled x Nled + 4,25.
Ciao,
P.
0
voti
heisenbug ha scritto:konig87 ha scritto:Dunque. mettiamo il caso che ho 1 resistenza limitatrice di corrente (o al suo posto un LM317 opportunamente tarato, diciamo). In uscita ho 3 rami in parallelo tra di loro, con 2 led per ogni ramo, tutti dello stesso colore, stesso led, stessa marca e modello. identici. Come nello schema sottostante.
Ma non si mettono mai led in parallelo cosi. Va messa uan resistenza su ogni ramo, totale 3 resitenze.
ok, con 1 resistenza su ogni ramo siamo d'accordo
0
voti
Non dovrebbero esserci problemi, guarda nel datasheet la Load Transient Response.
Nel tuo schema c'è un errore: la Vadj dell'LM317 (1.25 V) in questa configurazione è in serie, quindi va considerata nella tensione totale.
Boiler
Non l ho capita, dato che non ho mai usato LM317 fino ad oggi... Vadj = 1.25 e fin qua ci siamo, poi?
0
voti
BrunoValente ha scritto:Potresti provare così:
dovrebbe funzionare senza mosfet: il primo led in basso fa da zener da 2.5-3.6V perciò quando l'onda quadra di ingresso va a 0V l'LM317 dovrebbe spegnersi.
A quelle frequenze l'LM317 dovrebbe riuscire a commutare.
Qua non ce la faccio proprio. come mai 1 R da 4.7 kohm e l altra da 4.7ohm? i piedini sarebbero in alto input, di lato adj e di sotto output?
Quando mi arriva il materiale provo tutto e vi faccio sapere. a che serve il diodo rivolto verso l' uscita di arduino? non rischia che della corrente fluisca attraverso il pin di arduino quando esso è a zero logico, bruciandolo se supera 40mA di picco?
0
voti
pgiagno ha scritto:Ma ho un dubbio: Come si comporterà lo LM317 con un carico che si accende e spegne alla frequenza del PWM di Arduino (che comunque o è circa 500 Hz o 1000 Hz a seconda dei pin scelti)?
Poi Occorre un mosfet logical level. Quello indicato ha una Vgson che sembra andar bene (max 4V), ma conviene provare per vedere se satura bene.
Ciao,
P.
io uso come mosfet IRF840 o IRF540, tutti mosfet che a 5volt sul Vgs conducono tranquillamente 2-3amp, io sono a quota 0,6 su ogni ramo (e va un mosfet su ogni ramo) quindi ci siamo. gia sperimentato. Ho sperimentato tutto tranne che lm317 . Gioco con arduino da anni e quindi sebbene hobbista, ho una certa pratica.

1
voti
konig87 ha scritto:
come mai 1 R da 4.7 kohm e l altra da 4.7ohm?
Il resistore da 4.7ohm serve al regolatore per limitare la corrente ai valori che ti servono, quello da 4.7k non è attraversato dalla corrente dei led, bensì è messo in serie al piedino adj e, siccome la corrente che scorre in quel piedino è piccola, la tensione che in condizioni normali ci cade sopra è pure piccola... in effetti ora che mi ci stai facendo mettere il naso mi sto accorgendo che nel peggiore dei casi (IAdj=100uA) è di circa 0.5V, quindi non proprio piccola e sarebbe meglio ridurre il valore della R da 4.7k a 1k.
Quel resistore e il diodo 1N4007 montati in quel modo danno la possibilità dall'esterno di poter estrarre una corrente dal diodo e dal resistore e quindi di far cadere sul resistore una tensione inversa che si somma (quindi si sottrae) agli 1.2V di riferimento.
Quando il valore della tensione di provenienza da arduino è di +5V il diodo è interdetto perché la tensione del catodo è a +5V mentre quella sul piedino Adj è al massimo di circa +3.7V (questo nel caso peggiore cioè con i led verdi), quindi il circuito dei led è isolato da arduino ed è identico a quello originale, solo che uno dei tre led si trova sotto anziché sopra ma questo non comporta alcuna differenza perché tutti gli elementi, compreso l'LM317, sono collegati in serie.
Quando il valore della tensione proveniente da arduino scende a 0V il diodo conduce e il valore della tensione al suo anodo (quindi anche quello della tensione sul piedino adj) si porta a +0.6V.
In questa nuova condizione inizia a scorrere una corrente nel resistore da 4.7k (ora da 1k) verso arduino, quindi sul resistore cade una tensione che si sottrae a quella di riferimento dell'LM317 che si spegne.
Lo spegnimento dell'LM317 avviene con una caduta di 1.2V sul resistore da 4.7k (ora 1k), quindi con una caduta di 1.2+0.6 = 1.8V ai capi del led, che è insufficiente ad accenderlo.
Se il led in basso è spento vuol dire che nessuna corrente lo attraversa e siccome i tre led e l'LM317 sono collegati in serie e peciò sono percorsi dalla stessa corrente, vuol dire che tutti i led sono spenti.
konig87 ha scritto:
i piedini sarebbero in alto input, di lato adj e di sotto output?
Yes
konig87 ha scritto:
a che serve il diodo rivolto verso l' uscita di arduino? non rischia che della corrente fluisca attraverso il pin di arduino quando esso è a zero logico, bruciandolo se supera 40mA di picco?
Per quanto riguarda i possibili danni ad arduino: quando la tensione sulla sua uscita di comando è di 5V il diodo è interdetto, quindi nessuna corrente scorre nel suo piedino di uscita, quando invece il valore della tensione di uscita è 0V, allora scorre una corrente di 1.2/1000 = 1.2mA entrante nel suo piedino di uscita... come vedi nessuna esplosione
Credo non occorra puntualizzare che, se fai le cose in modo tale da rompere l'LM317, potrebbe capitare che internamente si interrompa tra ingresso e uscita e che vada in cortocircuito tra ingresso e Adj, quindi che la tensione di alimentazione del circuito dei led finisca in parallelo all'uscita di arduino.. allora si che sentiresti un bel botto
-

BrunoValente
39,6k 7 11 13 - G.Master EY

- Messaggi: 7796
- Iscritto il: 8 mag 2007, 14:48
31 messaggi
• Pagina 2 di 4 • 1, 2, 3, 4
Chi c’è in linea
Visitano il forum: Nessuno e 78 ospiti

Elettrotecnica e non solo (admin)
Un gatto tra gli elettroni (IsidoroKZ)
Esperienza e simulazioni (g.schgor)
Moleskine di un idraulico (RenzoDF)
Il Blog di ElectroYou (webmaster)
Idee microcontrollate (TardoFreak)
PICcoli grandi PICMicro (Paolino)
Il blog elettrico di carloc (carloc)
DirtEYblooog (dirtydeeds)
Di tutto... un po' (jordan20)
AK47 (lillo)
Esperienze elettroniche (marco438)
Telecomunicazioni musicali (clavicordo)
Automazione ed Elettronica (gustavo)
Direttive per la sicurezza (ErnestoCappelletti)
EYnfo dall'Alaska (mir)
Apriamo il quadro! (attilio)
H7-25 (asdf)
Passione Elettrica (massimob)
Elettroni a spasso (guidob)
Bloguerra (guerra)





