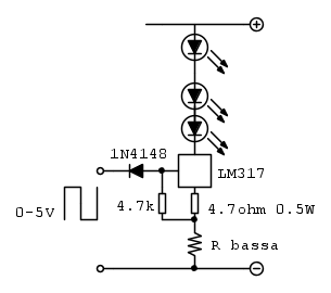
Qualche altra domanda: la R da 4.7ohm nasce dalla formula R=1.2 / I ?
Visto che lo schema è semplificabile come quello sopra indicato, là la R era 2.2+2.2ohm.. da quel calcolo nasce 4.7ohm, giusto? Se volessi mettere 2 led invece di 3 in serie, il calcolo sarebbe sempre dato dalla formula R=1.2 / I o devo tenere conto della R da 4.7kohm su ADJ?
Inoltre, temo che
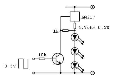
Lo spegnimento dell'LM317 avviene con una caduta di 1.2V sul resistore da 4.7k (ora 1k), quindi con una caduta di 1.2+0.6 = 1.8V ai capi del led, che è insufficiente ad accenderlo.
con 1,8V ai capi del led esso si accenderà poco poco. in tal caso come potrei spegnerlo? non posso mettere una R bassissima sulla parte bassa del ramo, così eventuale tensione di 1,8V non mi accende nulla? dico una str*nzata:

Elettrotecnica e non solo (admin)
Un gatto tra gli elettroni (IsidoroKZ)
Esperienza e simulazioni (g.schgor)
Moleskine di un idraulico (RenzoDF)
Il Blog di ElectroYou (webmaster)
Idee microcontrollate (TardoFreak)
PICcoli grandi PICMicro (Paolino)
Il blog elettrico di carloc (carloc)
DirtEYblooog (dirtydeeds)
Di tutto... un po' (jordan20)
AK47 (lillo)
Esperienze elettroniche (marco438)
Telecomunicazioni musicali (clavicordo)
Automazione ed Elettronica (gustavo)
Direttive per la sicurezza (ErnestoCappelletti)
EYnfo dall'Alaska (mir)
Apriamo il quadro! (attilio)
H7-25 (asdf)
Passione Elettrica (massimob)
Elettroni a spasso (guidob)
Bloguerra (guerra)





D

