Sostituire Valvola ELL80 con QQE03/12 - E' Fattibile ?
Moderatori:
carloc,
g.schgor,
BrunoValente,
IsidoroKZ
41 messaggi
• Pagina 2 di 5 • 1, 2, 3, 4, 5
1
voti
basta collegarle al CT del TU con una resistenza
1
voti
Ma la QQE03/12 mi pare sia un doppio tetrodo, non un doppio pentodo e inoltre mi pare serva ad amplificare in potenza segnali ad alta frequenza, negli anni '70 mi è capitato di vederla utilizzata come finale in qualche trasmettitore per 144MHz, non l'ho mai vista utilizzata in bassa frequenza.
-

BrunoValente
39,6k 7 11 13 - G.Master EY

- Messaggi: 7796
- Iscritto il: 8 mag 2007, 14:48
0
voti
Come finale di bassa potenza l'ho vista utilizzare, come Phase Inverter no e da discussioni fatte con amici se ne era uscito che non la si può usare come sfasatrice
come finale invece, ecco uno schemino realizzato da un amico australiano
@
frank622
Non ne sono sicuro, e vorrei da te conferma, quando dici di aver sostituito una ELL80 con una QQE03/12 intendi come valvola finale o come Sfasatrice ? (presumo come finale) - (il thread verteva sulla possibilità di usare la QQE03/12 come sfasatrice, anche se, effettivamente, la cosa non si evince dal titolo ma solo leggendo i vari post)
K
come finale invece, ecco uno schemino realizzato da un amico australiano
@
Non ne sono sicuro, e vorrei da te conferma, quando dici di aver sostituito una ELL80 con una QQE03/12 intendi come valvola finale o come Sfasatrice ? (presumo come finale) - (il thread verteva sulla possibilità di usare la QQE03/12 come sfasatrice, anche se, effettivamente, la cosa non si evince dal titolo ma solo leggendo i vari post)
K
-

Kagliostro
6.396 4 5 7 - Master

- Messaggi: 4831
- Iscritto il: 19 set 2012, 11:32
0
voti
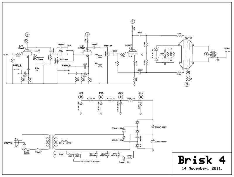
si, come finale, come sfasatrice sarebbe da provare, ci sono diversi esempi di amplificatori HiEnd che usano la QQE03, ce ne uno con 4 in parallelo (40W) per canale che costa €3000. Io l'ho usata su un Grundig NF1 che montava l' ELL80. Suono eccellente.
0
voti
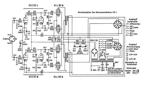
qua lo schema del Grundig sul quale ho solo modificato lo zoccolo e utilizzato una resistenza di catodo per ogni canale anziché una sola come da schema. Comunque guardando lo schema del Davoli non c'è nessuna ragione per cui utilizzare una ELL80 per pilotare le EL504, si poteva utilizzare benissimo un semplice doppio triodo. Cose da Davoli.
http://www.tube-classics.de/TC/GermanTubeHifi/Poweramps/Grundig%20NF1/NF1.htm
http://www.tube-classics.de/TC/GermanTubeHifi/Poweramps/Grundig%20NF1/NF1.htm
0
voti
allego lo schema in caso che non si veda
0
voti
Molte Grazie
frank622
In effetti è una questione sulla quale si è discusso molto, tant'è che in certi schemi la Davoli per pilotare le EL500 usava una ECC82
Un amico, anni fa, provò ad usare una ECC82 al posto di una ELL80, ma il finale risultò un po' fiacco, fino a che non usò al suo posto una 6CG7, con l'uso della quale ebbe anche un miglioramento di prestazioni, ma forse la ELL80 era un po' troppo sottotono per poter fare confronti, in ogni caso il finale erogava nuovamente una buona potenza (circa una settantina di W e questo con la 6CG7 come sfasatrice)
Stà di fatto che sia le ELL80 che le 6CG7 risultano attualmente essere scarse e quindi sopravvalutate a livello di prezzo, per questo, discutendone con un amico, ad un certo punto se ne uscì l'idea di vedere se la QQE03/12 (GU-17) potesse essere usata al posto della ELL80, cosa che dopo un po' di discussione e considerazioni, sembrò non attuabile
Come mi pare di aver detto in un post precedente, ci sono alternative, come usare 2 EL95 al posto di una singola ELL80 (in pratica dentro una ELL80 ci sono due EL95, vedere i datasheet), un altro sistema che mi era venuto in mente, visto che di ECC81 ne ho diverse, era di usarne due in parallelo o di usare una sola valvola octal, una 6SN7 che dovrebbe avere caratteristiche adatte a sostituire le 6CG7
Franco
.... non c'è nessuna ragione per cui utilizzare una ELL80 per pilotare le EL504
In effetti è una questione sulla quale si è discusso molto, tant'è che in certi schemi la Davoli per pilotare le EL500 usava una ECC82
Un amico, anni fa, provò ad usare una ECC82 al posto di una ELL80, ma il finale risultò un po' fiacco, fino a che non usò al suo posto una 6CG7, con l'uso della quale ebbe anche un miglioramento di prestazioni, ma forse la ELL80 era un po' troppo sottotono per poter fare confronti, in ogni caso il finale erogava nuovamente una buona potenza (circa una settantina di W e questo con la 6CG7 come sfasatrice)
Stà di fatto che sia le ELL80 che le 6CG7 risultano attualmente essere scarse e quindi sopravvalutate a livello di prezzo, per questo, discutendone con un amico, ad un certo punto se ne uscì l'idea di vedere se la QQE03/12 (GU-17) potesse essere usata al posto della ELL80, cosa che dopo un po' di discussione e considerazioni, sembrò non attuabile
Come mi pare di aver detto in un post precedente, ci sono alternative, come usare 2 EL95 al posto di una singola ELL80 (in pratica dentro una ELL80 ci sono due EL95, vedere i datasheet), un altro sistema che mi era venuto in mente, visto che di ECC81 ne ho diverse, era di usarne due in parallelo o di usare una sola valvola octal, una 6SN7 che dovrebbe avere caratteristiche adatte a sostituire le 6CG7
Franco
-

Kagliostro
6.396 4 5 7 - Master

- Messaggi: 4831
- Iscritto il: 19 set 2012, 11:32
1
voti
visto che di ECC81 ne ho diverse, era di usarne due in parallelo o di usare una sola valvola octal, una 6SN7 che dovrebbe avere caratteristiche adatte a sostituire le 6CG7
La ECC82/12AU7 tutto vetro noval è stata progettata per sostituire la 6SN7 zoccolo octal.
Ha un "mu" di 19,5 "ri"=6250 ohm e le stesse caratteristiche elettriche di guadagno e tensioni di lavoro.
Si la 6CG7 è un doppio triodo con lo stasso "mu" = 20 e "ri" = 6700 ohm,non ho verificato la piedinatura.
La ECC81 è stata progettata come oscillatore, convertitore, amplificatore ad alta frequenza..
Tutte le valvole sono diverse fra loro, altrimenti non avrebbero la stessa sigla
Poi chi lo sa, i costruttori Philips e FiVRE erano in concorrenza e collaborazione / standardizzazione fra loro, per quela motivo/applicazione/mercato veniva sviluppata una nuova valvola.
alle volte in certi circuiti sono all'incirca intercambiabili, ma occorre esaminare con cura il circuito
e le prestazioni richieste al circuito.

1
voti
Ho seguito le discussioni anche quelle in lingua inglese, devo ringraziarvi perché grazie a voi ho risolto il mio problema della sostituzione della ELL80 con la GU-17 quest'ultima mi era sconosciuta. In ogni caso la GU-17 è un ottima valvola audio anche se non progettata per quel utilizzo, da datasheet può essere usata anche in applicazioni BF in classe AB come mixer. Per il Davoli non c'è speranza di trovare una sostituzione diretta, bisogna in ogni caso rivedere il progetto. Non vedo in che modo possa influenzare la potenza l'uso di un'altra valvola polarizzata nel modo giusto. Tra la ELL80 e la EL504 c'è solo un collegamento capacitivo(.5uF) quindi le correnti di polarizzazione rimangono separate e isolate dal condensatore, inoltre la 504 è polarizzata in G1(-35v) dall'alimentatore senza autopolarizzazione. Sono valvole non transistor bipolari, quindi non mi è chiaro per quale motivo è stata usata una valvola di potenza per polarizzare le EL504. Probabilmente una questione estetica di suono non di resa, spesso vedo l'uso di una ECC85 prima delle 504. L'uso di due EL95, con lo zoccolo che è reperibile su ebay, sarebbe l'unica soluzione senza rivedere il progetto e senza modificare il cablaggio. L'uso della GU-17 potrebbe funzionare se utilizzata come pentodo non come triodo che per le sue caratteristiche non permette questo collegamento ma ritengo che come risultato finale non dovrebbero esserci grosse differenze di suono, ma le modifiche meccaniche dei collegamenti sarebbero piuttosto pesanti. Siamo nel campo della sperimentazione.
41 messaggi
• Pagina 2 di 5 • 1, 2, 3, 4, 5
Chi c’è in linea
Visitano il forum: Nessuno e 358 ospiti

Elettrotecnica e non solo (admin)
Un gatto tra gli elettroni (IsidoroKZ)
Esperienza e simulazioni (g.schgor)
Moleskine di un idraulico (RenzoDF)
Il Blog di ElectroYou (webmaster)
Idee microcontrollate (TardoFreak)
PICcoli grandi PICMicro (Paolino)
Il blog elettrico di carloc (carloc)
DirtEYblooog (dirtydeeds)
Di tutto... un po' (jordan20)
AK47 (lillo)
Esperienze elettroniche (marco438)
Telecomunicazioni musicali (clavicordo)
Automazione ed Elettronica (gustavo)
Direttive per la sicurezza (ErnestoCappelletti)
EYnfo dall'Alaska (mir)
Apriamo il quadro! (attilio)
H7-25 (asdf)
Passione Elettrica (massimob)
Elettroni a spasso (guidob)
Bloguerra (guerra)

