Il malfunzionamento potrebbe dipendere dal fatto che il segnale PWM della plafoniera, quando la macchina è accesa, non sia in grado di fornire la corrente necessaria ai led perché evidentemente i led assorbono più corrente a causa della tensione che sale a 14V, in tutto questo evidentemente non è vero che il filo rosso è passante nel regolatore.
Secondo me ti conviene evitare di alimentare i led con i 12V della plafoniera: toglierei quei due diodi, collegherei il "+12V plafoniera" solo al "circuito antivibrazione" e alimenterei l'anodo dei led con un +12V preso da un'altra parte e in modo sia sempre presente e soprattutto che sia un vero 12V, non un segnale PWM, ad esempio andrebbe bene se preso a monte del circuito PWM della plafoniera.
Prima di tutto però mi assicurerei che l'assorbimento di corrente dei led a 14V sia regolare.
Quanta corrente dovrebbero assorbire i led?
Problema con relè 12V
Moderatori:
carloc,
g.schgor,
BrunoValente,
IsidoroKZ
0
voti
Perché dici che il filo rosso del regolatore non è passante? Da cosa si vede?
L'unico modo per alimentare i LED con un altro 12V non PWM, ottenendo però lo stesso funzionamento voluto, è collegare i LED al 12V permanente, cioè quello che è presente anche a macchina spenta. Può creare problemi alla batteria dell'auto?
Perché toglieresti i diodi? Non sono utili ad evitare correnti in ingresso verso il regolatore o dal regolatore verso l'altro 12V da cui alimento i LED?
Ti faccio queste domande così riesco a capire dove ho sbagliato.
Comunque domani prendo il tester e controllo la corrente assorbita dai LED a macchina spenta e macchina accesa e poi ti faccio sapere.
Intanto grazie mille per le risposte.
L'unico modo per alimentare i LED con un altro 12V non PWM, ottenendo però lo stesso funzionamento voluto, è collegare i LED al 12V permanente, cioè quello che è presente anche a macchina spenta. Può creare problemi alla batteria dell'auto?
Perché toglieresti i diodi? Non sono utili ad evitare correnti in ingresso verso il regolatore o dal regolatore verso l'altro 12V da cui alimento i LED?
Ti faccio queste domande così riesco a capire dove ho sbagliato.
Comunque domani prendo il tester e controllo la corrente assorbita dai LED a macchina spenta e macchina accesa e poi ti faccio sapere.
Intanto grazie mille per le risposte.
0
voti
Dico di togliere i diodi perché se porti il positivo fisso sull'anodo dei led non servono più
Se è vero che il filo rosso nel regolatore è passante allora non riesco a capire quale possa essere il motivo del malfunzionamento, evidentemente c'è un errore nei collegamenti e lo schema non è quello che hai postato.
Comunque prova a portare il +12V diretto ai diodi e vedi come va: non essendoci più alcun collegamento con la plafoniera dovrebbe funzionare.
Comunque verifica quanto assorbono i led a 14V
Di che potenza stiamo parlando? quanto dovrebbero assorbire i led in condizioni normali?
Una precisazione: hai scritto che quando apri la portiera e la plafoniera si accende a macchina spenta, i led si accendono a massima luminosità ma in queste condizioni, essendo alimentati dal PWM della plafoniera, dovrebbero comunque variare gradualmente la loro luminosità come la plafoniera o si spengono istantaneamente?
Se è vero che il filo rosso nel regolatore è passante allora non riesco a capire quale possa essere il motivo del malfunzionamento, evidentemente c'è un errore nei collegamenti e lo schema non è quello che hai postato.
Comunque prova a portare il +12V diretto ai diodi e vedi come va: non essendoci più alcun collegamento con la plafoniera dovrebbe funzionare.
Comunque verifica quanto assorbono i led a 14V
Di che potenza stiamo parlando? quanto dovrebbero assorbire i led in condizioni normali?
Una precisazione: hai scritto che quando apri la portiera e la plafoniera si accende a macchina spenta, i led si accendono a massima luminosità ma in queste condizioni, essendo alimentati dal PWM della plafoniera, dovrebbero comunque variare gradualmente la loro luminosità come la plafoniera o si spengono istantaneamente?
-

BrunoValente
39,6k 7 11 13 - G.Master EY

- Messaggi: 7796
- Iscritto il: 8 mag 2007, 14:48
0
voti
Ciao,
oggi finalmente sono riuscito a fare qualche altra prova.
Ho misurato la corrente che scorre sui LED ed ho circa 1.3A a macchina spenta e circa 1.8A a macchina accesa.
Ho provato anche a modificare il circuito come proposto da BrunoValente, eliminando il segnale PWM della plafoniera ed alimentando i LED con il +12 permanente, ma c'è il problema che se non mi ricordo di spegnere tutte le volte il regolatore di luminosità le strisce LED rimangono accese anche a macchina spenta...e non è bello...
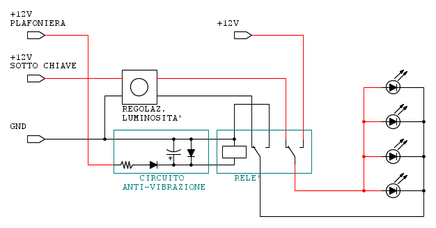
Alla fine ho provato a fare una modifica che mi è venuta in mente sul momento e cioè collegare l'anodo dei LED non direttamente al segnale della plafoniera, ma all'uscita del circuito "anti-vibrazione" del relè, in modo da non avere più un segnale PWM all'ingresso dei LED, ma un segnale analogico.
In pratica il nuovo circuito è questo:
Ho fatto qualche prova e sembra funzionare tutto correttamente. Dite che può comportare problemi?
Vi vorrei chiedere anche un altro consiglio... Il circuito "anti-vibrazione" l'ho fatto con i pochi componenti che avevo a casa, quindi non so se sono corretti come dimensionamento in base alle tensioni e alle correnti in gioco.
Secondo voi che condensatore e diodi dovrei usare per non avere problemi di eccessivo riscaldamento?
Grazie mille a tutti.
oggi finalmente sono riuscito a fare qualche altra prova.
Ho misurato la corrente che scorre sui LED ed ho circa 1.3A a macchina spenta e circa 1.8A a macchina accesa.
Ho provato anche a modificare il circuito come proposto da BrunoValente, eliminando il segnale PWM della plafoniera ed alimentando i LED con il +12 permanente, ma c'è il problema che se non mi ricordo di spegnere tutte le volte il regolatore di luminosità le strisce LED rimangono accese anche a macchina spenta...e non è bello...
Alla fine ho provato a fare una modifica che mi è venuta in mente sul momento e cioè collegare l'anodo dei LED non direttamente al segnale della plafoniera, ma all'uscita del circuito "anti-vibrazione" del relè, in modo da non avere più un segnale PWM all'ingresso dei LED, ma un segnale analogico.
In pratica il nuovo circuito è questo:
Ho fatto qualche prova e sembra funzionare tutto correttamente. Dite che può comportare problemi?
Vi vorrei chiedere anche un altro consiglio... Il circuito "anti-vibrazione" l'ho fatto con i pochi componenti che avevo a casa, quindi non so se sono corretti come dimensionamento in base alle tensioni e alle correnti in gioco.
Secondo voi che condensatore e diodi dovrei usare per non avere problemi di eccessivo riscaldamento?
Grazie mille a tutti.
0
voti
DaMMaN ha scritto:..Ho provato anche a modificare il circuito come proposto da BrunoValente, eliminando il segnale PWM della plafoniera ed alimentando i LED con il +12 permanente, ma c'è il problema che se non mi ricordo di spegnere tutte le volte il regolatore di luminosità le strisce LED rimangono accese anche a macchina spenta...
Siccome il regolatore è alimentato sotto chiave, a macchina spenta non dovrebbero rimanere accesi.
Il diodo scottava perché, essendo un 1N4004, non è in grado di sopportare 1.8A ed evidentemente 1.8A sono troppi anche per il PWM della plafoniera, vuol dire che, se alimenti i led con il PWM e apparentemente sembra che vada bene, dipende solo dal fatto che la tensione di alimentazione è calata un pochino perché hai aggiunto un diodo in serie ma sei comunque al limite e in realtà non va bene.
-

BrunoValente
39,6k 7 11 13 - G.Master EY

- Messaggi: 7796
- Iscritto il: 8 mag 2007, 14:48
0
voti
Probabilmente perché anche a regolatore spento il GND in uscita rimane comunque collegato e quindi avendo il 12V fisso rimangono comunque accesi...boh...
Quindi dici che alimentare i LED con il segnale PWM (trasformato in analogico) possa creare problemi? Di che tipo? Cosa potrei fare per rimediare?
Grazie mille.
Quindi dici che alimentare i LED con il segnale PWM (trasformato in analogico) possa creare problemi? Di che tipo? Cosa potrei fare per rimediare?
Grazie mille.
0
voti
glielo avevo detto anche io di usare un rele doppio scambio, ma sembra non volerne sapere...
-

PietroBaima
90,7k 7 12 13 - G.Master EY

- Messaggi: 12206
- Iscritto il: 12 ago 2012, 1:20
- Località: Londra
0
voti
Non è che non ne voglio sapere, ma semplicemente perché prima di comprare altri componenti (e spendere altri soldi) vorrei cercare di capire se posso lasciarlo così com'è e quali possono essere eventuali problemi visto che adesso funziona tutto perfettamente.
Possono esserci problemi di surriscaldamento? Può creare problemi alla plafoniera?
Prima di fare modifiche e spendere soldi vorrei anche capirne il motivo...
Possono esserci problemi di surriscaldamento? Può creare problemi alla plafoniera?
Prima di fare modifiche e spendere soldi vorrei anche capirne il motivo...
0
voti
senza sapere come é fatto internamente il regolatore é impossibile capire come funziona, non credi?
-

PietroBaima
90,7k 7 12 13 - G.Master EY

- Messaggi: 12206
- Iscritto il: 12 ago 2012, 1:20
- Località: Londra
Chi c’è in linea
Visitano il forum: Nessuno e 37 ospiti

Elettrotecnica e non solo (admin)
Un gatto tra gli elettroni (IsidoroKZ)
Esperienza e simulazioni (g.schgor)
Moleskine di un idraulico (RenzoDF)
Il Blog di ElectroYou (webmaster)
Idee microcontrollate (TardoFreak)
PICcoli grandi PICMicro (Paolino)
Il blog elettrico di carloc (carloc)
DirtEYblooog (dirtydeeds)
Di tutto... un po' (jordan20)
AK47 (lillo)
Esperienze elettroniche (marco438)
Telecomunicazioni musicali (clavicordo)
Automazione ed Elettronica (gustavo)
Direttive per la sicurezza (ErnestoCappelletti)
EYnfo dall'Alaska (mir)
Apriamo il quadro! (attilio)
H7-25 (asdf)
Passione Elettrica (massimob)
Elettroni a spasso (guidob)
Bloguerra (guerra)



pigreco]=π