Cos'è ElectroYou | Login Iscriviti

ElectroYou - la comunità dei professionisti del mondo elettrico

Sulla compensazione per un alimentatore con L200

Elettronica lineare e digitale: didattica ed applicazioni

Moderatori: Foto Utentecarloc, Foto Utenteg.schgor, Foto UtenteBrunoValente, Foto UtenteIsidoroKZ

0
voti

[1] Sulla compensazione per un alimentatore con L200

Messaggioda Foto UtenteAletox » 15 apr 2020, 12:06

Buongiorno a tutti :D

stocostruendo ed ho assemblato un alimentatore duale basato sull'integrato L200 per il ramo positivo.
Oltre all'IC ho previsto l'uso di un Darlingtone PNP MJ2501 per aumentare la capacità di dissipazione termica e poter operare nei range che mi sono prefissato.
Alcuni dati per completezza dello stadio lineare:
Vout = 2.85V - 15V
Iout_max = 2A
Vin = 22V - 26V (vuoto - carico)

Mi trovo di fronte ad un problema di compensazione dello stadio in quanto presenta oscillazione piuttosto spinta a ca. 1MHz. Sicuraente caricando l'uscita con una capacità elevata questa ondulazione cala (attualmente sono presenti 47uF). Ma volevo approfondire uno studio più accurato sulla compensazione.

Se qualcuno passa di qui e ha voglia di cimentarsi è ilbenvenuto.

Un saluto
AT
"La teoria attrae la pratica come il magnete attrae il ferro" C. Gauss

Seguitemi anche su youtube, un saluto da AT O_/
https://www.youtube.com/c/atlaboratory
Avatar utente
Foto UtenteAletox
1.095 1 6 13
Expert
Expert
 
Messaggi: 263
Iscritto il: 27 feb 2014, 22:01

0
voti

[2] Re: Sulla compensazione per un alimentatore con L200

Messaggioda Foto Utentemarioursino » 15 apr 2020, 12:11

Puoi mettere uno schema?
Avatar utente
Foto Utentemarioursino
5.687 3 9 13
G.Master EY
G.Master EY
 
Messaggi: 1598
Iscritto il: 5 dic 2009, 4:32

0
voti

[3] Re: Sulla compensazione per un alimentatore con L200

Messaggioda Foto UtenteAletox » 27 apr 2020, 21:53

E' il classico schema con L200 e transistor di bypass. Se non viene preso come spam giro il link al video su YouTube che ho fatto. Nel video non viene menzionato il problema di stabilità, anche perché all'epoca avevo fatto altre modifiche e di per se non era presente.

Più che altro io vorrei approfondire il tutto a livello più "teorico".. il problema si può risolvere anche in altri modi (aggiungendo capacità in uscita ad esempio).

Grazie per la risposta e scusa il ritardo
"La teoria attrae la pratica come il magnete attrae il ferro" C. Gauss

Seguitemi anche su youtube, un saluto da AT O_/
https://www.youtube.com/c/atlaboratory
Avatar utente
Foto UtenteAletox
1.095 1 6 13
Expert
Expert
 
Messaggi: 263
Iscritto il: 27 feb 2014, 22:01

0
voti

[4] Re: Sulla compensazione per un alimentatore con L200

Messaggioda Foto UtentePietroBaima » 27 apr 2020, 23:55

ti è stato chiesto di mettere uno schema, non un video.

Disegna lo schema con FidocadJ in modo che sia possibile riprenderlo e modificarlo.
Generatore codice per articoli:
nomi
Sul forum:
[pigreco]=π
[ohm]=Ω
[quadrato]=²
[cubo]=³
Avatar utente
Foto UtentePietroBaima
90,7k 7 12 13
G.Master EY
G.Master EY
 
Messaggi: 12206
Iscritto il: 12 ago 2012, 1:20
Località: Londra

0
voti

[5] Re: Sulla compensazione per un alimentatore con L200

Messaggioda Foto UtenteAletox » 28 apr 2020, 17:04

Provvedo.

Già che vedo un big member qui, ne approfitto per far notare che il sistema di notifiche non funziona molto bene o c'è qualcosa che non va con la mia mail specifica (più probabile, magari è successo anche a qualcun altro). Io non ricevo alcuna informativa nonostante sul mio account le spunte siano tutte abilitate. Per questo sono arrivato così in ritardo nella risposta, al che mi scuso nuovamente con @marioursino che aveva gentilmente risposto.

PS: un video potrebbe essere di giovamento per questa community, non solo per me, ma anche per gli altri per conoscere chi sono e cosa faccio ;-)
"La teoria attrae la pratica come il magnete attrae il ferro" C. Gauss

Seguitemi anche su youtube, un saluto da AT O_/
https://www.youtube.com/c/atlaboratory
Avatar utente
Foto UtenteAletox
1.095 1 6 13
Expert
Expert
 
Messaggi: 263
Iscritto il: 27 feb 2014, 22:01

1
voti

[6] Re: Sulla compensazione per un alimentatore con L200

Messaggioda Foto UtentePietroBaima » 28 apr 2020, 17:08

Per le notifiche ho controllato, dovrebbe essere tutto a posto, non so.
Sei sicuro di avere inserito correttamente il tuo indirizzo email?

Per il video, se vuoi postarlo postalo pure, sono certo che sarà interessante, ma ti ricordo che ti è stato chiesto uno schema elettrico, per cui sarebbe opportuno che tu postassi anche quello.


Grazie
Generatore codice per articoli:
nomi
Sul forum:
[pigreco]=π
[ohm]=Ω
[quadrato]=²
[cubo]=³
Avatar utente
Foto UtentePietroBaima
90,7k 7 12 13
G.Master EY
G.Master EY
 
Messaggi: 12206
Iscritto il: 12 ago 2012, 1:20
Località: Londra

1
voti

[7] Re: Sulla compensazione per un alimentatore con L200

Messaggioda Foto Utenteabusivo » 28 apr 2020, 17:09

Aletox ha scritto:... ma anche per gli altri per conoscere chi sono e cosa faccio ;-)

Io seguo il tuo canale!
Se quello che funziona basta non lo tocca' sennò te lassa!
Avatar utente
Foto Utenteabusivo
13,3k 4 7 10
Master
Master
 
Messaggi: 7008
Iscritto il: 16 ott 2012, 18:43
Località: L'Aquila

2
voti

[8] Re: Sulla compensazione per un alimentatore con L200

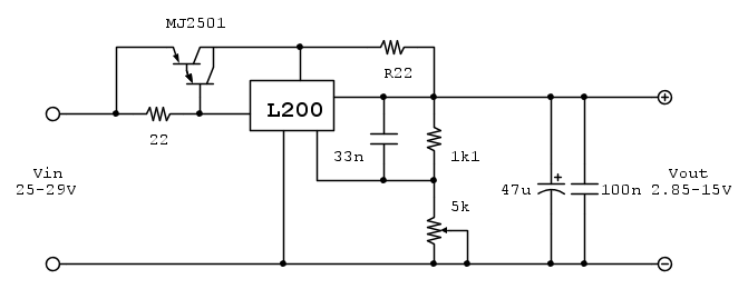
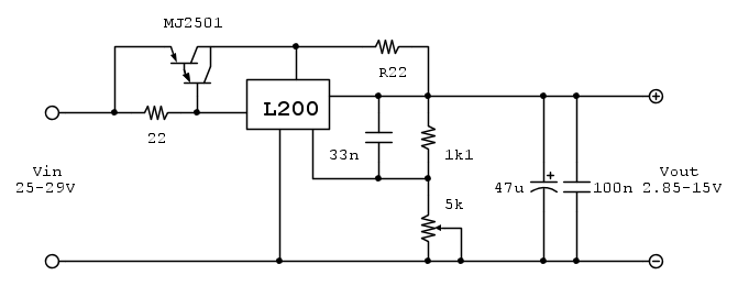
Messaggioda Foto UtenteAletox » 28 apr 2020, 18:09

Ecco qui lo schema che ho velocemetne realizzato.
Credo che il problemasia la velocità di risposta differente tra MJ e L200. Ma volevo capire più nel dettaglio da dove partire per l'analisi sulla compensazione. perché questo problema succede anche se si usano integrati tipo il 317, ma si aggiungono "tanti" transistor di bypass.



PS: l'indirizzo è giusto, ho ricevuto le e-mail fino a qualche tempo fa. Ma poi silenzio stampa. Ho controllato anche nelle varie impostazioni tipo filtri e cose simili. Vediamo e speriamo si risolva.
"La teoria attrae la pratica come il magnete attrae il ferro" C. Gauss

Seguitemi anche su youtube, un saluto da AT O_/
https://www.youtube.com/c/atlaboratory
Avatar utente
Foto UtenteAletox
1.095 1 6 13
Expert
Expert
 
Messaggi: 263
Iscritto il: 27 feb 2014, 22:01

0
voti

[9] Re: Sulla compensazione per un alimentatore con L200

Messaggioda Foto Utentemarioursino » 28 apr 2020, 18:15

Quanto è ampia l'oscillazione?

Quel 33 nF mi sembra grande. Riesci a postare una misura dell'uscita?
Avatar utente
Foto Utentemarioursino
5.687 3 9 13
G.Master EY
G.Master EY
 
Messaggi: 1598
Iscritto il: 5 dic 2009, 4:32

0
voti

[10] Re: Sulla compensazione per un alimentatore con L200

Messaggioda Foto Utenteabusivo » 28 apr 2020, 18:20

marioursino ha scritto:...Quel 33 nF mi sembra grande...

Ma anche no!
Aggiungerei anche un condensatore fra il pin 4 dell'integrato e la massa da 100 nF.
Se quello che funziona basta non lo tocca' sennò te lassa!
Avatar utente
Foto Utenteabusivo
13,3k 4 7 10
Master
Master
 
Messaggi: 7008
Iscritto il: 16 ott 2012, 18:43
Località: L'Aquila

Prossimo

Torna a Elettronica generale

Chi c’è in linea

Visitano il forum: Nessuno e 257 ospiti