Salve,
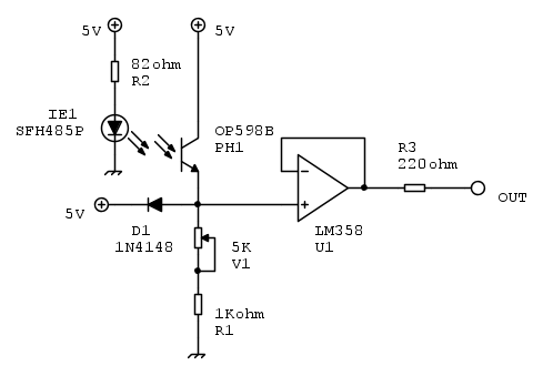
ho realizzato il circuito allegato per realizzare una sorta di sensore di prossimità… il range dell'out va da 0,5V a 4,8V in base alla distanza dall'oggetto e alla regolazione del trimmer, adesso vorrei che quando l'out dell'operazionale è < 2,5V, l'out è 0V, mentre se => 2,5V l'out va a 5V... che mi consigliate? grazie.
Infrared Emitter
Moderatori:
carloc,
g.schgor,
BrunoValente,
IsidoroKZ
0
voti
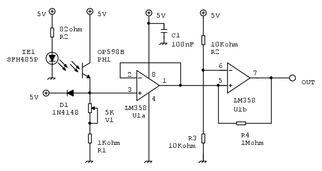
Trasforma l'amplificatore in un comparatore non invertente:
scollega la connessione fra uscita e ingresso " - ".
collega l'ingresso " - " a due resistori da 10 kohm: uno connesso al +5 V, l'altro connesso a massa.
Realizzi così un partitore con uscita 2,5 V.
Un poco di isteresi serve a rendere la commutazione certa:
Collega un resistore da 1 Mohm, fra l'ingresso " + " e l'uscita del 358.
Potresti utilizzare l'altro operazionele del 358.

scollega la connessione fra uscita e ingresso " - ".
collega l'ingresso " - " a due resistori da 10 kohm: uno connesso al +5 V, l'altro connesso a massa.
Realizzi così un partitore con uscita 2,5 V.
Un poco di isteresi serve a rendere la commutazione certa:
Collega un resistore da 1 Mohm, fra l'ingresso " + " e l'uscita del 358.
Potresti utilizzare l'altro operazionele del 358.

0
voti
"Non farei mai parte di un club che accettasse la mia iscrizione" (G. Marx)
-

claudiocedrone
21,3k 4 7 9 - Master EY

- Messaggi: 15302
- Iscritto il: 18 gen 2012, 13:36
0
voti
Questa discussione mi fa pensare sulle limitazioni dello scambio di messaggi via forum.
Quando ho letto il primo messaggio, ho visto uno schema abbastanza ben disegnato,
e ho supposto che fosse stato disegnato dal Atomo, e che quindi non avrebbe avuto problemi a seguire le mie indicazioni e a integrare nello schema il secondo operazionale.
Riguardando poi lo schema, mi sono detto che forse Atomo non ha scritto di averlo disegnato,
quindi probabilmente lo ha copiato da qualche parte.
Riguardandolo meglio, sorgono altri dubbi:
è incompleto: manca la numerazione dei piedini, la connessione delle alimentazioni, manca un condensatore di flitro sulla alimentazione.
Se si incaricasse un collaboratore di realizzare il circuito, avrebbe dei dubbi nell'interpretare lo schema. Sarebbe più chiaro se ci fossero connessioni esplicite per la massa e il +Valimentazione.
A cosa serve il diodo D1 ? Che ne dite? Secondo me può essere eliminato.
E il resistore R3 da 220 ohm ?
E l'uscita a cosa è connessa ? a uno strumentino a bobina mobile?

Quando ho letto il primo messaggio, ho visto uno schema abbastanza ben disegnato,
e ho supposto che fosse stato disegnato dal Atomo, e che quindi non avrebbe avuto problemi a seguire le mie indicazioni e a integrare nello schema il secondo operazionale.
Riguardando poi lo schema, mi sono detto che forse Atomo non ha scritto di averlo disegnato,
quindi probabilmente lo ha copiato da qualche parte.
Riguardandolo meglio, sorgono altri dubbi:
è incompleto: manca la numerazione dei piedini, la connessione delle alimentazioni, manca un condensatore di flitro sulla alimentazione.
Se si incaricasse un collaboratore di realizzare il circuito, avrebbe dei dubbi nell'interpretare lo schema. Sarebbe più chiaro se ci fossero connessioni esplicite per la massa e il +Valimentazione.
A cosa serve il diodo D1 ? Che ne dite? Secondo me può essere eliminato.
E il resistore R3 da 220 ohm ?
E l'uscita a cosa è connessa ? a uno strumentino a bobina mobile?

0
voti
Di solito è preferibile usare un comparatore vero, non abusare di un operazionale.
Hai ragione, ma, se ci si accontenta di una risposta in ritardo di qualche 100us, dovrebbe funzionare
..(a meno che il 358 non sia soggetto a latchup. non ho verificato)
In ogni modo, mi farebbe piacere che Atomo ridisegnasse lo schema anche con un solo operazionale come comparatore, per mostrare che ha capito...

0
voti
Ciao MarcoD, hai regione così penso sia più completo:
Sull'out voglio collegarci un NE555 (tipo timer per luci scale) che porti il suo stato a +5V per x secondi e poi vada a 0V e ci rimane fino a quando l'out dell' LM358 non va da 5V a 0V e ritorna a 5V...
non so se sono stato chiaro...
Sull'out voglio collegarci un NE555 (tipo timer per luci scale) che porti il suo stato a +5V per x secondi e poi vada a 0V e ci rimane fino a quando l'out dell' LM358 non va da 5V a 0V e ritorna a 5V...
non so se sono stato chiaro...
Chi c’è in linea
Visitano il forum: Nessuno e 175 ospiti

Elettrotecnica e non solo (admin)
Un gatto tra gli elettroni (IsidoroKZ)
Esperienza e simulazioni (g.schgor)
Moleskine di un idraulico (RenzoDF)
Il Blog di ElectroYou (webmaster)
Idee microcontrollate (TardoFreak)
PICcoli grandi PICMicro (Paolino)
Il blog elettrico di carloc (carloc)
DirtEYblooog (dirtydeeds)
Di tutto... un po' (jordan20)
AK47 (lillo)
Esperienze elettroniche (marco438)
Telecomunicazioni musicali (clavicordo)
Automazione ed Elettronica (gustavo)
Direttive per la sicurezza (ErnestoCappelletti)
EYnfo dall'Alaska (mir)
Apriamo il quadro! (attilio)
H7-25 (asdf)
Passione Elettrica (massimob)
Elettroni a spasso (guidob)
Bloguerra (guerra)





