Buongiorno a tutti,
rislutatidi alcune prove e modifiche.
Attualmente direi che sono soddisfatto:)
Aggiungendo capacità all'uscita e posizionando i 10uF tutte le oscillazioni sono azzerate.
Rimane del rumore di fondo (spike a frequenze varie) intorno agli 80mV, ma sono del tutto indipendenti dall'alimentatore e più probabilmente dovuti a dispositivi a commutazione presenti nel laboratorio, il rumore è presente anche a interruttore spento. Magari proverò con dei filtri di rete a vedere s si riesce a risolvere.
Rimane il ramonegativo da compensare.
Grazie a tutti per l'aiuto, un saluto
AT
Sulla compensazione per un alimentatore con L200
Moderatori:
carloc,
g.schgor,
BrunoValente,
IsidoroKZ
49 messaggi
• Pagina 5 di 5 • 1, 2, 3, 4, 5
0
voti
"La teoria attrae la pratica come il magnete attrae il ferro" C. Gauss
Seguitemi anche su youtube, un saluto da AT
https://www.youtube.com/c/atlaboratory
Seguitemi anche su youtube, un saluto da AT
https://www.youtube.com/c/atlaboratory
0
voti
Aletox ha scritto:...e posizionando i 10uF...
Riesci a postare un schema riassuntivo?
Se quello che funziona basta non lo tocca' sennò te lassa!
1
voti
Aletox ha scritto:Aggiungendo capacità all'uscita e posizionando i 10uF tutte le oscillazioni sono azzerate.
Che capacità hai dovuto aggiungere in uscita? In teoria dovrebbe essere stabile anche con soli 100nF come da schema.
Aletox ha scritto:Rimane del rumore di fondo (spike a frequenze varie) intorno agli 80mV, ma sono del tutto indipendenti dall'alimentatore e più probabilmente dovuti a dispositivi a commutazione presenti nel laboratorio, il rumore è presente anche a interruttore spento. Magari proverò con dei filtri di rete a vedere s si riesce a risolvere.
In un laboratorio occorre silenzio (elettromagnetico), quindi i dispositivi switching sarebbe bene ammetterli solo se professionali e con le caratteristiche adeguate all'ambiente... cineserie proprio no

-

BrunoValente
39,6k 7 11 13 - G.Master EY

- Messaggi: 7796
- Iscritto il: 8 mag 2007, 14:48
0
voti
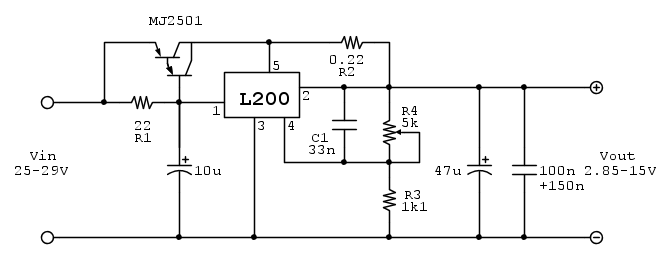
Ecco qui lo schema aggiornato, ho aggiunto un condensatore ceramico da 150nF sull'uscita nel tentativo di ridurre ulteriormente la presenza di rumore.
Ahimè, il mio è un garage condominiale quindi impossibile togliere il rumore di fondo presente sulla rete. In più per avere la connessione ad internet in garage utilizzo il sistema Power Line che sicuramente ci mette del suo a sporcare la linea.
Ahimè, il mio è un garage condominiale quindi impossibile togliere il rumore di fondo presente sulla rete. In più per avere la connessione ad internet in garage utilizzo il sistema Power Line che sicuramente ci mette del suo a sporcare la linea.
"La teoria attrae la pratica come il magnete attrae il ferro" C. Gauss
Seguitemi anche su youtube, un saluto da AT
https://www.youtube.com/c/atlaboratory
Seguitemi anche su youtube, un saluto da AT
https://www.youtube.com/c/atlaboratory
0
voti
Che tipo di oscilloscopio stai utilizzando per vedere i disturbi?
-

BrunoValente
39,6k 7 11 13 - G.Master EY

- Messaggi: 7796
- Iscritto il: 8 mag 2007, 14:48
0
voti
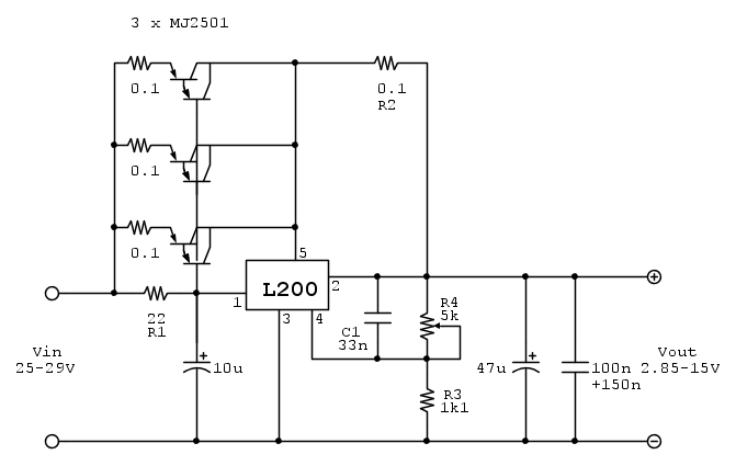
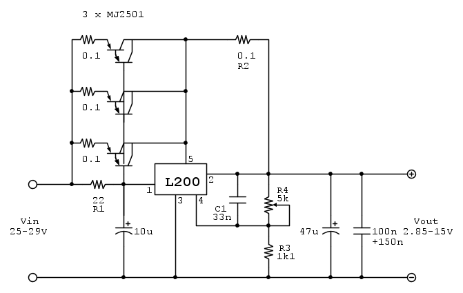
Facendo riferimento all'ultimo schema postato da
Aletox, mi chiedevo se anche questa versione
sia utilizzabile.
La R2 determina la massima corrente erogabile dall'insieme L200 + finali e le resistenze di emettitore compensano le differenze nel guadagno dei singoli transistor.
Eventualmente, aumentando il numero dei finali, li si potrebbe far lavorare in sicurezza anche erogando alte correnti a basse tensioni di uscita. Ovviamente dissipando bene il tutto.
sia utilizzabile.
La R2 determina la massima corrente erogabile dall'insieme L200 + finali e le resistenze di emettitore compensano le differenze nel guadagno dei singoli transistor.
Eventualmente, aumentando il numero dei finali, li si potrebbe far lavorare in sicurezza anche erogando alte correnti a basse tensioni di uscita. Ovviamente dissipando bene il tutto.
Dalle vigenti norme:
Non costruire, compra!
Non riparare, ricompra!
Non costruire, compra!
Non riparare, ricompra!
0
voti
Il mio finale comunque è ben dentro al SOA e più di così non posso chiedere al sistema trasformatore-raddrizzatore che ho a disposizione.
Un saluto
AT
"La teoria attrae la pratica come il magnete attrae il ferro" C. Gauss
Seguitemi anche su youtube, un saluto da AT
https://www.youtube.com/c/atlaboratory
Seguitemi anche su youtube, un saluto da AT
https://www.youtube.com/c/atlaboratory
0
voti
Buongiorno a tutti!
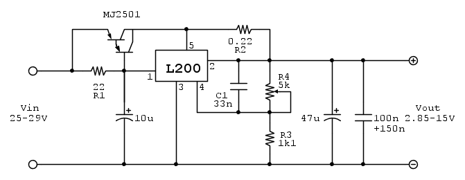
Riporto l'ultimo aggiornamento, ho eseguito anche la compensazione del ramo negativo usando una compensazione locale dell'OP-AMP. Con questa configurazione ho raggiunto risultati eccellenti.
Per completezza posto lo schema se dovesse servire anche a qualcun altro.
Un saluto e un ringraziamento a tutti!
Riporto l'ultimo aggiornamento, ho eseguito anche la compensazione del ramo negativo usando una compensazione locale dell'OP-AMP. Con questa configurazione ho raggiunto risultati eccellenti.
Per completezza posto lo schema se dovesse servire anche a qualcun altro.
Un saluto e un ringraziamento a tutti!
"La teoria attrae la pratica come il magnete attrae il ferro" C. Gauss
Seguitemi anche su youtube, un saluto da AT
https://www.youtube.com/c/atlaboratory
Seguitemi anche su youtube, un saluto da AT
https://www.youtube.com/c/atlaboratory
49 messaggi
• Pagina 5 di 5 • 1, 2, 3, 4, 5
Chi c’è in linea
Visitano il forum: Nessuno e 154 ospiti

Elettrotecnica e non solo (admin)
Un gatto tra gli elettroni (IsidoroKZ)
Esperienza e simulazioni (g.schgor)
Moleskine di un idraulico (RenzoDF)
Il Blog di ElectroYou (webmaster)
Idee microcontrollate (TardoFreak)
PICcoli grandi PICMicro (Paolino)
Il blog elettrico di carloc (carloc)
DirtEYblooog (dirtydeeds)
Di tutto... un po' (jordan20)
AK47 (lillo)
Esperienze elettroniche (marco438)
Telecomunicazioni musicali (clavicordo)
Automazione ed Elettronica (gustavo)
Direttive per la sicurezza (ErnestoCappelletti)
EYnfo dall'Alaska (mir)
Apriamo il quadro! (attilio)
H7-25 (asdf)
Passione Elettrica (massimob)
Elettroni a spasso (guidob)
Bloguerra (guerra)








