Espongo subito il mio problema.
Per tanti motivi i miei studi di elettrotecnica hanno sempre subito rimandi e rallentamenti, con la conseguenza che nonostante tenti di rispolverare concetti fondamentali (ma vecchi), a volte mi risulta difficile comprendere appieno i dettagli.
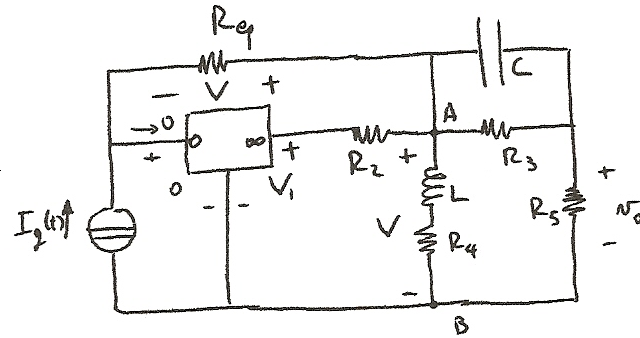
In particolare, la difficoltà che mi assilla molto è capire come e quando si ripartisce la tensione. Detto così, sembra tutto molto aleatorio, quindi scendo nei particolari.
So cos'è la differenza di potenziale, conosco bene il relativo partitore, nonché le leggi di Ohm e tutti i concetti inevitabilmente annessi
Ho postato l'esempio in .png per dettagliare il dilemma: come potete osservare, la differenza di potenziale V è la stessa su Req e sulla serie di L ed R4. Perché? A me, piuttosto, verrebbe da pensare che la tensione V coinciderà con la tensione V1 imposta dal nullore (l'ho specificata io, visto che nel disegno del circuito originale non era tenuta in conto la sua presenza). E poi la tensione V1 ricadrà su R2. Eppure l'esercizio svolto non è di questo avviso...
So che possono sembrare domande un po' disarmanti per la loro semplicità, ma purtroppo sono autodidatta e nonostante abbia studiato tutto quello che c'è da sapere sull'argomento, al momento non ne vengo a capo
.Grazie per l'attenzione

Elettrotecnica e non solo (admin)
Un gatto tra gli elettroni (IsidoroKZ)
Esperienza e simulazioni (g.schgor)
Moleskine di un idraulico (RenzoDF)
Il Blog di ElectroYou (webmaster)
Idee microcontrollate (TardoFreak)
PICcoli grandi PICMicro (Paolino)
Il blog elettrico di carloc (carloc)
DirtEYblooog (dirtydeeds)
Di tutto... un po' (jordan20)
AK47 (lillo)
Esperienze elettroniche (marco438)
Telecomunicazioni musicali (clavicordo)
Automazione ed Elettronica (gustavo)
Direttive per la sicurezza (ErnestoCappelletti)
EYnfo dall'Alaska (mir)
Apriamo il quadro! (attilio)
H7-25 (asdf)
Passione Elettrica (massimob)
Elettroni a spasso (guidob)
Bloguerra (guerra)


, quello di B,
; se la freccia ha la punta in A e la coda in B, indica la tensione tra
e
, detta anche differenza di potenziale, perché si scrive con
.
si ha
è la tensione ai capi di
;
è la tensione ai capi della serie
, quella che tu hai indicato con
.

, che è la tua
è dunque uguale a 


.... 
