woodcat ha scritto:Alcuni sognavano altre cose chiusi in bagno con la copia mensile di Postal Market ma questo è fuori tema.
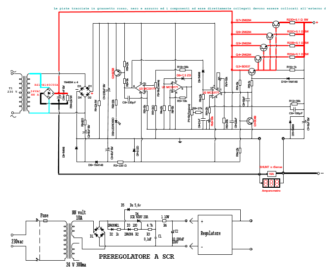
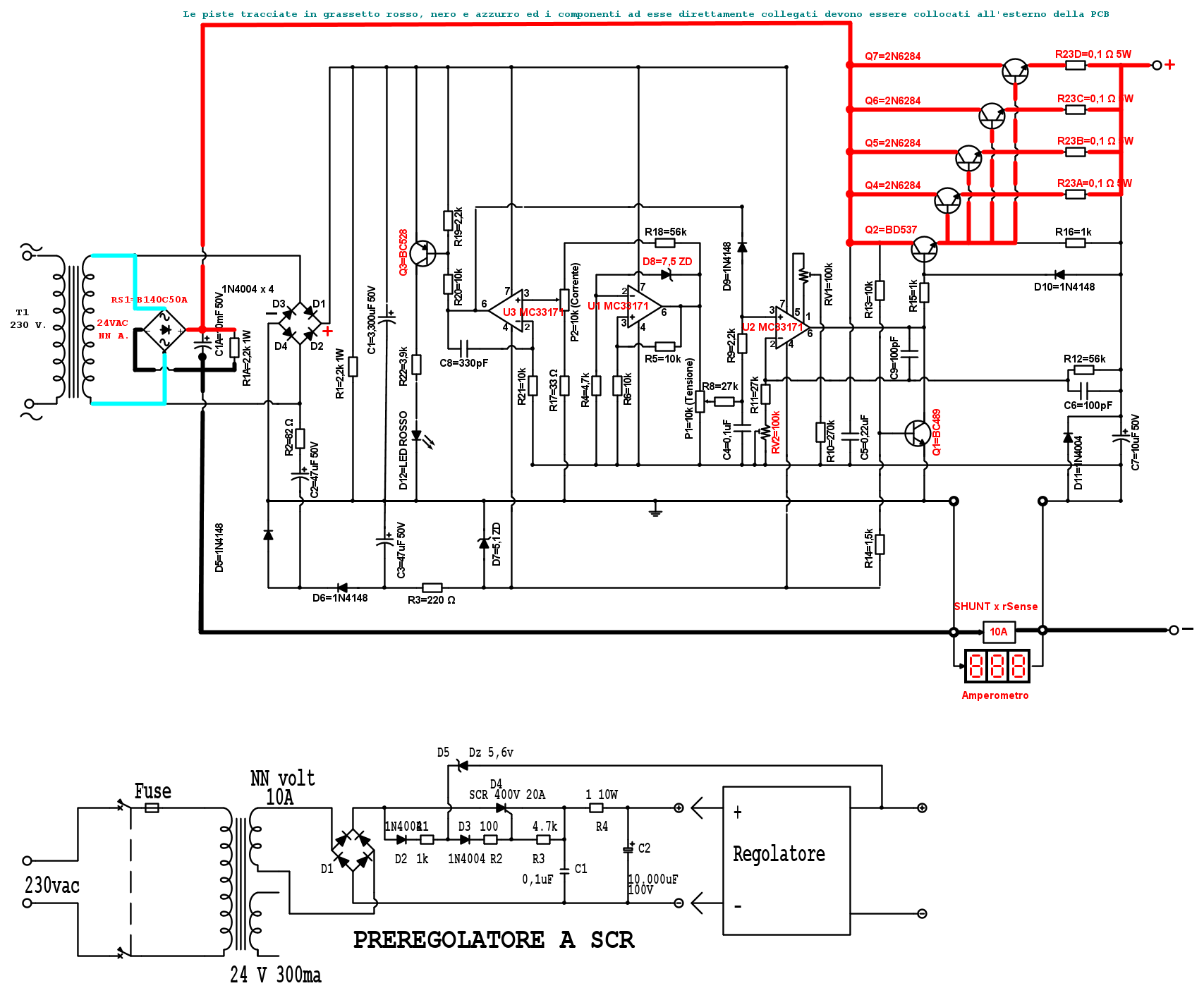
woodcat ha scritto:la parzializzazione a triac...........mi viene in mente che un genio come Bob Carver l'ha usata ampiamente negli stadi di alimentazione di alcuni suoi famosi amplificatori audio
Però credo che Bob Carver utilizzasse trasformatori particolari, perché lui interveniva sul primario, io intendevo intervenire sul secondario per non avere spiacevoli imprevisti dovuti alla forte induttanza. Ma forse è la stessa cosa, qui serve qualcuno esperto che mi faccia ragionare.Concordo con

Elettrotecnica e non solo (admin)
Un gatto tra gli elettroni (IsidoroKZ)
Esperienza e simulazioni (g.schgor)
Moleskine di un idraulico (RenzoDF)
Il Blog di ElectroYou (webmaster)
Idee microcontrollate (TardoFreak)
PICcoli grandi PICMicro (Paolino)
Il blog elettrico di carloc (carloc)
DirtEYblooog (dirtydeeds)
Di tutto... un po' (jordan20)
AK47 (lillo)
Esperienze elettroniche (marco438)
Telecomunicazioni musicali (clavicordo)
Automazione ed Elettronica (gustavo)
Direttive per la sicurezza (ErnestoCappelletti)
EYnfo dall'Alaska (mir)
Apriamo il quadro! (attilio)
H7-25 (asdf)
Passione Elettrica (massimob)
Elettroni a spasso (guidob)
Bloguerra (guerra)







