Chiarimento su tensione uscita e generatori corrente
Moderatori:
carloc,
g.schgor,
BrunoValente,
IsidoroKZ
14 messaggi
• Pagina 2 di 2 • 1, 2
1
voti
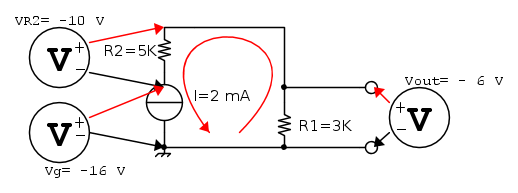
Anche per me è così:genetatore con due resistenze in serie a formare un partitore che se una vale 6 V di cdt l'altra vale 10 V di cdt e quindi V generatore 16 V.
Dove sbaglio ? Se sbaglio.
1
voti
Purtroppo
jervisbrown stai commettendo un grave errore di elettrotecnica. La tensione ai capi del generatore di corrente è imposta dal resto del circuito, non è zero.
MarcoD ed
elfo hanno ragione
1
voti
Si Admin, hai perfettamente ragione, tu non ti sei fatto trarre in inganno dal disegno del circuito che in pratica ha rovesciato il disegno convenzionale, ci ero arrivato dopo un po' di riflessione, durante la cena, del resto c'è una ragione per cui tu sei admin ed io no....


-

jervisbrown
88 2 - New entry

- Messaggi: 66
- Iscritto il: 26 mar 2015, 14:12
14 messaggi
• Pagina 2 di 2 • 1, 2
Chi c’è in linea
Visitano il forum: Nessuno e 72 ospiti

Elettrotecnica e non solo (admin)
Un gatto tra gli elettroni (IsidoroKZ)
Esperienza e simulazioni (g.schgor)
Moleskine di un idraulico (RenzoDF)
Il Blog di ElectroYou (webmaster)
Idee microcontrollate (TardoFreak)
PICcoli grandi PICMicro (Paolino)
Il blog elettrico di carloc (carloc)
DirtEYblooog (dirtydeeds)
Di tutto... un po' (jordan20)
AK47 (lillo)
Esperienze elettroniche (marco438)
Telecomunicazioni musicali (clavicordo)
Automazione ed Elettronica (gustavo)
Direttive per la sicurezza (ErnestoCappelletti)
EYnfo dall'Alaska (mir)
Apriamo il quadro! (attilio)
H7-25 (asdf)
Passione Elettrica (massimob)
Elettroni a spasso (guidob)
Bloguerra (guerra)







