Tu puoi dubitare quello che vuoi ma io non posso assicurarti che sia un transistor, potrebbe anche esserlo ma questo non vuol dire che lo è... in elettronica non si gioca a dadi.
Se provassi a smontarlo come ti ho proposto potresti verificare facilmente se è un transistor oppure se è un mosfet oppure....
Altra cosa che potresti fare è ricavarti lo schema della parte interessata: con lo schema si hanno più elementi che possono aiutare a capire cosa possa essere.
E' un transistor?
Moderatori:
carloc,
g.schgor,
BrunoValente,
IsidoroKZ
1
voti
Mi permetto di "correggere"
BrunoValente che qui scrivendo transistor in realtà intendeva BJT
Nelle serigrafie sugli stampati generalmente Q indica i transistor in genere quindi BJT, MOSFET, FET, IGBT e via discorrendo, tutti dispositivi in cui la T della sigla significa transistor e U gli integrati (come in questo caso anche i regolatori di tensione) però
giuseppety il numero indica solo l'ordine con cui il componente appare nello schema elettrico (generalmente la numerazione va dall'alto in basso e da sinistra a destra) quindi il 5 di U5 rispetto allo 78M05 dice solo che quello è il quinto integrato disegnato nello schema e nulla ha a che vedere con le caratteristiche elettriche;
detto questo, Q1 (in package DPAK o se preferite TO252) potrebbe ragionevolmente essere un BJT o un MOSFET o uno IGBT e come ha giustamente insistito Bruno il terminale centrale connesso con l'aletta di raffreddamento/ancoraggio al thermal pad può esserne il collettore o il drain e non certo la base (o il gate), ti sei fatto ingannare dalla rappresentazione grafica del transistor in cui la base è il terminale centrale ma ciò è appunto solo una rappresentazione grafica quindi le misure che hai effettuato non hanno alcun senso e quindi neppure sono indicative che quello sia effettivamente un componente guasto.
Nelle serigrafie sugli stampati generalmente Q indica i transistor in genere quindi BJT, MOSFET, FET, IGBT e via discorrendo, tutti dispositivi in cui la T della sigla significa transistor e U gli integrati (come in questo caso anche i regolatori di tensione) però
detto questo, Q1 (in package DPAK o se preferite TO252) potrebbe ragionevolmente essere un BJT o un MOSFET o uno IGBT e come ha giustamente insistito Bruno il terminale centrale connesso con l'aletta di raffreddamento/ancoraggio al thermal pad può esserne il collettore o il drain e non certo la base (o il gate), ti sei fatto ingannare dalla rappresentazione grafica del transistor in cui la base è il terminale centrale ma ciò è appunto solo una rappresentazione grafica quindi le misure che hai effettuato non hanno alcun senso e quindi neppure sono indicative che quello sia effettivamente un componente guasto.
"Non farei mai parte di un club che accettasse la mia iscrizione" (G. Marx)
-

claudiocedrone
21,3k 4 7 9 - Master EY

- Messaggi: 15302
- Iscritto il: 18 gen 2012, 13:36
0
voti
Cerca di ricavare lo schema elettrico dalle piste.
inizia a riconoscre la massa dal Valimentazione.
L' ingresso dal connettore è una tensione continua da uno switching o una alternata da un trasformatorino?
L'uscita suppongo +12V va al alimentare il 7805 ?
D1 pare in serie al connettore.
D17 è in antiparallelo o va ad alimentare un negativo ??
L'alimentazione del connettore va solo a caricare la batteria o rimane durante il funzionamento del giocattolo?
La batteria è al piombo o al NiCd o simili ?
Se al piombo vedo una alimentazione a tensione costante quindi un 7812 o simile, se al NiCd vedo un circuito che taglia corrente se tensione eklelvata, quindi MOS o Transistor

inizia a riconoscre la massa dal Valimentazione.
L' ingresso dal connettore è una tensione continua da uno switching o una alternata da un trasformatorino?
L'uscita suppongo +12V va al alimentare il 7805 ?
D1 pare in serie al connettore.
D17 è in antiparallelo o va ad alimentare un negativo ??
L'alimentazione del connettore va solo a caricare la batteria o rimane durante il funzionamento del giocattolo?
La batteria è al piombo o al NiCd o simili ?
Se al piombo vedo una alimentazione a tensione costante quindi un 7812 o simile, se al NiCd vedo un circuito che taglia corrente se tensione eklelvata, quindi MOS o Transistor

0
voti
claudiocedrone ha scritto:Mi permetto di "correggere"BrunoValente che qui scrivendo transistor in realtà intendeva BJT
![]()
Nelle serigrafie sugli stampati generalmente Q indica i transistor in genere quindi BJT, MOSFET, FET, IGBT e via discorrendo, tutti dispositivi in cui la T della sigla significa transistor e U gli integrati (come in questo caso anche i regolatori di tensione) perògiuseppety il numero indica solo l'ordine con cui il componente appare nello schema elettrico (generalmente la numerazione va dall'alto in basso e da sinistra a destra) quindi il 5 di U5 rispetto allo 78M05 dice solo che quello è il quinto integrato disegnato nello schema e nulla ha a che vedere con le caratteristiche elettriche;
detto questo, Q1 (in package DPAK o se preferite TO252) potrebbe ragionevolmente essere un BJT o un MOSFET o uno IGBT e come ha giustamente insistito Bruno il terminale centrale connesso con l'aletta di raffreddamento/ancoraggio al thermal pad può esserne il collettore o il drain e non certo la base (o il gate), ti sei fatto ingannare dalla rappresentazione grafica del transistor in cui la base è il terminale centrale ma ciò è appunto solo una rappresentazione grafica quindi le misure che hai effettuato non hanno alcun senso e quindi neppure sono indicative che quello sia effettivamente un componente guasto.
Buongiorno Claudio e ti ringrazio, ma ringrazio ovviamente anche Bruno e Marco. Allora, sicuramente l'ordine 1,2 3 non c'entra nulla (come pensavo e indica l'ordine come da te spiegato) e hai ragione nel dire che U5 non c'entra nulla rispetto al 78M05, in quanto è vero che prima di U5 (ricontrollando bene la scheda con la lente di ingrandimento) dietro ci sono integrati indicati con U1 U2 ecc. Tornado a quel componenente Q1 nella scheda ci sono altri piccolossimi componenti indicati con Q2 (che è un 1AM) Q3 (che è un J3Y) ecc, dove qui il codice invece c'è, mentre al Q1 di mio interesse c'è solo scritto questo "Aa", (che non so se mi possa indicare una vera sigla) per questo in un primo momento il 78M05 indicato U pur essendo simile nella forma al Q1 non l'avevo considerato un altro regolatore di tensione perche se fosse allora invece del Q1 doveva starci un altro U per capirci, mentre la serigrafia del circuito stampato riportando al 70M05 il "U" e all'altro di mio interesse il "Q" è come se li differisce, questo era il mio ragionamento. Comunque ho staccato solo i due piedini, e ho provato a misurarlo come se fosse un Transistor considerando il piedino centrale (non come la base, ma come se questa fosse sposta ad esempio BCE) e il test eseguito se fosse un transistor non è consono al relativo comportamento che dovrebbe avere se fosse un transitor e fosse buono, stessa cosa per il Mosfet. Non so, se sono riuscito a spiegarmi. Ad ogni modo nei limiti del possibile cercherò di ricavarmi uno schema come suggerito da Marco di quella parte, (anche se per me non è facile) e poi lo pubblico. Grazie ancora per tutto.
Ultima modifica di
giuseppety il 17 giu 2020, 10:33, modificato 1 volta in totale.
-

giuseppety
0 2 - Messaggi: 23
- Iscritto il: 16 giu 2020, 16:09
0
voti
MarcoD ha scritto:Cerca di ricavare lo schema elettrico dalle piste.
inizia a riconoscre la massa dal Valimentazione.
L' ingresso dal connettore è una tensione continua da uno switching o una alternata da un trasformatorino?
L'uscita suppongo +12V va al alimentare il 7805 ?
D1 pare in serie al connettore.
D17 è in antiparallelo o va ad alimentare un negativo ??
L'alimentazione del connettore va solo a caricare la batteria o rimane durante il funzionamento del giocattolo?
La batteria è al piombo o al NiCd o simili ?
Se al piombo vedo una alimentazione a tensione costante quindi un 7812 o simile, se al NiCd vedo un circuito che taglia corrente se tensione eklelvata, quindi MOS o Transistor
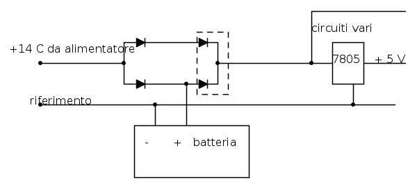
Buongiorno Marco, cercherò di ricavarmi lo schema come mi hai suggerito, anche se per me non è facile. Posso dirti che l'alimentazione di ingresso del carica-batteria è una 100-240V alternata 50-60Hz mentre l'uscita è un 14 V -1A che sicuramente come ho controllato con il tester va ad alimentare il 78M05 indicato nella serigrafia del circuito con la lettera "U". L'alimentazione va solo a caricare la batteria del giocattolo, se è al Piombo o è al NiCd, la vedo stasera quando ritorno. Inoltre spulciando su internet ho trovato per caso la stessa identica scheda (forse riparata dal mio stesso problema, potrei dire una sciocchezza) ma caso strano si può notare che al posto del Q1 di mio interesse sono stati inseriti due diodi con il catodo in comune, simulando un transistor se non erro. Non so se questa cosa possa essere utile ma comunque vi pubblico quello che per caso ho trovato. Grazie ancora.
-

giuseppety
0 2 - Messaggi: 23
- Iscritto il: 16 giu 2020, 16:09
0
voti
Ah ecco... se ci hanno messo due diodi in quel modo e funziona "casca il palco" poiché non hanno simulato un transistor bensì allora Q1 sarebbe un doppio diodo, nella fattispecie un diodo fast-recovery (ultra-fast o hyper-fast).
"Non farei mai parte di un club che accettasse la mia iscrizione" (G. Marx)
-

claudiocedrone
21,3k 4 7 9 - Master EY

- Messaggi: 15302
- Iscritto il: 18 gen 2012, 13:36
0
voti
claudiocedrone ha scritto:Ah ecco... se ci hanno messo due diodi in quel modo e funziona "casca il palco" poiché non hanno simulato un transistor bensì allora Q1 sarebbe un doppio diodo, nella fattispecie un diodo fast-recovery (ultra-fast o hyper-fast).
Quindi quel componente al suo interno è un doppio diodo a catodo comune. Per cui secondo te se volessi fare una cosa del genere come in quella foto, la scelta di quei due singoli diodi, ( ricordando che l'alimentazione del circuito elettronico che è a 14Volt e 1A) come deve essere fatta? In sostanza che diodi dovrei mettere. Purtroppo la mia esperienza in questa cose arriva a un certo limite. Grazie.
-

giuseppety
0 2 - Messaggi: 23
- Iscritto il: 16 giu 2020, 16:09
0
voti
MarcoD ha scritto:Cerca di ricavare lo schema elettrico dalle piste.
inizia a riconoscre la massa dal Valimentazione.
L' ingresso dal connettore è una tensione continua da uno switching o una alternata da un trasformatorino?
L'uscita suppongo +12V va al alimentare il 7805 ?
D1 pare in serie al connettore.
D17 è in antiparallelo o va ad alimentare un negativo ??
L'alimentazione del connettore va solo a caricare la batteria o rimane durante il funzionamento del giocattolo?
La batteria è al piombo o al NiCd o simili ?
Se al piombo vedo una alimentazione a tensione costante quindi un 7812 o simile, se al NiCd vedo un circuito che taglia corrente se tensione eklelvata, quindi MOS o Transistor
Ciao Marco. Ho cercato di fare lo schema come indicato nel foglio e penso di essere abbastanza sicuro per come l'ho disegnato, e lo stesso continua con un gruppo di condensatori indicati dalla freccia. Mi sento di escludere che sia un regolatore di tensione, (tipo 78M05) sia perché nel circuito c'è, ed è indicato con la lettera U mentre il componente di mio interesse è indicato con Q1 (e quindi se fosse stato un secondo regolatore di tensione sarebbe stato indicato con U e non con Q) sia perché come hai visto la stessa scheda che ho trovato su internet sembra sia stata riparata proprio al componente di mio interesse Q1 usando due diodi con catodo in comune, e dove Claudio ha spiegato cosa sono per lui.
-

giuseppety
0 2 - Messaggi: 23
- Iscritto il: 16 giu 2020, 16:09
0
voti
OK lo schema, proverò a disegnarne uno migliore.
Dove è connessa la batteria ? E' a 12 V ?
Forse è al piombo, carica in tampone a tensione costante circa 12 V.
Forse i diodi da sostituire non sono critici, monterei dei normali 1N4004 Idiretta 1 A
O forse diodi shottky a bassa caduta di tensione ( 0,4 V invece che 0,6 V?)
Forse, un cortocircuito occasionale ha sovraccaricato il diodo in serie alla batteria e lo ha bruciato.
Dove è connessa la batteria ? E' a 12 V ?
Forse è al piombo, carica in tampone a tensione costante circa 12 V.
Forse i diodi da sostituire non sono critici, monterei dei normali 1N4004 Idiretta 1 A
O forse diodi shottky a bassa caduta di tensione ( 0,4 V invece che 0,6 V?)
Forse, un cortocircuito occasionale ha sovraccaricato il diodo in serie alla batteria e lo ha bruciato.
0
voti
[quote="MarcoD"]OK lo schema, proverò a disegnarne uno migliore.
Dove è connessa la batteria ? E' a 12 V ?
Forse è al piombo, carica in tampone a tensione costante circa 12 V.
Forse i diodi da sostituire non sono critici, monterei dei normali 1N4004 Idiretta 1 A
O forse diodi shottky a bassa caduta di tensione ( 0,4 V invece che 0,6 V?)
Ciao Marco ti allego la foto della batteria che è un 6V al Piombo, mentre come detto il caricabatterie fornisce in uscita una 14V - 1A.
Dove è connessa la batteria ? E' a 12 V ?
Forse è al piombo, carica in tampone a tensione costante circa 12 V.
Forse i diodi da sostituire non sono critici, monterei dei normali 1N4004 Idiretta 1 A
O forse diodi shottky a bassa caduta di tensione ( 0,4 V invece che 0,6 V?)
Ciao Marco ti allego la foto della batteria che è un 6V al Piombo, mentre come detto il caricabatterie fornisce in uscita una 14V - 1A.
-

giuseppety
0 2 - Messaggi: 23
- Iscritto il: 16 giu 2020, 16:09
Chi c’è in linea
Visitano il forum: Nessuno e 55 ospiti

Elettrotecnica e non solo (admin)
Un gatto tra gli elettroni (IsidoroKZ)
Esperienza e simulazioni (g.schgor)
Moleskine di un idraulico (RenzoDF)
Il Blog di ElectroYou (webmaster)
Idee microcontrollate (TardoFreak)
PICcoli grandi PICMicro (Paolino)
Il blog elettrico di carloc (carloc)
DirtEYblooog (dirtydeeds)
Di tutto... un po' (jordan20)
AK47 (lillo)
Esperienze elettroniche (marco438)
Telecomunicazioni musicali (clavicordo)
Automazione ed Elettronica (gustavo)
Direttive per la sicurezza (ErnestoCappelletti)
EYnfo dall'Alaska (mir)
Apriamo il quadro! (attilio)
H7-25 (asdf)
Passione Elettrica (massimob)
Elettroni a spasso (guidob)
Bloguerra (guerra)


