Mentre attendo con pazienza l'arrivo dei componenti che ho acquistato sto ragionando sulla gestione delle ventole.
La cosa più semplice è mettere una resistenza di valore opportuno in serie alle ventole, così da farle sussurrare alimentate a 6V; un termostato o thermoswitch cortocircuita la resistenza alla temperatura stabilita, le ventole si beccano i 12V che desiderano e sembra che sta decollando un 747.
Una variazione graduale sarebbe certamente più gradita e meno aeronautica.
Magari provo con un LM317 e NTC al posto del potenziometro regolatore di tensione di uscita.
Alimentatore da migliorare
Moderatore:
brabus
0
voti
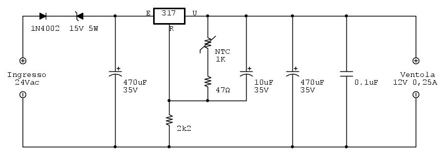
Puoi utilizzare questo schema, funziona benissimo da decenni in una apparecchiatura commerciale. Ho aggiunto lo zener per adattare l'ingresso a 24Vac, in origine era alimentato a 15Vac. Nella peggiore delle condizioni (credo ivverificabili) lo zener dissipa 3W, per cui con uno da 5W stai tranquillissimo.
0
voti
Ho provato a trasportarlo al volo su fidocadj:
Non credo di avere una NTC da 1kΩ; più tardi controllo.
Eviterei lo zener e gli appiopperei una 12v raddrizzata.
Non credo di avere una NTC da 1kΩ; più tardi controllo.
Eviterei lo zener e gli appiopperei una 12v raddrizzata.
Dalle vigenti norme:
Non costruire, compra!
Non riparare, ricompra!
Non costruire, compra!
Non riparare, ricompra!
0
voti
Ecco qui, questo è lo schema giusto. Originariamente mancava lo zener perché era alimentato a 15V, ma sempre AC!
Ultima modifica di
claudiocedrone il 21 giu 2020, 2:46, modificato 1 volta in totale.
Motivazione: Corretti valori invertiti resistori nello schema.
Motivazione: Corretti valori invertiti resistori nello schema.
0
voti
maxmix69 ha scritto:vedi che lo schema con fidocad è sbagliato
Diciamo che sei stato fin troppo buono... Era una collezione di errori da rimandare a settembre chiunque lo avesse partorito.
Ho editato; non solo per nascondere il misfatto, ma anche per evitare che qualcuno realizzasse quell'obbrobrio e poi venisse qui a chiedere perché non funziona
Ora lo devo realizzare, probabilmente su millefori, per fare due misure e due conti: LM317T dissipa 15W al massimo e non lo voglio maltrattare.
Dalle vigenti norme:
Non costruire, compra!
Non riparare, ricompra!
Non costruire, compra!
Non riparare, ricompra!
0
voti
Due cose: nell' edit che hai fatto c'è comunque un errore, se lo alimenti in continua sono circa 21V.
L'altra cosa è che nel circuito originale l'integrato non era alettato, quindi vai tranquillo. Se rispetti la potenza della ventola non avrai problemi.
L'altra cosa è che nel circuito originale l'integrato non era alettato, quindi vai tranquillo. Se rispetti la potenza della ventola non avrai problemi.
0
voti
Adesso è corretto (ho corretto direttamente il sorgente).
"Non farei mai parte di un club che accettasse la mia iscrizione" (G. Marx)
-

claudiocedrone
21,3k 4 7 9 - Master EY

- Messaggi: 15303
- Iscritto il: 18 gen 2012, 13:36
Chi c’è in linea
Visitano il forum: Nessuno e 3 ospiti

Elettrotecnica e non solo (admin)
Un gatto tra gli elettroni (IsidoroKZ)
Esperienza e simulazioni (g.schgor)
Moleskine di un idraulico (RenzoDF)
Il Blog di ElectroYou (webmaster)
Idee microcontrollate (TardoFreak)
PICcoli grandi PICMicro (Paolino)
Il blog elettrico di carloc (carloc)
DirtEYblooog (dirtydeeds)
Di tutto... un po' (jordan20)
AK47 (lillo)
Esperienze elettroniche (marco438)
Telecomunicazioni musicali (clavicordo)
Automazione ed Elettronica (gustavo)
Direttive per la sicurezza (ErnestoCappelletti)
EYnfo dall'Alaska (mir)
Apriamo il quadro! (attilio)
H7-25 (asdf)
Passione Elettrica (massimob)
Elettroni a spasso (guidob)
Bloguerra (guerra)




