Ciao ragazzi,
Ho un problema con questo circuito ho provato a risolverlo varie volte, ma il risultato non coincide con quello della soluzione.
Il prof fornisce solo il risultato finale ma no lo svolgimento, se qualcuno lo risolvesse sarei infinitamente grata
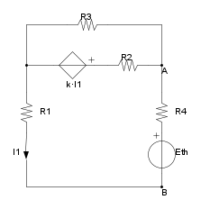
Esercizio circuito corrente continua
Moderatori:
g.schgor,
IsidoroKZ
9 messaggi
• Pagina 1 di 1
0
voti
Il modo migliore per capire cosa sbagli è quello di pubblicare la tua soluzione qui, in modo che si possa discutere dei passaggi errati.
Come prima cosa cerca di semplificare la vita a chi vorrà aiutarti (io posso aiutarti, per esempio) postando il circuito in FidoCadJ, come da regole del forum, in modo che chi vorrà aiutarti possa prendere il tuo circuito e modificarlo. Le formule matematiche invece vanno postate utilizzando LateX.
Ciao,
Pietro.
Come prima cosa cerca di semplificare la vita a chi vorrà aiutarti (io posso aiutarti, per esempio) postando il circuito in FidoCadJ, come da regole del forum, in modo che chi vorrà aiutarti possa prendere il tuo circuito e modificarlo. Le formule matematiche invece vanno postate utilizzando LateX.
Ciao,
Pietro.
-

PietroBaima
90,7k 7 12 13 - G.Master EY

- Messaggi: 12206
- Iscritto il: 12 ago 2012, 1:20
- Località: Londra
0
voti
Per risolverlo ho usato il metodo delle tensioni di nodo; considerando i versi delle correnti presi come in foto ho scritto
i2+30=i3+i4
i1+i4=30
esprimendo le correnti in funzione delle tensioni di nodo
(v1-v2)/2+30=v2/3+v2-v3
-v3/2+v2-v3=30
v1=3i1=3(-v3/2)=-3v2/2
poi risolvendo i conti ho ottenuto
i1=190/23 A
i2=-150/23 A
i3=40/23 A
i4=500/23 A
che però non coincidono con il risultato dato dal prof
i2+30=i3+i4
i1+i4=30
esprimendo le correnti in funzione delle tensioni di nodo
(v1-v2)/2+30=v2/3+v2-v3
-v3/2+v2-v3=30
v1=3i1=3(-v3/2)=-3v2/2
poi risolvendo i conti ho ottenuto
i1=190/23 A
i2=-150/23 A
i3=40/23 A
i4=500/23 A
che però non coincidono con il risultato dato dal prof
2
voti
Visto che è il tuo primo post ti do una mano con FidoCadJ.
PietroBaima Me lo permetti vero?
poi dal suggerimento
applichi Thevenin al generatore di corrente e ottieni il seguente generatore di tensione equivalente
per cui il circuito iniziale diventa:
.
e da qui la rete diventa binodale e puoi applicare Millman.
Lascio a te i calcoli.
poi dal suggerimento
MarcoD ha scritto:Io inizierei a fare l'equivalente Thevenin del 30 A e R4 e poi metterei in serie R1
applichi Thevenin al generatore di corrente e ottieni il seguente generatore di tensione equivalente
per cui il circuito iniziale diventa:
.
e da qui la rete diventa binodale e puoi applicare Millman.
Lascio a te i calcoli.
-

nunziato
4.291 3 9 12 - Master EY

- Messaggi: 531
- Iscritto il: 14 dic 2012, 23:14
- Località: Acri (CS) - Polistena (RC)
0
voti
Hai sbagliato la soluzione numerica del sistema, le equazioni sono corrette.
Controlla se la tua calcolatrice puo` risolvere i sistemi di equazioni lineari, spesso lo fanno. E` molto piu` rapido risolverli con la calcolatrice invece di farlo a mano.
Inoltre nota che la terza equazione e` molto semplice, e che V1 compare solo in un termine della prima. E` conveniente sostituire subito V1 nella prima equazione, cosi` hai solo un sistema del secondo ordine e molti meno coefficienti da scrivere.
Anche risolvendo i sistemi a mano, un 2x2 richiende molti meno conti e cose da scrivere di un 3x3. Poi vai di Cramer.
Controlla se la tua calcolatrice puo` risolvere i sistemi di equazioni lineari, spesso lo fanno. E` molto piu` rapido risolverli con la calcolatrice invece di farlo a mano.
Inoltre nota che la terza equazione e` molto semplice, e che V1 compare solo in un termine della prima. E` conveniente sostituire subito V1 nella prima equazione, cosi` hai solo un sistema del secondo ordine e molti meno coefficienti da scrivere.
Anche risolvendo i sistemi a mano, un 2x2 richiende molti meno conti e cose da scrivere di un 3x3. Poi vai di Cramer.
Per usare proficuamente un simulatore, bisogna sapere molta più elettronica di lui
Plug it in - it works better!
Il 555 sta all'elettronica come Arduino all'informatica! (entrambi loro malgrado)
Se volete risposte rispondete a tutte le mie domande
Plug it in - it works better!
Il 555 sta all'elettronica come Arduino all'informatica! (entrambi loro malgrado)
Se volete risposte rispondete a tutte le mie domande
0
voti
Ho provato a risolverlo con un risolutore online e mi escono come valori quelli in foto dove x=v1,y=v2,z=v3:
se da quelli calcolo le correnti dovrei ottenere
i1=-v3/2= 190/23
i2=(v1-v2)/2=-150/23
i3=v2/3=40/23
i4=v2-v3=500/23
che sono gli stessi valori che ho scritto prima.
Vi spiego la situazione, questo è un esercizio che fa parte del mio compito d'esame e dovrebbe essere l'unico che ho sbagliato, se l'ho sbagliato (e a quanto pare, forse no) mi piacerebbe capire dove, ma se non l'ho sbagliato mi scoccia un po' che il prof mi tolga dei punti; però prima di scrivergli una mail vorrei avere la certezza assoluta, c'è qualcuno che magari con un simulatore circuitale o altro potrebbe darmi i risultati certi di questo circuito)?
se da quelli calcolo le correnti dovrei ottenere
i1=-v3/2= 190/23
i2=(v1-v2)/2=-150/23
i3=v2/3=40/23
i4=v2-v3=500/23
che sono gli stessi valori che ho scritto prima.
Vi spiego la situazione, questo è un esercizio che fa parte del mio compito d'esame e dovrebbe essere l'unico che ho sbagliato, se l'ho sbagliato (e a quanto pare, forse no) mi piacerebbe capire dove, ma se non l'ho sbagliato mi scoccia un po' che il prof mi tolga dei punti; però prima di scrivergli una mail vorrei avere la certezza assoluta, c'è qualcuno che magari con un simulatore circuitale o altro potrebbe darmi i risultati certi di questo circuito)?
Ultima modifica di
lillo il 10 lug 2020, 12:56, modificato 2 volte in totale.
Motivazione: Non quotare il messaggio precedente per rispondere.
Motivazione: Non quotare il messaggio precedente per rispondere.
0
voti
Trovato il problema.
Messaggio [4], la terza equazione che hai scritto e` questa
v1=3i1=3(-v3/2)=-3v2/2
e fra il penultimo e l'ultimo termine hai cambiato la variabile
v1=3i1=3(-v3/2)=-3v2/2
Quando ho verificato le tue equazioni ho usato il termine 3(-v3/2) e venivano come mi erano gia` venute prima con altre equazioni, non mi ero accorto dell'errore perche' avevo preso il termine ancora giusto!
I risultati sono V1=15V, V2=15V, V3=-10V
Messaggio [4], la terza equazione che hai scritto e` questa
v1=3i1=3(-v3/2)=-3v2/2
e fra il penultimo e l'ultimo termine hai cambiato la variabile
v1=3i1=3(-v3/2)=-3v2/2
Quando ho verificato le tue equazioni ho usato il termine 3(-v3/2) e venivano come mi erano gia` venute prima con altre equazioni, non mi ero accorto dell'errore perche' avevo preso il termine ancora giusto!
I risultati sono V1=15V, V2=15V, V3=-10V
Per usare proficuamente un simulatore, bisogna sapere molta più elettronica di lui
Plug it in - it works better!
Il 555 sta all'elettronica come Arduino all'informatica! (entrambi loro malgrado)
Se volete risposte rispondete a tutte le mie domande
Plug it in - it works better!
Il 555 sta all'elettronica come Arduino all'informatica! (entrambi loro malgrado)
Se volete risposte rispondete a tutte le mie domande
1
voti
Ti ringrazio tantissimo, stavo impazzendo nel trovare l'errore
Ultima modifica di
lillo il 10 lug 2020, 12:56, modificato 1 volta in totale.
Motivazione: Non quotare il messaggio precedente per rispondere.
Motivazione: Non quotare il messaggio precedente per rispondere.
9 messaggi
• Pagina 1 di 1
Torna a Elettrotecnica generale
Chi c’è in linea
Visitano il forum: Nessuno e 45 ospiti

Elettrotecnica e non solo (admin)
Un gatto tra gli elettroni (IsidoroKZ)
Esperienza e simulazioni (g.schgor)
Moleskine di un idraulico (RenzoDF)
Il Blog di ElectroYou (webmaster)
Idee microcontrollate (TardoFreak)
PICcoli grandi PICMicro (Paolino)
Il blog elettrico di carloc (carloc)
DirtEYblooog (dirtydeeds)
Di tutto... un po' (jordan20)
AK47 (lillo)
Esperienze elettroniche (marco438)
Telecomunicazioni musicali (clavicordo)
Automazione ed Elettronica (gustavo)
Direttive per la sicurezza (ErnestoCappelletti)
EYnfo dall'Alaska (mir)
Apriamo il quadro! (attilio)
H7-25 (asdf)
Passione Elettrica (massimob)
Elettroni a spasso (guidob)
Bloguerra (guerra)

pigreco]=π


