salve a tutti volevo delle informazioni su questo tipo di adc.
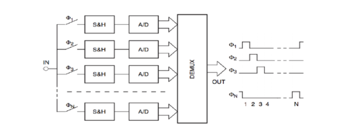
A quanto ho capito è composto da un multiplexer ad accesso sequenziale e un dispositivo di sample and hold per ogni canale.
Leggo dalle slide che la frequenza di campionamento per ogni singolo ADC è N volte piu bassa dell'intero sistema.
Qualcuno sa dirmi qualcosa in piu?
Leggo anche di alcuni svantaggi: la mia idea è che essendoci il multiplexer potrebbero esserci problemi dovuti alla tensione di offset degli interruttori, oppure il problema del segnale di controllo che potrebbe riflettersi sull'uscita ..
ADC a interlaccio di tempo
Moderatori:
carloc,
g.schgor,
BrunoValente,
IsidoroKZ
3 messaggi
• Pagina 1 di 1
1
voti
Dato un limite (tecnologico o di costo) sulla massima frequenza di campionamento del singolo convertitore, si usa questa configurazione per arrivare ad N volte tanto.
In alcuni oscilloscopi a basso costo, spesso vengono usati più pezzi di un componente relativamente economico, al posto di un solo pezzo più costoso.
"Famoso" era il caso del Rigol DS1052, che arrivava ad una frequenza complessiva di 1 GS/s, overclockando gli 8 (mi pare) ADC. Tra l'altro (nota off-topic) quel Rigol è un caso interessante per vari aspetti
All'estremo opposto, in un oscilloscopio con banda elevata (per l'epoca in cui viene progettato), quasi sicuramente si deve ricorrere a questa tecnica, perché non sono disponibili ADC abbastanza veloci.
Una considerazione ovvia sulla configurazione è che si rilassa il requisito di frequenza massima, ma non quello sulla precisione della temporizzazione (jitter del clock, variabilità del ritardo di campionamento,...).
Inoltre, come dicevi tu, è difficile avere N componenti che mantengano tra loro uniformità in termini di precisione (offset, non-linearità,...).
In alcuni oscilloscopi a basso costo, spesso vengono usati più pezzi di un componente relativamente economico, al posto di un solo pezzo più costoso.
"Famoso" era il caso del Rigol DS1052, che arrivava ad una frequenza complessiva di 1 GS/s, overclockando gli 8 (mi pare) ADC. Tra l'altro (nota off-topic) quel Rigol è un caso interessante per vari aspetti
All'estremo opposto, in un oscilloscopio con banda elevata (per l'epoca in cui viene progettato), quasi sicuramente si deve ricorrere a questa tecnica, perché non sono disponibili ADC abbastanza veloci.
Una considerazione ovvia sulla configurazione è che si rilassa il requisito di frequenza massima, ma non quello sulla precisione della temporizzazione (jitter del clock, variabilità del ritardo di campionamento,...).
Inoltre, come dicevi tu, è difficile avere N componenti che mantengano tra loro uniformità in termini di precisione (offset, non-linearità,...).
-

SandroCalligaro
2.970 2 4 5 - G.Master EY

- Messaggi: 1181
- Iscritto il: 6 ago 2015, 19:25
3 messaggi
• Pagina 1 di 1
Chi c’è in linea
Visitano il forum: Nessuno e 36 ospiti

Elettrotecnica e non solo (admin)
Un gatto tra gli elettroni (IsidoroKZ)
Esperienza e simulazioni (g.schgor)
Moleskine di un idraulico (RenzoDF)
Il Blog di ElectroYou (webmaster)
Idee microcontrollate (TardoFreak)
PICcoli grandi PICMicro (Paolino)
Il blog elettrico di carloc (carloc)
DirtEYblooog (dirtydeeds)
Di tutto... un po' (jordan20)
AK47 (lillo)
Esperienze elettroniche (marco438)
Telecomunicazioni musicali (clavicordo)
Automazione ed Elettronica (gustavo)
Direttive per la sicurezza (ErnestoCappelletti)
EYnfo dall'Alaska (mir)
Apriamo il quadro! (attilio)
H7-25 (asdf)
Passione Elettrica (massimob)
Elettroni a spasso (guidob)
Bloguerra (guerra)
