Ho utilizzato il tester per verificare le 4 resistenze (dovrebbero essere quelle nere poste sulla stessa fila dei led due all'estremo opposto ai cavi e due centrali) come valore risulta .011 MOhm (se non sbaglio sia questa l'unità di misura).
Mentre per i LED si accendono tutti. Ovviamente ho provato come tu hai descritto.
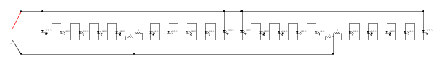
In effetti sono collegati a gruppi da 5 in modo alternato.
Perdona la mia ignoranza pensavo si chiamasse striscia ma in effetti sono integrati ad un circuito stampato.
Vuoi che provi a ricostruire le piste o comunque tracciarle graficamente?
Le piste che sono sui due lati esterni alla centrale (sopra e sotto i led) sembrerebbero delle piste per ulteriori moduli led da saldare e non utilizzati o sbaglio?
Grazie per la pazienza.

Elettrotecnica e non solo (admin)
Un gatto tra gli elettroni (IsidoroKZ)
Esperienza e simulazioni (g.schgor)
Moleskine di un idraulico (RenzoDF)
Il Blog di ElectroYou (webmaster)
Idee microcontrollate (TardoFreak)
PICcoli grandi PICMicro (Paolino)
Il blog elettrico di carloc (carloc)
DirtEYblooog (dirtydeeds)
Di tutto... un po' (jordan20)
AK47 (lillo)
Esperienze elettroniche (marco438)
Telecomunicazioni musicali (clavicordo)
Automazione ed Elettronica (gustavo)
Direttive per la sicurezza (ErnestoCappelletti)
EYnfo dall'Alaska (mir)
Apriamo il quadro! (attilio)
H7-25 (asdf)
Passione Elettrica (massimob)
Elettroni a spasso (guidob)
Bloguerra (guerra)






