esatto.
Ma almeno un set di resistenze per le prove le hai o no?
Recupero led lampada emergenza per piantana home made
0
voti
Pensavo che potevo ricavare qualche dato scientificamente con le formule, tensione e quanto altro, utilizzando le dovute misurazioni per i componenti che ne avevano necessità. Evidentemente la mia inesperienza e ignoranza mi ha portato a sottovalutare molti aspetti quali le prove con alimentatore da banco all'occorrenza, le varie resistenze e tutto il resto.
Provvederò a svolgere le misurazioni che mi hai chiesto. Quindi oltre il valore della resistenza in esercizio (Ohm) vuoi anche che misuri anche la corrente in entrata dai cavetti all'estremo del modulo (dal morsetto che si innesta con la scheda di alimentazione della lampada)?
Potrebbe servire anche questo?
0
voti
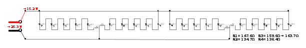
Ti allego di nuovo lo schema con i valori misurati che sotto ti spiegherò:
Con R1 e R2 corrispondono nell'immagine fisica (non nello schema) rispettivamente le prime resistenze in alto e in basso dopo il cavetto di alimentazione, mentre R3 ed R4 le ultime all'estremo del modulo.
Nello schema le troverai più specificatamente, dovendo salire e scendere di continuo ho dato peso alla posizione nel modulo e non allo schema per non andare in confusione.
Il valore di R3 ossia la prima resistenza all'estremo del modulo ed in alto dell'immagine (vedi post precedenti) in una prima misurazione mi dava 163.7 Ohm mentre poi il valore è sceso.
La misurazione della tensione l'ho fatta in corrente continua prima posizionando i puntali sul morsetto maschio della scheda (a modulo led sconnesso) dandomi un valore di 25.3 V. Poi ho ricollegato il morsetto femmina del modulo al maschio della scheda ed ho provato ad inserire i puntali nella microfessura dove si inseriscono i fili rosso e nero dopo il modulo pin (non so se il termine corretto sia questo) di plastica bianca. I valori corrispondono a 15.2 V quindi quasi 10 V di caduta.
I valori di R però non erano tutti uguali come si poteva pensare. In realtà sono tutti diversi. La corrente penso si possa ricavare con le formule oppure era necessaria una ulteriore misurazione mettendo in linea i puntali del multimetro?
Pensi sia eccessivo utilizzare un alimentatore da 24 V basandomi sulla tensione in entrata dell'alimentatore della lampada?
0
voti
Ma..non erano da 10 ohm?
Ora tutto torna, 140 ohm o giù di li è un valore più ragionevole, circa 2-3V di caduta con LED a piena luminosità.
NON PUOI usare un alimentatore a 24 V, il valore a piastrino scollegato non è significativo. 15,2V è la tensione con luce attenuata giusto?
Se riesci dovresti misurare le tensioni ai capi delle R a LED accesi, ma non è fondamentale.
Probabilmente a luce piena quei piastrini vanno alimentati a 18V circa, cerca online un alimentatore regolabile tra 15 e 20V
Ora tutto torna, 140 ohm o giù di li è un valore più ragionevole, circa 2-3V di caduta con LED a piena luminosità.
NON PUOI usare un alimentatore a 24 V, il valore a piastrino scollegato non è significativo. 15,2V è la tensione con luce attenuata giusto?
Se riesci dovresti misurare le tensioni ai capi delle R a LED accesi, ma non è fondamentale.
Probabilmente a luce piena quei piastrini vanno alimentati a 18V circa, cerca online un alimentatore regolabile tra 15 e 20V
0
voti
Il valore di 25.3 V era dato dai pin in uscita nell'alloggiamento del modulo led. Ho effettuato la misurazione scollegando il cavetto del modulo e rispettando la polarità ed il valore è quello che ti ho scritto.
Sempre ad alimentazione attiva ho ricollegato il cavetto del modulo led e la misurazione è avvenuta dopo l'attacco femmina dove si innestano i fili, positivo e negativo del modulo led (tipo GTS18 Wieland), sempre con alimentazione attiva. Quel valore di 15.1 V era dato proprio da questa misurazione a modulo alimentato tramite i connettori.
Le ultime misurazioni che ti ho inserito sono a led accesi quindi collegati alla lampada in rete (quelle ancora rimaste installate e non sostituite). I valori di 10 Ohm invece erano di quelle disassemblate dalle sorelle di quella di cui sopra e non erano collegate alla rete con led spenti. Avevo provveduto a scollegare i connettori della batteria dalla scheda di alimentazione e i connettori del modulo led dal connettore dell'alimentatore della lampada. Quindi i valori erano nettamente inferiori a quelli che ti ho riportato su a lampada "attiva". Per questo mi sono un po' preoccupato.
Quindi un alimentatore regolabile con selettore o di quelli che tipo gli switch delle strisce led che si adeguano in base alla potenza consumata?
Per mettere in parallelo le quattro strisce e il relativo selettore a pipetta è necessario che realizzi una PCB adeguata con piste e resistenze, oppure è qualcosa che posso fare utilizzando semplicemente un circuito composto da cavetti e connettori, senza dover far stampare nulla?
0
voti
mi stai confondendo, non si possono misurare resistenze se ci scorre corrente...
Puoi fare collegamenti filari, ed aggiungere ove servirre una R serie per ogni modulo LED, ma se trovi un alimentatore regolabile le R serie non serviranno (bastano quelle presenti)
Puoi fare collegamenti filari, ed aggiungere ove servirre una R serie per ogni modulo LED, ma se trovi un alimentatore regolabile le R serie non serviranno (bastano quelle presenti)
0
voti
Anche io
richiurci mi sono confuso.
I dati che ti ho inserito oggi sono con corrente passante sia resistenze che tutto il resto. Infatti 136 Ohm erano stati misurati a regime di funzionamento. L'uscita dalla scheda e dai poli della morsettiera era 25.3 V, mentre dopo il connettore del modulo led connesso si attenuava a 15.2 V.
Mentre i dati passati ossia 10 Ohm delle resistenze sul modulo led, corrispondono al sistema non alimentato.
Spero di aver spiegato bene. Alle volte mi incarto! :P
I dati che ti ho inserito oggi sono con corrente passante sia resistenze che tutto il resto. Infatti 136 Ohm erano stati misurati a regime di funzionamento. L'uscita dalla scheda e dai poli della morsettiera era 25.3 V, mentre dopo il connettore del modulo led connesso si attenuava a 15.2 V.
Mentre i dati passati ossia 10 Ohm delle resistenze sul modulo led, corrispondono al sistema non alimentato.
Spero di aver spiegato bene. Alle volte mi incarto! :P
0
voti
Ho provato a buttare giù uno schema sulla base di quello che ci siamo scritti che ti allego sotto:
Mi blocca un po' la componentistica. Tenendo conto che la fonte di alimentazione è di tipo regolabile 15-18-20 V come mi avevi consigliato, ho inserito un piccolo interruttore a pipetta C1 (non so se si possa usare in uscita con corrente DC di quelli che abitualmente vendono al negozio di materiale elettrico) bipolare per chiudere completamente il circuito e poi un selettore C2 per i vari programmi di accensione (tutte accese oppure a gruppi da due).
In questi casi si potrebbero utilizzare delle morsettiere evitando saldature (M1, M2, M3)?
Per quanto concerne il selettore a tre 3 posizioni (C2) va bene da 1.5 A?
Spero di non aver fatto errori nei collegamenti. :)
0
voti
Se il caldo non mi fa sragionare, C1 è inutile e non puoi ottenere accensioni a coppie con un semplice commutatore: si accenderebbero sempre tutte insieme perché i fili rossi sono collegati elettricamente da M3.
Tocca mettere opportuni diodi serie per evitare "ritorni", ma ti consiglio di fare prima prove senza interruttori, con collegamenti manuali, così capirai pure se ti servono tutte queste regolazioni di luminosità
Tocca mettere opportuni diodi serie per evitare "ritorni", ma ti consiglio di fare prima prove senza interruttori, con collegamenti manuali, così capirai pure se ti servono tutte queste regolazioni di luminosità
Torna a Costruzione, riparazione, riutilizzo
Chi c’è in linea
Visitano il forum: Nessuno e 12 ospiti

Elettrotecnica e non solo (admin)
Un gatto tra gli elettroni (IsidoroKZ)
Esperienza e simulazioni (g.schgor)
Moleskine di un idraulico (RenzoDF)
Il Blog di ElectroYou (webmaster)
Idee microcontrollate (TardoFreak)
PICcoli grandi PICMicro (Paolino)
Il blog elettrico di carloc (carloc)
DirtEYblooog (dirtydeeds)
Di tutto... un po' (jordan20)
AK47 (lillo)
Esperienze elettroniche (marco438)
Telecomunicazioni musicali (clavicordo)
Automazione ed Elettronica (gustavo)
Direttive per la sicurezza (ErnestoCappelletti)
EYnfo dall'Alaska (mir)
Apriamo il quadro! (attilio)
H7-25 (asdf)
Passione Elettrica (massimob)
Elettroni a spasso (guidob)
Bloguerra (guerra)




