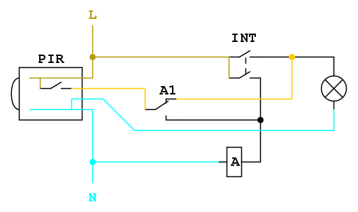
Questo è il PIR. Ho sia interruttori che deviatori
Giallo e blu del Pir vanno alla lampada, ho provato e funziona...

Grazie


Robbynaish ha scritto:c'è anche un interruttore che se lo accendo, la luce rimane accesa, se lo spengo la spegne anche se era ancora sotto influenza del pir.


Torna a Costruzione, riparazione, riutilizzo
Visitano il forum: Nessuno e 35 ospiti