Salve, avrei bisogno di un suggerimento:
sto facendo un circuito con un buffer di corrente con transistor MOS e mi serve che il buffer stesso abbia impedenza di uscita piu' alta possibile:ho pensato di fare un classico specchio di corrente per imporre la corrente da far passare e, in uscita, di mettere uno stadio cascode con 4 MOS poiche' e' il circuito che conosco che mi da un'alta impedenza d'uscita. A conti fatti ottengo un'impedenza 100 volte piu' piccola di quello che mi piacerebbe avere (per dare un'idea, mi viene dell'ordine di 1 Mohm e io ne vorrei un centinaio). Quindi ho opensato che il cascode non fosse la configurazione piu' adatta, perche' per quanto giochi con le dimensioni non riesco a salire di quanto voglio! Solo che non ne conosco altre per avere un'impedenza d'uscita alta (le correnti in gioco sono decine di uA...). qualcuno ha qualche suggerimento?
Buffer in corrente
Moderatori:
carloc,
g.schgor,
BrunoValente,
IsidoroKZ
5 messaggi
• Pagina 1 di 1
0
voti
Ciao.
100 megaohm? Si tratta di una realizzazione integrata, suppongo. Anche realizzando uno stadio cascode, mi pare un obiettivo piuttosto arduo!
Comunque realizzando un cascode hai ottenuto solo 1 megaohm di resistenza d'uscita? Che tecnologia utilizzi? Puoi portare uno schema con le dimensioni e le tensioni di polarizzazione dei transistor?
Ricordo di aver svolto un esercizio nel quale si impiegavano transistor a bassa
, e con uno specchio piuttosto semplice si arrivava sui 60 megaohm.. Guardo se l'ho conservato, ti faccio sapere!
100 megaohm? Si tratta di una realizzazione integrata, suppongo. Anche realizzando uno stadio cascode, mi pare un obiettivo piuttosto arduo!
Comunque realizzando un cascode hai ottenuto solo 1 megaohm di resistenza d'uscita? Che tecnologia utilizzi? Puoi portare uno schema con le dimensioni e le tensioni di polarizzazione dei transistor?
Ricordo di aver svolto un esercizio nel quale si impiegavano transistor a bassa
, e con uno specchio piuttosto semplice si arrivava sui 60 megaohm.. Guardo se l'ho conservato, ti faccio sapere!Alberto.
0
voti
Scusate se sono sparito, ma ho provato a reazionare il sistema e...sembra proprio funzionare.
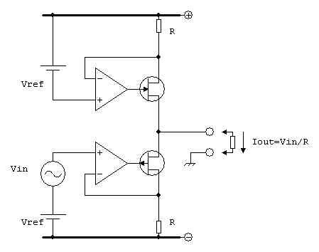
Vi allego lo schema (mi scuso ma ho solo gimp sotto mano). Molto brevemente, l'idea e' di reazionare i transistor centrali del cascode in modo da poter far cambiare abbastanza liberamente la tensione d'uscita; inoltre,grazie alla reazione, le Vgs e Vds dei transistor non cambiano di molto in modo da minimizzare la variazione di corrente. Si ottiene dunque un sistema con:
dV libero di variare e dI con variazione molto piccole (grazie alla reazione appunto). In questo modo, Zout= dV/dI viene massimizzata.
Grazie ancora a tutti per la disponibilita' .
Spero che possa essere utile a qualcun altro in futuro.
Vi allego lo schema (mi scuso ma ho solo gimp sotto mano). Molto brevemente, l'idea e' di reazionare i transistor centrali del cascode in modo da poter far cambiare abbastanza liberamente la tensione d'uscita; inoltre,grazie alla reazione, le Vgs e Vds dei transistor non cambiano di molto in modo da minimizzare la variazione di corrente. Si ottiene dunque un sistema con:
dV libero di variare e dI con variazione molto piccole (grazie alla reazione appunto). In questo modo, Zout= dV/dI viene massimizzata.
Grazie ancora a tutti per la disponibilita' .
Spero che possa essere utile a qualcun altro in futuro.
- Allegati
-
- buffer.jpg (7.99 KiB) Osservato 1980 volte
-

elettronico-bis
0 3 - Messaggi: 35
- Iscritto il: 6 mar 2008, 16:21
5 messaggi
• Pagina 1 di 1
Chi c’è in linea
Visitano il forum: Nessuno e 102 ospiti

Elettrotecnica e non solo (admin)
Un gatto tra gli elettroni (IsidoroKZ)
Esperienza e simulazioni (g.schgor)
Moleskine di un idraulico (RenzoDF)
Il Blog di ElectroYou (webmaster)
Idee microcontrollate (TardoFreak)
PICcoli grandi PICMicro (Paolino)
Il blog elettrico di carloc (carloc)
DirtEYblooog (dirtydeeds)
Di tutto... un po' (jordan20)
AK47 (lillo)
Esperienze elettroniche (marco438)
Telecomunicazioni musicali (clavicordo)
Automazione ed Elettronica (gustavo)
Direttive per la sicurezza (ErnestoCappelletti)
EYnfo dall'Alaska (mir)
Apriamo il quadro! (attilio)
H7-25 (asdf)
Passione Elettrica (massimob)
Elettroni a spasso (guidob)
Bloguerra (guerra)

