Cos'è ElectroYou | Login Iscriviti

ElectroYou - la comunità dei professionisti del mondo elettrico

regolare velocità di un motore 12v

Elettronica lineare e digitale: didattica ed applicazioni

Moderatori: Foto Utentecarloc, Foto Utenteg.schgor, Foto UtenteBrunoValente, Foto UtenteIsidoroKZ

0
voti

[61] Re: regolare velocità di un motore 12v

Messaggioda Foto Utenteemaborsa » 22 giu 2020, 22:08

Che pollo...avevo invertito il diodo ||O
Ora funziona. Grazie per la pazienza.
Avatar utente
Foto Utenteemaborsa
3 3
New entry
New entry
 
Messaggi: 96
Iscritto il: 29 feb 2008, 18:29
Località: Bolzano

0
voti

[62] Re: regolare velocità di un motore 12v

Messaggioda Foto Utenteemaborsa » 15 ago 2020, 11:03

Avrei un'altra domanda. Vorrei modificare leggermente il circuito, in modo da poter usare un interruttore a tre vie. Con una vorrei alimentare il carico tramite il circuito. Con l'altra vorrei alimentalo direttamente escludendo il circuito. Come dovrei modificarlo?
Avatar utente
Foto Utenteemaborsa
3 3
New entry
New entry
 
Messaggi: 96
Iscritto il: 29 feb 2008, 18:29
Località: Bolzano

0
voti

[63] Re: regolare velocità di un motore 12v

Messaggioda Foto Utenteemaborsa » 26 ott 2021, 14:25

Ciao,
il circuito l'ho montato ancora l'anno scorso ed ha funzionato fino a qualche giorno fa. Oggi ho fatto dei test e ho notato che il NE555 è andato, ovvero mettendone uno nuovo, funziona. Qualcuno mi sa dire dei motivi per i quali possa essere saltato e come posso prevenire che succeda ancora?
Avatar utente
Foto Utenteemaborsa
3 3
New entry
New entry
 
Messaggi: 96
Iscritto il: 29 feb 2008, 18:29
Località: Bolzano

0
voti

[64] Re: regolare velocità di un motore 12v

Messaggioda Foto Utentealev » 26 ott 2021, 14:32

Inserisci sul forum lo schema del circuito (con FidoCadJ) e vediamo di dare una risposta
Avatar utente
Foto Utentealev
5.990 2 9 12
free expert
 
Messaggi: 6282
Iscritto il: 19 lug 2010, 14:38
Località: Altrove

0
voti

[65] Re: regolare velocità di un motore 12v

Messaggioda Foto Utenteemaborsa » 26 ott 2021, 14:36

Ho usato lo schema che mi hanno dato qui sul forum, sulla prima pagina.
Avatar utente
Foto Utenteemaborsa
3 3
New entry
New entry
 
Messaggi: 96
Iscritto il: 29 feb 2008, 18:29
Località: Bolzano

0
voti

[66] Re: regolare velocità di un motore 12v

Messaggioda Foto Utentealev » 26 ott 2021, 14:37

No, mettilo qua, altrimenti tutte le volte ci tocca andarlo a vedere sulla prima pagina
Avatar utente
Foto Utentealev
5.990 2 9 12
free expert
 
Messaggi: 6282
Iscritto il: 19 lug 2010, 14:38
Località: Altrove

0
voti

[67] Re: regolare velocità di un motore 12v

Messaggioda Foto Utenteemaborsa » 26 ott 2021, 15:00

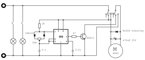
Ecco qui lo schema. L'ho adattato un pochino, per poter escludere il circuito in caso si dovesse guastare qualcosa, come appunto successo:

pompa_led.PNG


Forse dovrei aggiungere che è montato in un Van, perciò 12V + dynamo della macchina?
Avatar utente
Foto Utenteemaborsa
3 3
New entry
New entry
 
Messaggi: 96
Iscritto il: 29 feb 2008, 18:29
Località: Bolzano

0
voti

[68] Re: regolare velocità di un motore 12v

Messaggioda Foto Utentealev » 26 ott 2021, 15:14

L'NE555 supporta fino a 18V di alimentazione, però sarebbe meglio alimentarlo con una tensione più stabile di quella di un'autoveicolo

Rispetto al circuito che hai indicato prima



vedo che il tuo ha delle modifiche, puoi chiarire in dettaglio cosa sono ed a cosa servono?

Se devi postare circuiti che richiedono modifiche/aggiustamenti, devi usare FidoCadJ
Avatar utente
Foto Utentealev
5.990 2 9 12
free expert
 
Messaggi: 6282
Iscritto il: 19 lug 2010, 14:38
Località: Altrove

0
voti

[69] Re: regolare velocità di un motore 12v

Messaggioda Foto Utenteemaborsa » 26 ott 2021, 15:19

Lo schema è pressochè identico, ho solo usato uno schottky al posto del mbr. A complicarlo è un interruttore a 3 vie che mi permette di usare il PWM, oppure alimentare direttamente il motore (nel mio caso pompa) a corrente piena escludendo il BUZ.
Avatar utente
Foto Utenteemaborsa
3 3
New entry
New entry
 
Messaggi: 96
Iscritto il: 29 feb 2008, 18:29
Località: Bolzano

0
voti

[70] Re: regolare velocità di un motore 12v

Messaggioda Foto Utentealev » 26 ott 2021, 15:38

Lo schottky penso sia ininfluente, in questo caso

L'interruttore a 3 vie potrebbe portare qualche "spike" di tensione che non piace all'NE555

Comunque, serve una tensione più stabile per l'alimentazione, cerco qualcosa e lo posto

Quale è il motore che devi alimentare? che specifiche ha (tensione, A max assorbiti, etc)?
Avatar utente
Foto Utentealev
5.990 2 9 12
free expert
 
Messaggi: 6282
Iscritto il: 19 lug 2010, 14:38
Località: Altrove

PrecedenteProssimo

Torna a Elettronica generale

Chi c’è in linea

Visitano il forum: Google Adsense [Bot] e 40 ospiti