Ciao, un mio amico ha una "Smart home" e mi ha detto che da un giorno all'altro non gli si accende più lo schermo del comando generale, ha un Jung Facility-Panel IP FP701CTIP. Dato che gli hanno chiesto quasi 4000euro per sostituirlo, ha preferito darmelo per vedere se riesco a sistemarlo.
Diciamo che ho individuato il problema, vedi allegati. Le due (se non erro) resistenze sono bruciate, una la si vede in foto, l'altra è nascosta tra i due (sempre se non erro) induttori, che a occhio sembrano integri.
Ora la fatidica comanda: Come faccio a sapere che valore devono avere queste resistenze? Secondo voi si riesce a sistemare?
Identificare componente e valore
Moderatori:
carloc,
g.schgor,
BrunoValente,
IsidoroKZ
27 messaggi
• Pagina 1 di 3 • 1, 2, 3
0
voti
O si confronta con un PCB uguale oppure bisogna capire dov'e' collegata la resistenza. In teoria la resistenza non si brucia mai da sola ma c'e' qualche altro componente rovinato.


0
voti
Le resistenze sono in parallelo agli induttori.
Il fatto che ci sia qualcos'altro di bruciato lo temo pure io...
Il fatto che ci sia qualcos'altro di bruciato lo temo pure io...
2
voti
Probabilmente si sono rotti anche gli induttori (se è vero che sono in parallelo ai resistori bruciati) ma la vera causa del guasto è sicuramente altrove.
Serve lo schema, se non lo trovi puoi sempre provare a ricavartelo dal layout, se capisco bene sei nella zona dell'alimentatore e pare sia realizzato con un TOP243Y, quindi non dovrebbe essere complicato.
Serve lo schema, se non lo trovi puoi sempre provare a ricavartelo dal layout, se capisco bene sei nella zona dell'alimentatore e pare sia realizzato con un TOP243Y, quindi non dovrebbe essere complicato.
-

BrunoValente
39,6k 7 11 13 - G.Master EY

- Messaggi: 7796
- Iscritto il: 8 mag 2007, 14:48
0
voti
Confermo si, gli induttori sono in parallelo alle resistenze, e si abbiamo il TOP243Y.
Mi è chiaro che siamo nella parte dell'alimentazione, ma ammetto di non essere esperto e mi servirebbe l'aiuto di qualcuno per sistemarlo.
Ho notato adesso che è saltato anche un condensatore, prima immagine, quello destro.
Qualcuno di voi ha voglia e pazienza di aiutarmi?
Mi è chiaro che siamo nella parte dell'alimentazione, ma ammetto di non essere esperto e mi servirebbe l'aiuto di qualcuno per sistemarlo.
Ho notato adesso che è saltato anche un condensatore, prima immagine, quello destro.
Qualcuno di voi ha voglia e pazienza di aiutarmi?
0
voti
E 'una toppa, ma:
Se conosci la tensione prodotta dall'alimentatore ( 24, 12,9, 5, 3,3 V??) e la corrente assorbita 1 A ?,
potresti isolarlo e sostiuirlo con un alimentatore esterno. Forse non è impossibile.
per riferimento data sheet dell IC alimentatore
https://elcodis.com/parts/678675/TOP243Y.html#datasheet
Se conosci la tensione prodotta dall'alimentatore ( 24, 12,9, 5, 3,3 V??) e la corrente assorbita 1 A ?,
potresti isolarlo e sostiuirlo con un alimentatore esterno. Forse non è impossibile.

per riferimento data sheet dell IC alimentatore
https://elcodis.com/parts/678675/TOP243Y.html#datasheet
0
voti
Riprendo in mano la cosa.
Ammetto che faccio fativa a trovare delle induttanze di ricambio. Avrei trovato delle 1.5k, potrei metterne due infila serie per arrivare cos'ì a 3k. Potrebbe andare o? Per le resistenze pensavo di partire da un valore alto, ...se va , bene, se non va, scendo con le R.
La strada di isolare l'alimentazione e rimpiazzarla, se mi date una mano a capire quanti V e A vuole per funzionare, posso provarci.

Allego la foto con la parte dell'alimentazione.
Ammetto che faccio fativa a trovare delle induttanze di ricambio. Avrei trovato delle 1.5k, potrei metterne due in
La strada di isolare l'alimentazione e rimpiazzarla, se mi date una mano a capire quanti V e A vuole per funzionare, posso provarci.
Allego la foto con la parte dell'alimentazione.
0
voti
ciao, fare una riparazione al buio, senza avere qualche indicazione la trovo decisamente sbagliata.
Devi cercare di sviluppare un po' di schema, cominciando dall'ingresso della tensione di alimentazione ed i passaggi fino almeno per ora alle induttanze .
Dopo si può ragionare perché tu abbia qualche consiglio, perché come vedi ti si è risposto in diversi, ma ci devi aiutare anche te, perché sei tu che hai la PCB in mano

Devi cercare di sviluppare un po' di schema, cominciando dall'ingresso della tensione di alimentazione ed i passaggi fino almeno per ora alle induttanze .
Dopo si può ragionare perché tu abbia qualche consiglio, perché come vedi ti si è risposto in diversi, ma ci devi aiutare anche te, perché sei tu che hai la PCB in mano

Alex
https://www.facebook.com/Elettronicaeelettrotecnica
<< vedi di pigliare arditamente in mano, il dizionario che ti suona in bocca,
se non altro è schietto e paesano.
(Giuseppe Giusti) <<
https://www.facebook.com/Elettronicaeelettrotecnica
<< vedi di pigliare arditamente in mano, il dizionario che ti suona in bocca,
se non altro è schietto e paesano.
(Giuseppe Giusti) <<
0
voti
Eccomi,
dopo mesi ho preso nuovamente in mano la cosa.
Innanzi tutto grazie per la vostra pazienza...
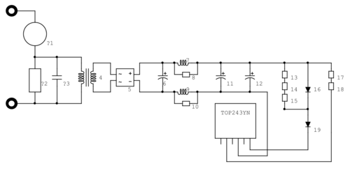
Ho provato a ricostruire lo schema:
1. Non so che componente sia. Si tratta di quello tondo rosso a destra. Sopra trovo scritti i valori 250V e 11,6A
2. Non so che componente sia. Si tratta di quello rettangolare grigio. Sopra trovo scritti i valori 300V e 100nM.
3. Componente a disco giallo, avrei detto condensatore, ma non trovo valori scritti.
4. VOGT B5, un avvolgimento, direi un piccolo trasformatore.
5. DF06s: Chiamasi raddrizzatore?
6. Condensatore 400V 10uF
7. Induttanza NEOSID 3.3K
8. Resistenza bruciata
9. Induttanza NEOSID 3.3K
10. Resistenza bruciata
11. Condensatore 400V 10uF
12. Condensatore 400V 10uF
Tra l'avvolgimento (quello giallo per intenderci) e il TOP:
13. Penso resistenza: componente orizzontale sopra componente 19
14. Resistenza: componente orizzontale sopra componente 13
15. Resistenza: componente verticale sopra componente 14
16. Diodo, non riesco a leggere la sigla.
17. Resistenza (sul retro della scheda)
18. Resistenza (sul retro della scheda)
19. Diodo con sigla SM4007
Fino al componente 4, se non erro, viene stabilizzata la 220, il 5 la riduce, poi fino al TOP...fa quello che fa
Per continuare lo schema ho qualche diffcoltà, dato che si tratta di una PCB a 4 strati...faccio fatica a capire le piste dei componenti più piccoli, ma penso basti così. O sbaglio?
dopo mesi ho preso nuovamente in mano la cosa.
Innanzi tutto grazie per la vostra pazienza...
Ho provato a ricostruire lo schema:
1. Non so che componente sia. Si tratta di quello tondo rosso a destra. Sopra trovo scritti i valori 250V e 11,6A
2. Non so che componente sia. Si tratta di quello rettangolare grigio. Sopra trovo scritti i valori 300V e 100nM.
3. Componente a disco giallo, avrei detto condensatore, ma non trovo valori scritti.
4. VOGT B5, un avvolgimento, direi un piccolo trasformatore.
5. DF06s: Chiamasi raddrizzatore?
6. Condensatore 400V 10uF
7. Induttanza NEOSID 3.3K
8. Resistenza bruciata
9. Induttanza NEOSID 3.3K
10. Resistenza bruciata
11. Condensatore 400V 10uF
12. Condensatore 400V 10uF
Tra l'avvolgimento (quello giallo per intenderci) e il TOP:
13. Penso resistenza: componente orizzontale sopra componente 19
14. Resistenza: componente orizzontale sopra componente 13
15. Resistenza: componente verticale sopra componente 14
16. Diodo, non riesco a leggere la sigla.
17. Resistenza (sul retro della scheda)
18. Resistenza (sul retro della scheda)
19. Diodo con sigla SM4007
Fino al componente 4, se non erro, viene stabilizzata la 220, il 5 la riduce, poi fino al TOP...fa quello che fa
Per continuare lo schema ho qualche diffcoltà, dato che si tratta di una PCB a 4 strati...faccio fatica a capire le piste dei componenti più piccoli, ma penso basti così. O sbaglio?
1
voti
A mio avviso cercare di riparare l'alimentatore senza avere la certezza che il circuito a valle funzioni è poco produttivo. Sarebbe preferibile alimentare il circuito a valle con un alimentatore (o più di uno in funzione delle tensioni necessarie) e vedere se Lazzaro si alza e cammina
Una volta appurato che tutto funziona passi alla riparazione. Diversamente il rischio di buttare tempo e denaro è elevato
Edit:
non avevo letto questo
Per risalire alle tensioni puoi guardare il datasheet dei componenti che trovi
Una volta appurato che tutto funziona passi alla riparazione. Diversamente il rischio di buttare tempo e denaro è elevato
Edit:
non avevo letto questo
La strada di isolare l'alimentazione e rimpiazzarla, se mi date una mano a capire quanti V e A vuole per funzionare, posso provarci
Per risalire alle tensioni puoi guardare il datasheet dei componenti che trovi
27 messaggi
• Pagina 1 di 3 • 1, 2, 3
Chi c’è in linea
Visitano il forum: Nessuno e 181 ospiti

Elettrotecnica e non solo (admin)
Un gatto tra gli elettroni (IsidoroKZ)
Esperienza e simulazioni (g.schgor)
Moleskine di un idraulico (RenzoDF)
Il Blog di ElectroYou (webmaster)
Idee microcontrollate (TardoFreak)
PICcoli grandi PICMicro (Paolino)
Il blog elettrico di carloc (carloc)
DirtEYblooog (dirtydeeds)
Di tutto... un po' (jordan20)
AK47 (lillo)
Esperienze elettroniche (marco438)
Telecomunicazioni musicali (clavicordo)
Automazione ed Elettronica (gustavo)
Direttive per la sicurezza (ErnestoCappelletti)
EYnfo dall'Alaska (mir)
Apriamo il quadro! (attilio)
H7-25 (asdf)
Passione Elettrica (massimob)
Elettroni a spasso (guidob)
Bloguerra (guerra)






