Buonasera a tutti,
Ho un dubbio su un esercizio riguardante un circuito retroazionato.
Considerate le resistenze di valore molto maggiore rispetto a 1/gm dei mosfet.
Entrambi i tagli e ricostruzioni dopo il taglio mi sembrano corrette, i guadagni d'anello in continua mi escono uguali in entrambi i casi, eppure la costante di tempo mi esce completamente diversa.
In un caso la resistenza vista dalla capacità è amplificata dall'effetto miller, nell'altro caso invece la costante di tempo è ridotta.
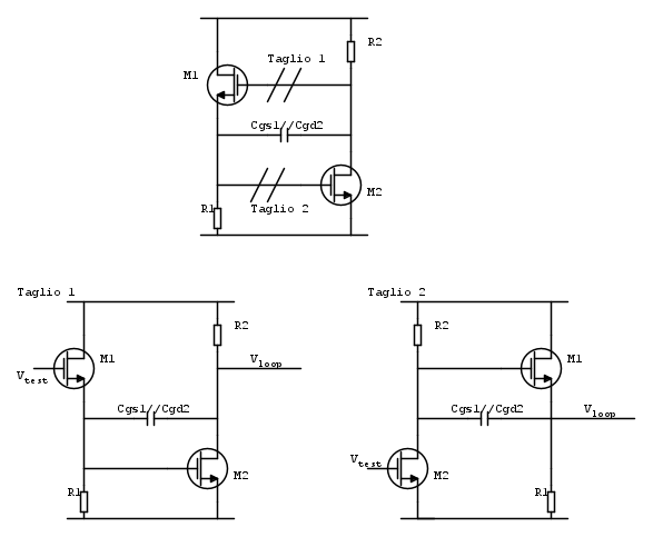
Tagliando attaccato al gate non dovrei riscostruire nessuna impedenza giusto?
Non riesco a capire dove sbaglio..
Dubbio taglio anello di retroazione.
Moderatori:
carloc,
g.schgor,
BrunoValente,
IsidoroKZ
8 messaggi
• Pagina 1 di 1
0
voti
Ultima modifica di
Franco012 il 19 ago 2020, 20:14, modificato 1 volta in totale.
Motivazione: Piccola correzione ortografica nel titolo.
Motivazione: Piccola correzione ortografica nel titolo.
-

MartinPescatore
25 4 - Messaggi: 37
- Iscritto il: 24 gen 2018, 19:13
1
voti
Io non so dirti come risolvere ma l'errore forse sta nel fatto che ci sono altri 2 anelli oltre al "principale", e tu nei due tagli una volta ne tagli uno e una volta tagli l'altro.
Così a occhio ti direi che è una cosa del genere ma non saprei bene come risolvere cioè dove tagliare "tagliando tutti e 3 gli anelli o solo il principale
Così a occhio ti direi che è una cosa del genere ma non saprei bene come risolvere cioè dove tagliare "tagliando tutti e 3 gli anelli o solo il principale
2
voti
Io, per non saper né leggere né scrivere, mi porrei una domanda: nonostante in linea di principio i due tagli forniscano due circuiti aventi gli stessi guadagni, sono realmente equivalenti tra di loro? A naso direi proprio di no con i conseguenti diversi comportamenti delle loro retroazioni interne (negativa nel primo e positiva nel secondo taglio).
0
voti
Intanto grazie per le risposte!
Assolutamente no ed è per questo che mi chiedevo dove sta lo sbaglio.
Il punto è che adesso non so come procedere per studiare la stabilità dell'anello (non è l'unica capacità rilevante del circuito).
Se non è possibile studiare il circuito ad anello aperto non mi resta che studiarlo direttamente in anello chiuso e quindi calcolo dello smorzamento (o Q factor) direttamente da lì?
Oppure ci sono altri metodi per tagliare in qualche punto correttamente ?
Vi ringrazio per l'aiuto!
Piercarlo ha scritto:sono realmente equivalenti tra di loro?
Assolutamente no ed è per questo che mi chiedevo dove sta lo sbaglio.
Il punto è che adesso non so come procedere per studiare la stabilità dell'anello (non è l'unica capacità rilevante del circuito).
Se non è possibile studiare il circuito ad anello aperto non mi resta che studiarlo direttamente in anello chiuso e quindi calcolo dello smorzamento (o Q factor) direttamente da lì?
Oppure ci sono altri metodi per tagliare in qualche punto correttamente ?
Vi ringrazio per l'aiuto!
-

MartinPescatore
25 4 - Messaggi: 37
- Iscritto il: 24 gen 2018, 19:13
0
voti
MartinPescatore ha scritto: Il punto è che adesso non so come procedere per studiare la stabilità dell'anello (non è l'unica capacità rilevante del circuito).
Se non è possibile studiare il circuito ad anello aperto non mi resta che studiarlo direttamente in anello chiuso e quindi calcolo dello smorzamento (o Q factor) direttamente da lì?
Io sceglierei tra i due tagli quello che può fornire le informazioni più significative (il primo, dove la capacità inclusa nella retroazione corrisponde ad un utilizzo come effettiva capacità di compensazione del circuito). Poi tutto dipende da cosa vogliono sapere da te al momento dell'esame. Nel secondo taglio la capacità svolge un ruolo di bootstrap spurio sul source del MOSFET di uscita che, di per sé, non pare influenzare significativamente la risposta del circuito.
5
voti
MartinPescatore ha scritto:Non riesco a capire dove sbaglio..
Rispondo con molto ritardo
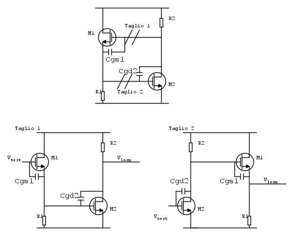
I due tagli che fai non sono equivalenti perche' il circuito da cui parti non riesce a rappresentare il circuito DOPO il taglio. Puoi mettere in parallelo Cgs1 e Cgd2 per trovare ad esempio i poli ad anello chiuso, ad esempio con la matrice delle ammettenze, ma nel momento in cui tagli l'anello le due capacita` non sono piu` in parallelo!
Il circuito su cui dovresti lavorare e` quello originale, nel quale si vede che dopo il taglio le due capacita` sono separate.
Da notare che i due guadagni di anello dipendono da dove tagli e hanno due poli, mentre la funzione finale ne ha uno solo. Se si fanno tutti i conti giusti, senza nessuna approssimazione, alla fine uno dei due poli si semplifica. Peccato pero` che usando il guadagno di anello i conti esatti non vengano mai fatti, si approssima sempre, perche' sono lunghi.
Per questo caso suggerisco di calcolare il guadagno di anello a bassa frequenza, guadagno a bassa frequenza e poi aggiungere i poli dopo. In questo caso e` facile perche' ad anello chiuso c'e` un polo solo, basta trovare la resistenza ad anello chiuso visto dalle due capacita` in parallelo.
Per usare proficuamente un simulatore, bisogna sapere molta più elettronica di lui
Plug it in - it works better!
Il 555 sta all'elettronica come Arduino all'informatica! (entrambi loro malgrado)
Se volete risposte rispondete a tutte le mie domande
Plug it in - it works better!
Il 555 sta all'elettronica come Arduino all'informatica! (entrambi loro malgrado)
Se volete risposte rispondete a tutte le mie domande
0
voti
Ciao Isidoro e grazie per la risposta
Ci avevo pensato anch'io e so benissimo che l'elettronica è una scienza approssimata, ma tagliando in quel modo non dovrei ricostruire delle impedenze nel punto in cui taglio?
Facciamola ancora più semplice, supponiamo che io non abbia mai scritto Cgs1 e Cgd2, e che ci sia una capacità fisica dominante rispetto alle eventuali Cgs1 e Cgd2 tra quei due nodi .
In quel caso tu per studiare il guadagno d'anello useresti il taglio 1 o 2?
perché oltre a dare due frequenze per il polo del guadagno d'anello completamente diverse, nel caso del taglio 1 risulterebbe uno zero positivo mentre nel caso del taglio 2 uno zero negativo.
ALla fine se calcolo il polo ad anello chiuso viene un risultato coerente e con il taglio 1.
Quello che mi interessa è capire perché il taglio 1 rappresenta meglio il circuito.
Ci avevo pensato anch'io e so benissimo che l'elettronica è una scienza approssimata, ma tagliando in quel modo non dovrei ricostruire delle impedenze nel punto in cui taglio?
Facciamola ancora più semplice, supponiamo che io non abbia mai scritto Cgs1 e Cgd2, e che ci sia una capacità fisica dominante rispetto alle eventuali Cgs1 e Cgd2 tra quei due nodi .
In quel caso tu per studiare il guadagno d'anello useresti il taglio 1 o 2?
perché oltre a dare due frequenze per il polo del guadagno d'anello completamente diverse, nel caso del taglio 1 risulterebbe uno zero positivo mentre nel caso del taglio 2 uno zero negativo.
ALla fine se calcolo il polo ad anello chiuso viene un risultato coerente e con il taglio 1.
Quello che mi interessa è capire perché il taglio 1 rappresenta meglio il circuito.
-

MartinPescatore
25 4 - Messaggi: 37
- Iscritto il: 24 gen 2018, 19:13
2
voti
Se consideri le capacita`, ricostruire le impedenze e` sempre complicato, di solito si preferisce calcolare solo il guadagno in bande in cui e` costante e poi si aggiungono gli effetti capacitivi in un secondo tempo.
Ci sono due (e mezzo) metodi per analizzare in modo sistematico i circuiti con retroazione.]
Il primo e` quello di rappresentare il circuito con due doppi bipoli. Si calcolano gli 8 parametri dei doppi bipoli e si calcola il comportamento del circuito con il guadgno di anello. Spesso e` possibile approssimare il comportamento trascurando uno o due degli 8 parametri. Trovi questo metodo sul Gray Meyer (e svariati altri libri). Metodo esatto ma decisamente pesante: le matrici da usare dipendono dal tipo di prelievo e di confronto.
Il mezzo metodo e` una semplificazione del precedente, ed e` quello che stai usando: lo si trova sul Millman Grabel, funziona se le approssimazioni proprie di quel metodo valgono per il circuito in esame e se si sa ricostruire correttamente l'impedenza sulla sezione di taglio.
Il secondo metodo invece fa uso del rapporto di ritorno calcolato rispetto a un generatore pilotato. Io lo preferisco perche' e` un metodo esatto ed e` sempre lo stesso, indipendentemente dal tipo di amplificatore. Lo si trova sul libro di Rosenstark e viene anche presentato qui. Un confronto fra i due metodi lo trovi qui
Per rispondere alla tua domanda, userei il metodo del rapporto di ritorno, tagliando il generatore di M2. Quando si cambia il transistore su cui si lavora (o dove si fa il taglio) cambia il rapporto di ritorno (o il guadagno di anello) ma se si fanno i conti completi i risultati dovrebbero essere uguali (tranne eventuali approssimazioni). Il problema del taglio e ripristino di impedenze e` che e` un metodo "artigianale", non sistematico, e talvolta lo si applica malamente
Ci sono due (e mezzo) metodi per analizzare in modo sistematico i circuiti con retroazione.]
Il primo e` quello di rappresentare il circuito con due doppi bipoli. Si calcolano gli 8 parametri dei doppi bipoli e si calcola il comportamento del circuito con il guadgno di anello. Spesso e` possibile approssimare il comportamento trascurando uno o due degli 8 parametri. Trovi questo metodo sul Gray Meyer (e svariati altri libri). Metodo esatto ma decisamente pesante: le matrici da usare dipendono dal tipo di prelievo e di confronto.
Il mezzo metodo e` una semplificazione del precedente, ed e` quello che stai usando: lo si trova sul Millman Grabel, funziona se le approssimazioni proprie di quel metodo valgono per il circuito in esame e se si sa ricostruire correttamente l'impedenza sulla sezione di taglio.
Il secondo metodo invece fa uso del rapporto di ritorno calcolato rispetto a un generatore pilotato. Io lo preferisco perche' e` un metodo esatto ed e` sempre lo stesso, indipendentemente dal tipo di amplificatore. Lo si trova sul libro di Rosenstark e viene anche presentato qui. Un confronto fra i due metodi lo trovi qui
Per rispondere alla tua domanda, userei il metodo del rapporto di ritorno, tagliando il generatore di M2. Quando si cambia il transistore su cui si lavora (o dove si fa il taglio) cambia il rapporto di ritorno (o il guadagno di anello) ma se si fanno i conti completi i risultati dovrebbero essere uguali (tranne eventuali approssimazioni). Il problema del taglio e ripristino di impedenze e` che e` un metodo "artigianale", non sistematico, e talvolta lo si applica malamente
Per usare proficuamente un simulatore, bisogna sapere molta più elettronica di lui
Plug it in - it works better!
Il 555 sta all'elettronica come Arduino all'informatica! (entrambi loro malgrado)
Se volete risposte rispondete a tutte le mie domande
Plug it in - it works better!
Il 555 sta all'elettronica come Arduino all'informatica! (entrambi loro malgrado)
Se volete risposte rispondete a tutte le mie domande
8 messaggi
• Pagina 1 di 1
Chi c’è in linea
Visitano il forum: Nessuno e 225 ospiti

Elettrotecnica e non solo (admin)
Un gatto tra gli elettroni (IsidoroKZ)
Esperienza e simulazioni (g.schgor)
Moleskine di un idraulico (RenzoDF)
Il Blog di ElectroYou (webmaster)
Idee microcontrollate (TardoFreak)
PICcoli grandi PICMicro (Paolino)
Il blog elettrico di carloc (carloc)
DirtEYblooog (dirtydeeds)
Di tutto... un po' (jordan20)
AK47 (lillo)
Esperienze elettroniche (marco438)
Telecomunicazioni musicali (clavicordo)
Automazione ed Elettronica (gustavo)
Direttive per la sicurezza (ErnestoCappelletti)
EYnfo dall'Alaska (mir)
Apriamo il quadro! (attilio)
H7-25 (asdf)
Passione Elettrica (massimob)
Elettroni a spasso (guidob)
Bloguerra (guerra)





