La proposta di stefanodelfiore è teoricamente buona, ma dove trovi un termistore adatto?
Propongo una soluzione vecchia e brutta:
Due relè uno ritardato circa 200 ms( con 100 ohm e 100uF nel circuito della bobina) che chiude fra 48V e il carico.
Un relè normale avente in serie ai contatti una lampadina 12V 5W
(oppure un resistore da 1 ohm 1 W) che limita la corrente allo spunto . Spero di essermi spiegato, non posso disegnare in fidocadj .
Non esistono soluzioni semplici e non costose.
Oppure lasciale cose come stanno , se si incollano i contatti sostituisci il relè .
Quale è la portata nominale del contatti del relè attuale ?
Montane uno più grosso.
Questo è un forum in cui si chiacchiera,
non un centro di progettazione gratuito di problemi mal definiti.
Pilotare transistor PNP e conseguenti dissipazioni
Moderatori:
carloc,
g.schgor,
BrunoValente,
IsidoroKZ
0
voti
Non mi convince
MarcoD ha scritto:La proposta di stefanodelfiore è teoricamente buona, ma dove trovi un termistore adatto?
Propongo una soluzione vecchia e brutta:
Due relè uno ritardato circa 200 ms( con 100 ohm e 100uF nel circuito della bobina) che chiude fra 48V e il carico.
Un relè normale avente in serie ai contatti una lampadina 12V 5W
(oppure un resistore da 1 ohm 1 W) che limita la corrente allo spunto . Spero di essermi spiegato, non posso disegnare in fidocadj .
Non esistono soluzioni semplici e non costose.
Anche questa soluzione era stata consigliata da un mio amico.. Tuttavia ho provato ad utilizzare vari valori di resistenza per vedere quale fosse la piú incline a limitare la scintilla.
4,7 Ohm non bastavano, e se non ricordo male (ma potrei tranquillamente ricordar male), ero arrivato a dover utilizzare una resistenza di 100 ohm per limitare la scintilla.
Peró potrei ricordar male, ripeto questa cosa.
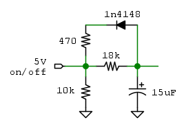
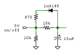
djnz ha scritto:Se proprio si vuole una rampa di alimentazione non istantanea (ma due secondi è esagerato, basta mezzo secondo) si deve accendere il MOS "piano piano" con qualcosa del genere. RX e CX stabiliscono il tempo di accensione completa. Il primo transistor fa da buffer per non caricare il filtro RC, il secondo transistor fa da generatore di corrente pilotato in tensione. La corrente nella resistenza da 3,3k sale "lentamente" e quindi la tensione Vgs ai capi della resistenza da 12k sale altrettanto lentamente:
Allora... Vediamo se riesco a buttar giú due calcoli
Intanto la resistenza da 470k non mi convince...
Essendo condensatori medesimi, la rete del transistor che accende il MOS consuma piú di quella del controllo, quindi credo che non vada bene (é un mio ragionamento, ma é possibilissimo che io sbagli).
Ho quindi ragionato che:
Ic1 = corrente del transistor "MOS" = 1,2mA
Ho quindi arbitrariamente deciso che Ic2 (corrente del transistor di buffer) sia di 2 mA.
Quindi, ho fatto i calcoli.
Rtr2 = 48v / 0,002A = 24kOhm
Ho scelto 22kOhm, che porta la corrente Ic2 a circa 2,1mA
Poi, ho calcolato la resistenza di base, che nello schema risulta Rx:
Ib = Ic / hfe = 2,1mA / 10 = 0,21 mA
Rb = (4,5v - 0,65v) / 0,00021A = 3,85 / 0,00021A = 18,3kOhm
Ho quindi messo come valore di Rb, 18kOhm.
Quindi, avendo Rx = 18kOhm, ed avendo che Tc (tempo di carica) é desiderato da 0,5 secondi, ho trovato che:
Tau = Tc / 5 = 0,1 sec.
Cx = Tau / Rx = 0,1 sec. / 18000 Ohm = 5,5uF
Per la R1 e la R2 dello schema, non saprei come calcolarle
Ma, cosa piú importante: ho sbagliato qualcosa? Se sí, cosa ho sbagliato?
0
voti
É molto approssimato, ma corretto
Un metodo migliore è calcolare quanto tempo impiega la tensione a raggiungere 1,2 V ( la tensione delle dueVbe per inizio conduzione), ma anche questo è criticabile.
Forse meglio usare un simulatore .
Oppure provare sul circuito reale .
Che potenza massima dissipa il MOS ?.
Se sono in gioco 48 V e 4 A,
la potenza max dissipata è 24 x 2 = 48 W,
il MOS li sopporta per qualche frazione di secondo?
E l'energia massima?
Un metodo migliore è calcolare quanto tempo impiega la tensione a raggiungere 1,2 V ( la tensione delle dueVbe per inizio conduzione), ma anche questo è criticabile.
Forse meglio usare un simulatore .
Oppure provare sul circuito reale .
Che potenza massima dissipa il MOS ?.
Se sono in gioco 48 V e 4 A,
la potenza max dissipata è 24 x 2 = 48 W,
il MOS li sopporta per qualche frazione di secondo?
E l'energia massima?
0
voti
MarcoD ha scritto:É molto approssimato, ma corretto
Un metodo migliore è calcolare quanto tempo impiega la tensione a raggiungere 1,2 V ( la tensione delle dueVbe per inizio conduzione), ma anche questo è criticabile.
Forse meglio usare un simulatore .
Oppure provare sul circuito reale .
Che potenza massima dissipa il MOS ?.
Se sono in gioco 48 V e 4 A,
la potenza max dissipata è 24 x 2 = 48 W,
il MOS li sopporta per qualche frazione di secondo?
E l'energia massima?
No, il MOS non dissiperá 48 Watt perché al momento della commutazione da 0,5 secondi il carico sará spento. Si accenderá solo ed esclusivamente quando il MOS sará giá al 100% (in saturazione? é corretto il termine per il MOS?)
Per la resistenza da 470k sostituita con quella da 22k, ho detto bene?
Grazie della risposta comunque
Comunque 200 Watt con Tc = 25 gradi
0
voti
AleEl ha scritto:MarcoD ha scritto:Per la resistenza da 470k sostituita con quella da 22k, ho detto bene?
No, lo scopo del buffer è di far credere a CX di avere a destra una resistenza di circa 10 Mohm, in modo da far lavorare la rete RX-CX nel modo più ideale possibile. Se abbassi la Re da 470k vanifichi lo scopo del buffer, inizi ad assorbire una corrente non trascurabile attraverso RX e i conti non tornano più
La R1 serve a scaricare rapidamente CX quando l'ingresso viene portato a 0V, deve essere abbastanza grande da limitare la corrente al valore ammesso dalla porta di Arduino che comanda il tutto (tipicamente un 10mA ve bene ma dipende da micro a micro). La R2 è solo una pull-down per tenere tutto sicuramente spento e scarico se all'ingresso non è collegato nulla, quindi una 10k va bene.
0
voti
djnz ha scritto:No, lo scopo del buffer è di far credere a CX di avere a destra una resistenza di circa 10 Mohm, in modo da far lavorare la rete RX-CX nel modo più ideale possibile. Se abbassi la Re da 470k vanifichi lo scopo del buffer, inizi ad assorbire una corrente non trascurabile attraverso RX e i conti non tornano più
La R1 serve a scaricare rapidamente CX quando l'ingresso viene portato a 0V, deve essere abbastanza grande da limitare la corrente al valore ammesso dalla porta di Arduino che comanda il tutto (tipicamente un 10mA ve bene ma dipende da micro a micro). La R2 è solo una pull-down per tenere tutto sicuramente spento e scarico se all'ingresso non è collegato nulla, quindi una 10k va bene.
Quindi mantengo tutti i valori scritti nello schema?
Purtroppo le sigle che ho io nel simulatore non ci sono
0
voti
MarcoD ha scritto:
Propongo una soluzione vecchia e brutta:
Due relè uno ritardato circa 200 ms( con 100 ohm e 100uF nel circuito della bobina) che chiude fra 48V e il carico.
Un relè normale avente in serie ai contatti una lampadina 12V 5W
(oppure un resistore da 1 ohm 1 W) che limita la corrente allo spunto . Spero di essermi spiegato, non posso disegnare in fidocadj .
Marco,
e un induttore ben dimensionato (con relativo diodo antiparallelo) in serie potrebbe limitare lo spunto? non servirebbe nemmeno il relè di bypass, essendo in continua, se avesse una resistenza trascurabile..
0
voti
AleEl ha scritto:Quindi mantengo tutti i valori scritti nello schema?
Purtroppo le sigle che ho io nel simulatore non ci sono
Non saprei, il mio simulatore preferito sono sempre stati componenti e misure
È da provare. Solo tau la porterei verso i 0,3s perché fino a 0,27tau non conduce ancora niente, e poi fino a 2tau si ha praticamente tutta l'escursione fino all'86%, quindi in 1,73tau si gioca tutta l'attivazione.
0
voti
Lo schema del post 52 può funzionare.
Tuttavia aggiungerei un resistore da 4,7k
fra il collettore del primo transistor e il +48V.
Serve a limitare la dissipazione del transistor, magari non serve, ma se qualche calcolo o resistore è errato lo protegge.
Oppure alimentare il transistor da un +12 V , al limite dal +5V Arduino.
Tuttavia aggiungerei un resistore da 4,7k
fra il collettore del primo transistor e il +48V.
Serve a limitare la dissipazione del transistor, magari non serve, ma se qualche calcolo o resistore è errato lo protegge.
Oppure alimentare il transistor da un +12 V , al limite dal +5V Arduino.
0
voti
Xchriss1414
Teoricamente buono.
Prova a dimensionare un induttore da supponiamo 10 mH e corrente 3 o 4 A. viene grande pesante e costoso .
Poi quando varia l'assorbimento del converte può generare extratensiibi maggiori dei 48 V.
L' esperienza stare il più possibile alla larga degli induttori
Poi se sei bravo puoi provare
Teoricamente buono.
Prova a dimensionare un induttore da supponiamo 10 mH e corrente 3 o 4 A. viene grande pesante e costoso .
Poi quando varia l'assorbimento del converte può generare extratensiibi maggiori dei 48 V.
L' esperienza stare il più possibile alla larga degli induttori
Poi se sei bravo puoi provare
Chi c’è in linea
Visitano il forum: Nessuno e 39 ospiti

Elettrotecnica e non solo (admin)
Un gatto tra gli elettroni (IsidoroKZ)
Esperienza e simulazioni (g.schgor)
Moleskine di un idraulico (RenzoDF)
Il Blog di ElectroYou (webmaster)
Idee microcontrollate (TardoFreak)
PICcoli grandi PICMicro (Paolino)
Il blog elettrico di carloc (carloc)
DirtEYblooog (dirtydeeds)
Di tutto... un po' (jordan20)
AK47 (lillo)
Esperienze elettroniche (marco438)
Telecomunicazioni musicali (clavicordo)
Automazione ed Elettronica (gustavo)
Direttive per la sicurezza (ErnestoCappelletti)
EYnfo dall'Alaska (mir)
Apriamo il quadro! (attilio)
H7-25 (asdf)
Passione Elettrica (massimob)
Elettroni a spasso (guidob)
Bloguerra (guerra)








