Thevenin - Circuito
Moderatori:
g.schgor,
IsidoroKZ
14 messaggi
• Pagina 1 di 2 • 1, 2
0
voti
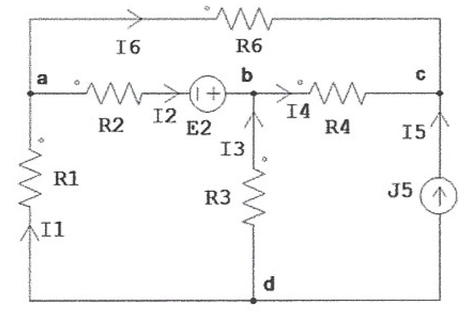
Ciao a tutti, ho questo circuito di cui devo calcolare il generatore equivalente alla Thevenin ai capi della resistenza R3. So come procedere ma quando calcolo la tensione a vuoto ai capi di R3 ho un problema. Per prima cosa spengo il generatore di corrente, ottenendo un tratto aperto. A quel punto non so come procedere. Lo svolgimento mi dice che Vth = E2 * (R4+R6)/(R4+R6+R2), ma perché accade ciò? Qualcuno potrebbe dirmi quali sono le considerazioni per arrivarci? Sono alle primissime armi con Elettrotecnica 1, quindi molto probabilmente la mia domanda potrà sembrare molto banale per voi. Vi ringrazio
0
voti
Vuoi applicare il PSE?
Ti consiglio di tradurre quanto hai scritto nella nuova rete oggetto di studio.
Quante maglie ha il nuovo circuito e quale regola puoi applicare?
Ti consiglio di tradurre quanto hai scritto nella nuova rete oggetto di studio.
Quante maglie ha il nuovo circuito e quale regola puoi applicare?
Il Conte di Montecristo
Se non studio un giorno, me ne accorgo io. Se non studio due giorni, se ne accorge il pubblico.
Io devo studiare sodo e preparare me stesso perché prima o poi verrà il mio momento.
Abraham Lincoln
Se non studio un giorno, me ne accorgo io. Se non studio due giorni, se ne accorge il pubblico.
Io devo studiare sodo e preparare me stesso perché prima o poi verrà il mio momento.
Abraham Lincoln
-

EdmondDantes
11,9k 8 11 13 - Disattivato su sua richiesta
- Messaggi: 3619
- Iscritto il: 25 lug 2009, 22:18
- Località: Marsiglia
0
voti
Si, devo applicare il principio di sovrapposizione degli effetti. Io avevo pensato di risolverlo tramite la regola del partitore, però se ci sono altri metodi mi farebbe piacere conoscerli. Grazie
0
voti
Ecco.
Se disegni la nuova rete e il riferimento del potenziale, ti accorgerai che devi calcolare la tensione ai capi della serie R4 e R6.
Se disegni la nuova rete e il riferimento del potenziale, ti accorgerai che devi calcolare la tensione ai capi della serie R4 e R6.
Il Conte di Montecristo
Se non studio un giorno, me ne accorgo io. Se non studio due giorni, se ne accorge il pubblico.
Io devo studiare sodo e preparare me stesso perché prima o poi verrà il mio momento.
Abraham Lincoln
Se non studio un giorno, me ne accorgo io. Se non studio due giorni, se ne accorge il pubblico.
Io devo studiare sodo e preparare me stesso perché prima o poi verrà il mio momento.
Abraham Lincoln
-

EdmondDantes
11,9k 8 11 13 - Disattivato su sua richiesta
- Messaggi: 3619
- Iscritto il: 25 lug 2009, 22:18
- Località: Marsiglia
0
voti
"Non farei mai parte di un club che accettasse la mia iscrizione" (G. Marx)
-

claudiocedrone
21,3k 4 7 9 - Master EY

- Messaggi: 15300
- Iscritto il: 18 gen 2012, 13:36
0
voti
Leggi ciò che ti ho linkato per favore, le foto di schizzi a mano libera non sono accettabili da regolamento.
"Non farei mai parte di un club che accettasse la mia iscrizione" (G. Marx)
-

claudiocedrone
21,3k 4 7 9 - Master EY

- Messaggi: 15300
- Iscritto il: 18 gen 2012, 13:36
0
voti
E nel rifare il disegno, elimina anche le resistenze (o la resistenza
) inutili.
Il Conte di Montecristo
Se non studio un giorno, me ne accorgo io. Se non studio due giorni, se ne accorge il pubblico.
Io devo studiare sodo e preparare me stesso perché prima o poi verrà il mio momento.
Abraham Lincoln
Se non studio un giorno, me ne accorgo io. Se non studio due giorni, se ne accorge il pubblico.
Io devo studiare sodo e preparare me stesso perché prima o poi verrà il mio momento.
Abraham Lincoln
-

EdmondDantes
11,9k 8 11 13 - Disattivato su sua richiesta
- Messaggi: 3619
- Iscritto il: 25 lug 2009, 22:18
- Località: Marsiglia
0
voti
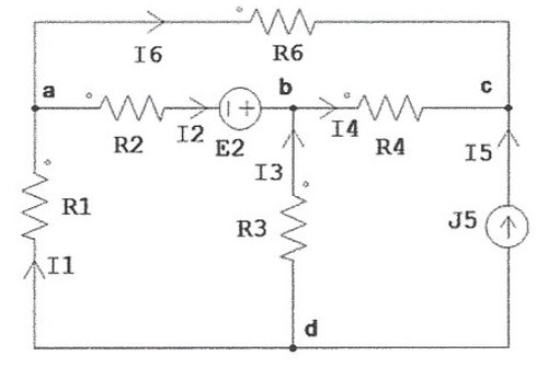
Lo so che non dovrei postare circuiti disegnati a mano, ma come ho già scritto più volte il mio Mac non mi fa scaricare FidoCadJ. In ogni caso la resistenza da eliminare è la R1. Però perché la tensione è da calcolare su R6 e R4 e non su R2?
0
voti
Nel nuovo circuito il nodo d con quale nodo coincide? E di conseguenza, la tensione fra i nodi b e d a che tensione corrisponde?
Il Conte di Montecristo
Se non studio un giorno, me ne accorgo io. Se non studio due giorni, se ne accorge il pubblico.
Io devo studiare sodo e preparare me stesso perché prima o poi verrà il mio momento.
Abraham Lincoln
Se non studio un giorno, me ne accorgo io. Se non studio due giorni, se ne accorge il pubblico.
Io devo studiare sodo e preparare me stesso perché prima o poi verrà il mio momento.
Abraham Lincoln
-

EdmondDantes
11,9k 8 11 13 - Disattivato su sua richiesta
- Messaggi: 3619
- Iscritto il: 25 lug 2009, 22:18
- Località: Marsiglia
14 messaggi
• Pagina 1 di 2 • 1, 2
Torna a Elettrotecnica generale
Chi c’è in linea
Visitano il forum: Nessuno e 18 ospiti

Elettrotecnica e non solo (admin)
Un gatto tra gli elettroni (IsidoroKZ)
Esperienza e simulazioni (g.schgor)
Moleskine di un idraulico (RenzoDF)
Il Blog di ElectroYou (webmaster)
Idee microcontrollate (TardoFreak)
PICcoli grandi PICMicro (Paolino)
Il blog elettrico di carloc (carloc)
DirtEYblooog (dirtydeeds)
Di tutto... un po' (jordan20)
AK47 (lillo)
Esperienze elettroniche (marco438)
Telecomunicazioni musicali (clavicordo)
Automazione ed Elettronica (gustavo)
Direttive per la sicurezza (ErnestoCappelletti)
EYnfo dall'Alaska (mir)
Apriamo il quadro! (attilio)
H7-25 (asdf)
Passione Elettrica (massimob)
Elettroni a spasso (guidob)
Bloguerra (guerra)
