Carissimi.
Non riesco a visualizzare la risoluzione di questo circuito, qualcuno può darmi una mano?
[HELP]Risoluzione circuiti del secondo ordine.
Moderatori:
g.schgor,
IsidoroKZ
33 messaggi
• Pagina 1 di 4 • 1, 2, 3, 4
0
voti
RenzoDF ha scritto:Puoi postare il tuo tentativo di soluzione?
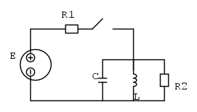
Eccola, spero si capisca.
La cosa che non riesco a capire è, se l'interruttore apre in t=0, per t>0 come devo comportarmi?
Non ho corrente in ingresso sui componenti dinamici, dunque posso considerare solo la scarica di condensatore ed induttore, ma non ho ben chiaro come andare ad effettuare questa considerazione.
Forse sto confondendo tutto
1
voti
L'interruttore si apre per t=0 e chiaramente rimane successivamente aperto per t>0.
Per t<0 vai a ricavarti, come hai fatto, le condizioni iniziali per vC e iL, ma ora devi scrivere le due equazioni differenziali che legano l'evoluzione della rete per t>0, andando ad usare le relazioni costitutive per i tre bipoli R, L e C, fra correnti e tensioni.
Per t<0 vai a ricavarti, come hai fatto, le condizioni iniziali per vC e iL, ma ora devi scrivere le due equazioni differenziali che legano l'evoluzione della rete per t>0, andando ad usare le relazioni costitutive per i tre bipoli R, L e C, fra correnti e tensioni.
"Il circuito ha sempre ragione" (Luigi Malesani)
0
voti
Si, non capisco come impostare le Kirchhoff in modo da avere delle caratteristiche sensate.
perché non avendo correnti entranti, considerare la corrente di scarica del condensatore non mi porterebbe a una considerazione delle correnti fluenti nei componenti dinamici, perché va nel negativo del generatore, quindi a massa.
Non mi è mai capitato di perdermi così in un esercizio.
perché non avendo correnti entranti, considerare la corrente di scarica del condensatore non mi porterebbe a una considerazione delle correnti fluenti nei componenti dinamici, perché va nel negativo del generatore, quindi a massa.
Non mi è mai capitato di perdermi così in un esercizio.
1
voti
Non so se conosci il metodo del "circuito resistivo associato", ad ogni modo, in questo caso, è semplice ricavare le due relazioni osservando che:
via KVL all'anello sinistro, assumendo per vL il positivo sul morsetto superiore

e via KCL , assumendo iR e iC verso il basso, a uno dei due nodi

NB Ti ricordo che il testo richiede di usare il metodo delle equazioni di stato, che normalmente sottintende la rappresentazione matriciale del sistema.
via KVL all'anello sinistro, assumendo per vL il positivo sul morsetto superiore

e via KCL , assumendo iR e iC verso il basso, a uno dei due nodi

NB Ti ricordo che il testo richiede di usare il metodo delle equazioni di stato, che normalmente sottintende la rappresentazione matriciale del sistema.
"Il circuito ha sempre ragione" (Luigi Malesani)
0
voti
Ci avevo pensato anch'io, ma non ne ero troppo sicuro.
Assumendo questa sicurezza sono andato avanti, ottenendo questo risultato. Che ne pensi?
P.S. In caso non si dovesse capire, trascriverò i procedimenti.
Assumendo questa sicurezza sono andato avanti, ottenendo questo risultato. Che ne pensi?
P.S. In caso non si dovesse capire, trascriverò i procedimenti.
1
voti
Ecco, bravo, riscrivi tutto per bene, possibilmente usando codice Latex.
Usa per esempio
https://www.codecogs.com/latex/eqneditor.php
e includi il codice fra i tag
... occhio, controlla prima di trascrivere che mi sembra di vedere un bell'errore.
Usa per esempio
https://www.codecogs.com/latex/eqneditor.php
e includi il codice fra i tag
- Codice: Seleziona tutto
[tex][/tex]
... occhio, controlla prima di trascrivere che mi sembra di vedere un bell'errore.
"Il circuito ha sempre ragione" (Luigi Malesani)
2
voti
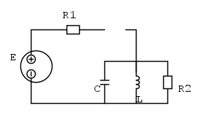
Dunque, il circuito è questo:
Dati:![R_1 =3[Ohm]; R_2 =4[Ohm];
L=0,5 [H]; C=0,125[F];
E=9[V] R_1 =3[Ohm]; R_2 =4[Ohm];
L=0,5 [H]; C=0,125[F];
E=9[V]](/forum/latexrender/pictures/d474b2daec726946cccf353467cf1a48.png)
Svolgo l'analisi dei casi:
Considerando che l'interruttore apre in t=0, rimanendo chiuso per un lungo periodo di tempo, allora considero il circuito per t<0 in regime stazionario, con i componenti dinamici scarichi dunque:

A questo punto, le mie condizioni iniziali saranno date da:
![i_L(0^-)=E/R_1=3[A];
V_C(0^-)=E-V_R=0[V] i_L(0^-)=E/R_1=3[A];
V_C(0^-)=E-V_R=0[V]](/forum/latexrender/pictures/54d87d55e3d570a3cc0d0d3f4d150979.png)
Considero dunque la risposta permanente:
![i_L( \infty)=0[A]; V_C( \infty)=0[V] i_L( \infty)=0[A]; V_C( \infty)=0[V]](/forum/latexrender/pictures/7df9b9473e0b4b684eb4a51baacf109b.png)
Una volta qui, proseguo verso l'analisi del transitorio:
A questo punto considero le Kirchhoff alle maglie:
Non considero generatore e resistore R1 in quanto serie ad un circuito aperto, incrociano quindi una resistenza infinita, dunque non esiste flusso di corrente su quel ramo.


Considero dunque la Kirchhoff alle correnti:

A questo punto:



A questo punto aggiungo le caratteristiche differenziali degli elementi dinamici:

![dV_C(t)/dt =8*[-V_L/4+V_c/4-i_L]; dV_C(t)/dt =8*[-V_L/4+V_c/4-i_L];](/forum/latexrender/pictures/1b6e6718c1c7bc11fdc12538b557914d.png)
![di_L/dt=2*[V_c-4i_c-4i_L] di_L/dt=2*[V_c-4i_c-4i_L]](/forum/latexrender/pictures/d629e61a0737963c58e0d4bfa60e2bc2.png)
A questo punto proseguo con il calcolo della costante di smorzamento e la pulsazione di risonanza:

La costante di smorzamento sarà uguale alla metà della traccia (della matrice) invertita di segno, dunque:![a=5[1/s]; a=5[1/s];](/forum/latexrender/pictures/6fef696cc601bc0dbbccd72e1874a7bb.png)
La pulsazione di risonanza sarà uguale alla radice quadrata del determinante:
![w_0=5.65 [rad/s] w_0=5.65 [rad/s]](/forum/latexrender/pictures/4f02e311239e7dd5a3e80fb374d9d926.png)
Dato che
allora il circuito è sottosmorzato, dunque:


Le costanti A, dipendenti dalle condizioni iniziali:

Dunque, l'espressione temporale della
sarà:
![V_c(t)=-9,09cos(2,64t)e^{-5t}[V] V_c(t)=-9,09cos(2,64t)e^{-5t}[V]](/forum/latexrender/pictures/86e051e7cd6a79db142ee8fd63fc662d.png)
Mi scuso se ho commesso delle imprecisioni o degli errori nella scrittura.
P.S. Personalmente, non sono per niente convinto da questo svolgimento.
Dati:
![R_1 =3[Ohm]; R_2 =4[Ohm];
L=0,5 [H]; C=0,125[F];
E=9[V] R_1 =3[Ohm]; R_2 =4[Ohm];
L=0,5 [H]; C=0,125[F];
E=9[V]](/forum/latexrender/pictures/d474b2daec726946cccf353467cf1a48.png)
Svolgo l'analisi dei casi:
Considerando che l'interruttore apre in t=0, rimanendo chiuso per un lungo periodo di tempo, allora considero il circuito per t<0 in regime stazionario, con i componenti dinamici scarichi dunque:

A questo punto, le mie condizioni iniziali saranno date da:
![i_L(0^-)=E/R_1=3[A];
V_C(0^-)=E-V_R=0[V] i_L(0^-)=E/R_1=3[A];
V_C(0^-)=E-V_R=0[V]](/forum/latexrender/pictures/54d87d55e3d570a3cc0d0d3f4d150979.png)
Considero dunque la risposta permanente:
![i_L( \infty)=0[A]; V_C( \infty)=0[V] i_L( \infty)=0[A]; V_C( \infty)=0[V]](/forum/latexrender/pictures/7df9b9473e0b4b684eb4a51baacf109b.png)
Una volta qui, proseguo verso l'analisi del transitorio:
A questo punto considero le Kirchhoff alle maglie:
Non considero generatore e resistore R1 in quanto serie ad un circuito aperto, incrociano quindi una resistenza infinita, dunque non esiste flusso di corrente su quel ramo.


Considero dunque la Kirchhoff alle correnti:

A questo punto:



A questo punto aggiungo le caratteristiche differenziali degli elementi dinamici:

![dV_C(t)/dt =8*[-V_L/4+V_c/4-i_L]; dV_C(t)/dt =8*[-V_L/4+V_c/4-i_L];](/forum/latexrender/pictures/1b6e6718c1c7bc11fdc12538b557914d.png)
![di_L/dt=2*[V_c-4i_c-4i_L] di_L/dt=2*[V_c-4i_c-4i_L]](/forum/latexrender/pictures/d629e61a0737963c58e0d4bfa60e2bc2.png)
A questo punto proseguo con il calcolo della costante di smorzamento e la pulsazione di risonanza:

La costante di smorzamento sarà uguale alla metà della traccia (della matrice) invertita di segno, dunque:
![a=5[1/s]; a=5[1/s];](/forum/latexrender/pictures/6fef696cc601bc0dbbccd72e1874a7bb.png)
La pulsazione di risonanza sarà uguale alla radice quadrata del determinante:
![w_0=5.65 [rad/s] w_0=5.65 [rad/s]](/forum/latexrender/pictures/4f02e311239e7dd5a3e80fb374d9d926.png)
Dato che
allora il circuito è sottosmorzato, dunque:

Le costanti A, dipendenti dalle condizioni iniziali:

Dunque, l'espressione temporale della
sarà:![V_c(t)=-9,09cos(2,64t)e^{-5t}[V] V_c(t)=-9,09cos(2,64t)e^{-5t}[V]](/forum/latexrender/pictures/86e051e7cd6a79db142ee8fd63fc662d.png)
Mi scuso se ho commesso delle imprecisioni o degli errori nella scrittura.
P.S. Personalmente, non sono per niente convinto da questo svolgimento.
0
voti
Vedo che non hai seguito il consiglio che ti avevo dato ...
Eccoli gli errori.
dlfdnc ha scritto: ... A questo punto:...
Eccoli gli errori.
"Il circuito ha sempre ragione" (Luigi Malesani)
33 messaggi
• Pagina 1 di 4 • 1, 2, 3, 4
Torna a Elettrotecnica generale
Chi c’è in linea
Visitano il forum: Nessuno e 73 ospiti

Elettrotecnica e non solo (admin)
Un gatto tra gli elettroni (IsidoroKZ)
Esperienza e simulazioni (g.schgor)
Moleskine di un idraulico (RenzoDF)
Il Blog di ElectroYou (webmaster)
Idee microcontrollate (TardoFreak)
PICcoli grandi PICMicro (Paolino)
Il blog elettrico di carloc (carloc)
DirtEYblooog (dirtydeeds)
Di tutto... un po' (jordan20)
AK47 (lillo)
Esperienze elettroniche (marco438)
Telecomunicazioni musicali (clavicordo)
Automazione ed Elettronica (gustavo)
Direttive per la sicurezza (ErnestoCappelletti)
EYnfo dall'Alaska (mir)
Apriamo il quadro! (attilio)
H7-25 (asdf)
Passione Elettrica (massimob)
Elettroni a spasso (guidob)
Bloguerra (guerra)





