Problema con integrato RC4136N
Moderatori:
carloc,
g.schgor,
BrunoValente,
IsidoroKZ
1
voti
Mah... in tal caso mi pare non occorra alcuna stabilizzazione, se lavorano in controfase le variazioni (ripple etc.) si elidono reciprocamente, così per le alimentazioni anodiche come per le polarizzazioni di griglia 
"Non farei mai parte di un club che accettasse la mia iscrizione" (G. Marx)
-

claudiocedrone
21,3k 4 7 9 - Master EY

- Messaggi: 15302
- Iscritto il: 18 gen 2012, 13:36
0
voti
Buonasera a tutti,
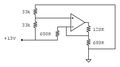
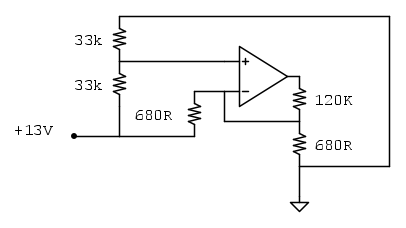
Riuppo questo vecchio post perché, ancora una volta, sto rischiando un esaurimento nervoso per colpa di questo integrato. Dunque, memore dei vostri passati insegnamenti, mi sono messo a progettare un preamplificatore con questo maledetto RC4136N. L'idea è quella di preamplificare i due rami di una linea bilanciata, quindi sto realizzando due circuiti identici che ovviamente useranno un opamp ciascuno (gli altri due operazionali mi serviranno in seguito, ma per il momento i loro pin sono scollegati da qualsiasi cosa). Di seguito lo schema per singola linea:
La cosa assurda è che uno dei due canali funziona a modo (al netto di qualche oscillazione che conto di estinguere in un secondo momento bypassando la resistenza da 120k con una piccola capacità), mentre l'altro (identico al primo) non vuole saperne di funzionare (non osservo nessun segnale in uscita, fino a quando compare improvvisamente una forma d'onda fortemente distorta. Come fosse una sinusoide completamente appiattita sulla parte superiore).
Ho controllato le tensioni sui due terminali di ingresso e si attestano tutte e due intorno ai 6.5V; ho provato a rimuovere l'integrato e verificare i valori di resistenza mettendo i puntali del tester nel socket e controllato i collegamenti 100 volte; ho provato a sostituire almeno 3 integrati. Niente di niente. Tutto sembra ok, ma quel canale non vuole saperne di funzionare. L'unica stranezza che ho notato è che, mentre nel canale "buono" l'uscita dell'integrato si attesta attorno ai 10V, in quello non funzionante misuro oltre 12V (come se non esistesse il feedback, visto che il terminale positivo si trova qualche decina di mV più in altorispetto a quello negativo).
Avete qualche suggerimento?
Grazie a chi vorrà aiutarmi.
Damiano
Riuppo questo vecchio post perché, ancora una volta, sto rischiando un esaurimento nervoso per colpa di questo integrato. Dunque, memore dei vostri passati insegnamenti, mi sono messo a progettare un preamplificatore con questo maledetto RC4136N. L'idea è quella di preamplificare i due rami di una linea bilanciata, quindi sto realizzando due circuiti identici che ovviamente useranno un opamp ciascuno (gli altri due operazionali mi serviranno in seguito, ma per il momento i loro pin sono scollegati da qualsiasi cosa). Di seguito lo schema per singola linea:
La cosa assurda è che uno dei due canali funziona a modo (al netto di qualche oscillazione che conto di estinguere in un secondo momento bypassando la resistenza da 120k con una piccola capacità), mentre l'altro (identico al primo) non vuole saperne di funzionare (non osservo nessun segnale in uscita, fino a quando compare improvvisamente una forma d'onda fortemente distorta. Come fosse una sinusoide completamente appiattita sulla parte superiore).
Ho controllato le tensioni sui due terminali di ingresso e si attestano tutte e due intorno ai 6.5V; ho provato a rimuovere l'integrato e verificare i valori di resistenza mettendo i puntali del tester nel socket e controllato i collegamenti 100 volte; ho provato a sostituire almeno 3 integrati. Niente di niente. Tutto sembra ok, ma quel canale non vuole saperne di funzionare. L'unica stranezza che ho notato è che, mentre nel canale "buono" l'uscita dell'integrato si attesta attorno ai 10V, in quello non funzionante misuro oltre 12V (come se non esistesse il feedback, visto che il terminale positivo si trova qualche decina di mV più in altorispetto a quello negativo).
Avete qualche suggerimento?
Grazie a chi vorrà aiutarmi.
Damiano
0
voti
Damn87 ha scritto: ...come se non esistesse il feedback...
In primis verifica i vari collegamenti poiché magari qualche connessione fasulla ti apre proprio l'anello di reazione di quella sezione;
Damn87 ha scritto: ...gli altri due operazionali mi serviranno in seguito, ma per il momento i loro pin sono scollegati da qualsiasi cosa...
ecco, p. es. questa è una cosa assolutamente da evitare, i terminali di ingressi e uscita delle sezioni non utilizzate di doppi e quadrupli opamp non vanno mai lasciati flottanti; a proposito ci sono state diverse discussioni in proposito e tra poco te ne linko una proprio di questi giorni.
"Non farei mai parte di un club che accettasse la mia iscrizione" (G. Marx)
-

claudiocedrone
21,3k 4 7 9 - Master EY

- Messaggi: 15302
- Iscritto il: 18 gen 2012, 13:36
0
voti
Le connessioni sono ok, se controllo con il tester le connessioni del socket vedo 119.4 kohm
Questo non lo sapevo! Dite che potrebbe essere la causa di questo malfunzionamento?
ecco, p. es. questa è una cosa assolutamente da evitare, i terminali di ingressi e uscita delle sezioni non utilizzate di doppi e quadrupli opamp non vanno mai lasciati flottanti; a proposito ci sono state diverse discussioni in proposito e tra poco te ne linko una proprio di questi giorni.
Questo non lo sapevo! Dite che potrebbe essere la causa di questo malfunzionamento?
0
voti
Il tuo circuito Fig. 1a dovrebbe comportarsi (sic) cosi'.
Potresti pubblicare i conti che hai fatto per dimensionare il circuito?
Il circuito "corretto" di Fig.1b dovrebbe funzionare.
Ha un guadagno -1 (uno, invertente)
In generale, se vuoi variare il guadagno, tieni "fissa" R2 e varia R1.

Il condensatore C e' "obbligatorio".
Potresti pubblicare i conti che hai fatto per dimensionare il circuito?
Il circuito "corretto" di Fig.1b dovrebbe funzionare.
Ha un guadagno -1 (uno, invertente)
In generale, se vuoi variare il guadagno, tieni "fissa" R2 e varia R1.

Il condensatore C e' "obbligatorio".
0
voti
Il tuo circuito funzionerebbe se non si mettesse di mezzo offset e qualche altro accidente. Che funzione vuoi ottenere? Prova il circuito di
elfo, che funziona!
Per usare proficuamente un simulatore, bisogna sapere molta più elettronica di lui
Plug it in - it works better!
Il 555 sta all'elettronica come Arduino all'informatica! (entrambi loro malgrado)
Se volete risposte rispondete a tutte le mie domande
Plug it in - it works better!
Il 555 sta all'elettronica come Arduino all'informatica! (entrambi loro malgrado)
Se volete risposte rispondete a tutte le mie domande
0
voti
Qui puoi scaricare il libro
Audio/Radio Handbook della National Semiconductor
Un "Must" classico per chi "traffica" con l'audio
http://bitsavers.trailing-edge.com/comp ... ndbook.pdf
Audio/Radio Handbook della National Semiconductor
Un "Must" classico per chi "traffica" con l'audio
http://bitsavers.trailing-edge.com/comp ... ndbook.pdf
0
voti
Innanzi tutto grazie a tutti per le risposte.
Per
elfo: in realtà ho detrminato i valori sperimentalmente su breadboard. Comunque 120000/680 restituisce un valore di circa 170, non distante da quello che avevo misurato.
Mi ero dimenticato di specificarlo, ma l'operazionale lavora in modalità non invertente:
Quello che proprio mi lascia basito è che un canale funziona e uno no. Se lo chema è sbagliato è sbagliato per tutti e due gli opamp
Per
IsidoroKZ: per "offset" intendi qualche violazione delle condizioni di utilizzo? Non capisco, sono stato attento a polarizzare i terminali in modo simmetrico rispetto all'alimentazione
Per
Mi ero dimenticato di specificarlo, ma l'operazionale lavora in modalità non invertente:
Quello che proprio mi lascia basito è che un canale funziona e uno no. Se lo chema è sbagliato è sbagliato per tutti e due gli opamp
Per
Chi c’è in linea
Visitano il forum: Nessuno e 251 ospiti

Elettrotecnica e non solo (admin)
Un gatto tra gli elettroni (IsidoroKZ)
Esperienza e simulazioni (g.schgor)
Moleskine di un idraulico (RenzoDF)
Il Blog di ElectroYou (webmaster)
Idee microcontrollate (TardoFreak)
PICcoli grandi PICMicro (Paolino)
Il blog elettrico di carloc (carloc)
DirtEYblooog (dirtydeeds)
Di tutto... un po' (jordan20)
AK47 (lillo)
Esperienze elettroniche (marco438)
Telecomunicazioni musicali (clavicordo)
Automazione ed Elettronica (gustavo)
Direttive per la sicurezza (ErnestoCappelletti)
EYnfo dall'Alaska (mir)
Apriamo il quadro! (attilio)
H7-25 (asdf)
Passione Elettrica (massimob)
Elettroni a spasso (guidob)
Bloguerra (guerra)







