Balun con amplificatori operazionali
Moderatori:
carloc,
g.schgor,
BrunoValente,
IsidoroKZ
22 messaggi
• Pagina 2 di 3 • 1, 2, 3
0
voti
Grazie del suggerimento
IsidoroKZ. Purtroppo non mi è possibile usare un alimentazione duale. Sto realizzando questo dispositivo per un amico musicista e per ragioni di praticità d'uso dovrà essere alimentato dalla presa a 12V della pedaliera.
0
voti
Ma i balun non sono bidirezionali?
"Non farei mai parte di un club che accettasse la mia iscrizione" (G. Marx)
-

claudiocedrone
21,3k 4 7 9 - Master EY

- Messaggi: 15300
- Iscritto il: 18 gen 2012, 13:36
0
voti
Quelli passivi si`, ma se il segnale va sempre nella stessa direzione puoi farlo attivo unidirezionale.
Per usare proficuamente un simulatore, bisogna sapere molta più elettronica di lui
Plug it in - it works better!
Il 555 sta all'elettronica come Arduino all'informatica! (entrambi loro malgrado)
Se volete risposte rispondete a tutte le mie domande
Plug it in - it works better!
Il 555 sta all'elettronica come Arduino all'informatica! (entrambi loro malgrado)
Se volete risposte rispondete a tutte le mie domande
0
voti
IsidoroKZ ha scritto: ...Quelli passivi si`...
"Non farei mai parte di un club che accettasse la mia iscrizione" (G. Marx)
-

claudiocedrone
21,3k 4 7 9 - Master EY

- Messaggi: 15300
- Iscritto il: 18 gen 2012, 13:36
2
voti
NO. Entrano nel dimensionamento dell' amplificatore differenziale per fare in modo che i guadagni degli ingressi invertente e non invertente rispetto al riferimento comune siano uguali.le resistenze da 33k in serie ai condensatori di accoppiamento servono a prevenire eventuali oscillazioni?
0
voti
Si e NO.quindi il loro valore non è critico
Spiegarlo direttamente nel post è troppo lungo, ti ho trovato una spiegazione nel web.
(avresti potuto anche cercartela da solo, ricerca " amplificatore differenziale ")
http://www.cannizzaroct.it/serale/downl ... IONALE.pdf
Occorre fare i complimenti a chi lo ha scritto:
APPUNTIDIELETTRONICA– AMPLIFICATORE OPERAZIONALE- rel.01/06
Prof .Domenico DiStefano
(Un errore di stampa ( R1, R0 ) a pag 4, AO a massa virtuale inesatto a pag 9)
Leggi il testo del file da pagina 12
Fecendo riferimento al circuito di
Le due R1 sono da 33 k
Le due R2 da 120 k
Più sono uguali fra loro, maggiore è la reiezione del modo comune.
La relazione non la conosco, e mi costerebbe troppo tempo per calcolarla
Il guadagno teorico è Vu = (R2/R1)x(V1-V2) = 3,6.
Purtroppo per comprendere occorre anche faticare e studiare la teoria del funzionamento.
Poi per progettare da professionisti al meglio (allo stato dell'arte) , occorrono mesi e anni di lavoro sul campo. Alle volte è meglio copiare uno schema affidabile. Poi anche il montaggio del circuito e la schermatura del contenitore possono essere problematici.
Domande relative al tuo problema:
Che impedenza ha il microfono che devi amplificare in modo differenziale ?
Che tipo di microfono dinamico, piezoelettrico, electret ?
Passivo o attivo(alimentato)?
Sai per certo che i disturbi sono presenti? sono dovuti a tensioni indotte per campi elettrici o per campi magnetici?
Il cavo di trasmissione è un doppino attorcigliato e poi schermato?
Quanto è lungo?
0
voti
0
voti
Consiglierei di sostituire le due resistenze da 5,6 kohm con una resistenza da 100ohm in serie ad un potenziometro da 10kOhm,in modo da poter regolare il gain, sostituendo anche il condensatore da 10uF con uno da 100uF
Segnalo anche questo
schema, se interessa posso andare a ricercare i valori
Inoltre, visto che verrebbe usato sempre nella stessa applicazione, consiglierei di implementare anche un filtro passa-alto intorno ai 30~40Hz
Segnalo anche questo
schema, se interessa posso andare a ricercare i valori
Inoltre, visto che verrebbe usato sempre nella stessa applicazione, consiglierei di implementare anche un filtro passa-alto intorno ai 30~40Hz
-

SediciAmpere
4.187 5 5 8 - Master

- Messaggi: 4847
- Iscritto il: 31 ott 2013, 15:00
0
voti
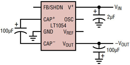
Ci sono vari integrati specifici che a partire da una singola tensione 12v possono fornire un - 12v adatto alla polarizzazione di un piccolo circuito di segnale come questo.
In questo modo potreste semplificare di parecchio il circuito.
Un ic adatto potrebbe essere lt1054 se vedi nei pdf del costruttore noterai quanto sia semplice il suo impiego.
A questo punto ti si aprono un sacco di possibilità progettuali.
Forse potresti usare un integrato specifico come suggerito da IsidoroKZ ed eliminare buona parte dei condensatori di disaccoppiamento avendo una vera massa e un 12v duale.
Ciao
In questo modo potreste semplificare di parecchio il circuito.
Un ic adatto potrebbe essere lt1054 se vedi nei pdf del costruttore noterai quanto sia semplice il suo impiego.
A questo punto ti si aprono un sacco di possibilità progettuali.
Forse potresti usare un integrato specifico come suggerito da IsidoroKZ ed eliminare buona parte dei condensatori di disaccoppiamento avendo una vera massa e un 12v duale.
Ciao
600 Elettra
22 messaggi
• Pagina 2 di 3 • 1, 2, 3
Chi c’è in linea
Visitano il forum: Nessuno e 81 ospiti

Elettrotecnica e non solo (admin)
Un gatto tra gli elettroni (IsidoroKZ)
Esperienza e simulazioni (g.schgor)
Moleskine di un idraulico (RenzoDF)
Il Blog di ElectroYou (webmaster)
Idee microcontrollate (TardoFreak)
PICcoli grandi PICMicro (Paolino)
Il blog elettrico di carloc (carloc)
DirtEYblooog (dirtydeeds)
Di tutto... un po' (jordan20)
AK47 (lillo)
Esperienze elettroniche (marco438)
Telecomunicazioni musicali (clavicordo)
Automazione ed Elettronica (gustavo)
Direttive per la sicurezza (ErnestoCappelletti)
EYnfo dall'Alaska (mir)
Apriamo il quadro! (attilio)
H7-25 (asdf)
Passione Elettrica (massimob)
Elettroni a spasso (guidob)
Bloguerra (guerra)




