Progetto suono intermittente buzzer SMF-27
Moderatori:
carloc,
g.schgor,
BrunoValente,
IsidoroKZ
12 messaggi
• Pagina 1 di 2 • 1, 2
1
voti
buongiorno, per errore di lettura della descrizione articolo ho preso un (smf 27 - I) buzzer al posto del (smf 27) buzzer consigliato da un utente dal forum tra l'altro. Con questa variazione del componente mi trovo che produce suono fisso e non alternato. Qualcuno mi potrebbe aiutare con un progetto semplice per farlo diventare a suono intermittente ? Grazie a tutti voi.
Ultima modifica di
abusivo il 22 ott 2020, 15:46, modificato 1 volta in totale.
Motivazione: Titolo modificato perché "suona" meglio!
Motivazione: Titolo modificato perché "suona" meglio!
0
voti
0
voti
Oppure anche così:
-

gianniniivo
9.010 7 11 13 - No Rank
- Messaggi: 2874
- Iscritto il: 5 feb 2019, 23:50
0
voti
appena prendo i componenti costruisco.
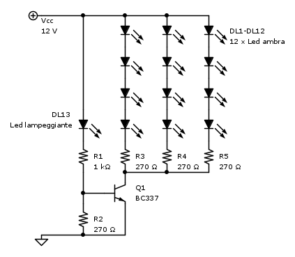
Secondo voi se sfrutto l'impulso del led e lo trasferisco a ponte sul DL13 il circuito mi fa lampeggiare i led ed il buzzer alla stessa cadenza ?
Secondo voi se sfrutto l'impulso del led e lo trasferisco a ponte sul DL13 il circuito mi fa lampeggiare i led ed il buzzer alla stessa cadenza ?
- Allegati
-
- 02.png (11.53 KiB) Osservato 6121 volte
0
voti
se sfrutto l'impulso del led e lo trasferisco a ponte sul DL13 il circuito mi fa lampeggiare i led ed il buzzer alla stessa cadenza ?
Non capisco, cosa vuol dire ?
0
voti
Sì, dovrebbe funzionare, anche se non mi è chiaro come vorresti collegare il buzzer, dovresti collegarlo tra collettore e Vcc.gnomoo ha scritto:
Secondo voi se sfrutto l'impulso del led e lo trasferisco a ponte sul DL13 il circuito mi fa lampeggiare i led ed il buzzer alla stessa cadenza ?
-

BrunoValente
39,6k 7 11 13 - G.Master EY

- Messaggi: 7796
- Iscritto il: 8 mag 2007, 14:48
0
voti
bene ho fatto il progetto funziona bene era proprio quello che mi serviva a doc. Unica pecca toglie efficenza al buzzer. grazie
0
voti
Cioè il volume sonoro del buzzer è minore messo insieme ai LED?
Dovresti però postare lo schema completo che hai realizzato così possiamo vedere se si può ovviare a tale cosa.
Dovresti però postare lo schema completo che hai realizzato così possiamo vedere se si può ovviare a tale cosa.
"Non farei mai parte di un club che accettasse la mia iscrizione" (G. Marx)
-

claudiocedrone
21,3k 4 7 9 - Master EY

- Messaggi: 15300
- Iscritto il: 18 gen 2012, 13:36
1
voti
funziona bene ! Era una saldatura a freddo ! Adesso va alla grande !
0
voti
Bravo, ma quale hai realizzato? Quello al punto [4] ?
-

gianniniivo
9.010 7 11 13 - No Rank
- Messaggi: 2874
- Iscritto il: 5 feb 2019, 23:50
12 messaggi
• Pagina 1 di 2 • 1, 2
Chi c’è in linea
Visitano il forum: Nessuno e 38 ospiti

Elettrotecnica e non solo (admin)
Un gatto tra gli elettroni (IsidoroKZ)
Esperienza e simulazioni (g.schgor)
Moleskine di un idraulico (RenzoDF)
Il Blog di ElectroYou (webmaster)
Idee microcontrollate (TardoFreak)
PICcoli grandi PICMicro (Paolino)
Il blog elettrico di carloc (carloc)
DirtEYblooog (dirtydeeds)
Di tutto... un po' (jordan20)
AK47 (lillo)
Esperienze elettroniche (marco438)
Telecomunicazioni musicali (clavicordo)
Automazione ed Elettronica (gustavo)
Direttive per la sicurezza (ErnestoCappelletti)
EYnfo dall'Alaska (mir)
Apriamo il quadro! (attilio)
H7-25 (asdf)
Passione Elettrica (massimob)
Elettroni a spasso (guidob)
Bloguerra (guerra)




