Un grazie in anticipo a tutti quelli che risponderanno.
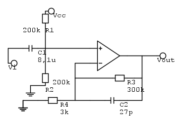
Devo trovare la funzione di trasferimento e diagramma di bode del circuito sotto.
Non riesco a capire come trattare le resistenze R1, R2 a causa di quella Vcc.


e quindi

Io direi che
Moderatori:
carloc,
g.schgor,
BrunoValente,
IsidoroKZ





g.schgor ha scritto:Sicuro che non ci siano errori nello schema?

g.schgor ha scritto:Ho provato a simulare il circuito ed ecco cosa ho ottenuto:
Vin,Vout
Che ne dici?






Visitano il forum: Nessuno e 270 ospiti