Girogiro ha scritto:Facendoci dunque passare come una corrente continua di fondo, per la saturazione!?
Non è detto che sia un male, specialmente se il carico è variabile, e certamente non è detto che l'induttanza saturi.
Moderatori:
carloc,
g.schgor,
BrunoValente,
IsidoroKZ
Girogiro ha scritto:Facendoci dunque passare come una corrente continua di fondo, per la saturazione!?
Per quel che ho avuto prova diretta, è certo un grosso problema, (nel mio caso però lavoravo con un boost), è un bel corto sulla alimentazione! Magari con un buck è diverso, riversi la corrente verro il carico, ma il problema saturazione per me rimane.EcoTan ha scritto:Girogiro ha scritto:Facendoci dunque passare come una corrente continua di fondo, per la saturazione!?
Non è detto che sia un male, specialmente se il carico è variabile, e certamente non è detto che l'induttanza saturi.


EcoTan ha scritto:
C'è qualcosa di male se la corrente nell'induttanza non si azzera mai?




Illuminami.SandroCalligaro ha scritto:Scusatemi, ma state davvero dicendo che un buck o un boost non possono/non devono lavorare in Continuous Conduction Mode?




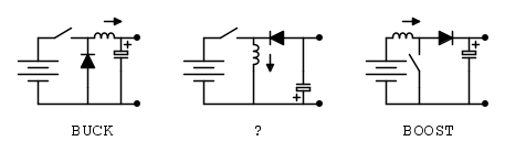
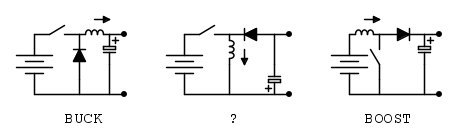
marioursino ha scritto:Parlo di buck, ma vale lo stesso discorso per tutte le topologie classiche.......


lelerelele ha scritto:Quindi anche con duty 99%, un boost, che evidentemente viene ad avere una forte componente continua, grafico in alto, direi, non da problemi? non ho capito. Quella DC che mi troverò circolare tra induttore e mosfet non da problemi?


marioursino ha scritto:Non sono sicuro di aver capito. Per prima cosa, direi che considerando un convertitore che lavora al 99% di DC non riesci a estrapolare le caratteristiche del convertitore stesso, sei in un caso degenere.
Se ti chiedi quali siano i problemi di una grossa componente DC nella corrente che circola nell'induttore del boost, allora la risposta è solo una: perdite di switching (per il boost durante il turn-on del low-side che è simile a quello che succede in un PFC).


Visitano il forum: Nessuno e 120 ospiti