La mia domanada è la seguente, riguarda il calcolo della resistenza d'uscita di uno stadio audio valvolare pushpull accoppiato a trasformatore.
Prendendo ad esempio uno stadio Single Ended la formula è:
((Ri_valvola+Resistenza_DC_avvolgimento_primario)/(rt*rt))+Resistenza_DC_avvolgimento_secondario
Dove "rt" è il rapporto di trasformazione del trasformatore.
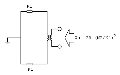
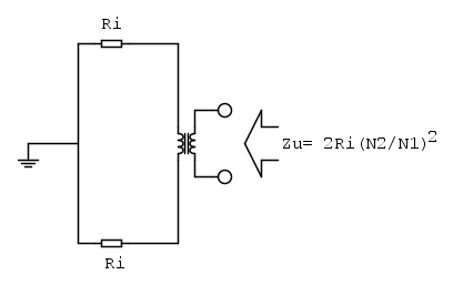
E fin qui ok, invece passando ad un pushpull in classe A invece "fonti poco affidabili" dicono che la formula è la stessa e la resistenza interna delle 2 valvole è posta in parallelo, quindi si dimezza. Purtroppo però passando dai calcoli alla pratica la cosa non torna perché la Rout di uno stadio costruito risulta molto più alta del calcolato. Io credo che sia errato pensare i 2 stadi come in parallelo perché questi 2 stadi lavorano in opposizione di fase e non in fase, quindi vanno considerati in serie tra di loro, di fatto usando al formula ma calcolando la Ri*2 i calcoli tornano con quello che misuro su un circuito reale.
Potete confermarmi la cosa? io purtroppo non sono riuscito a individuare testi ufficiali che parlino di questa cosa specifica, nel caso potete indicarmi se lo conoscete dove reperirli perché mi interessa approfondire. Ciao e grazie della risposta


Elettrotecnica e non solo (admin)
Un gatto tra gli elettroni (IsidoroKZ)
Esperienza e simulazioni (g.schgor)
Moleskine di un idraulico (RenzoDF)
Il Blog di ElectroYou (webmaster)
Idee microcontrollate (TardoFreak)
PICcoli grandi PICMicro (Paolino)
Il blog elettrico di carloc (carloc)
DirtEYblooog (dirtydeeds)
Di tutto... un po' (jordan20)
AK47 (lillo)
Esperienze elettroniche (marco438)
Telecomunicazioni musicali (clavicordo)
Automazione ed Elettronica (gustavo)
Direttive per la sicurezza (ErnestoCappelletti)
EYnfo dall'Alaska (mir)
Apriamo il quadro! (attilio)
H7-25 (asdf)
Passione Elettrica (massimob)
Elettroni a spasso (guidob)
Bloguerra (guerra)












