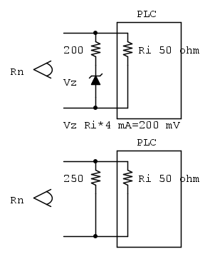
Stando al datasheet (che è stato facile da trovare):
Input type -20 to 20 mA or -10 to 10 V
Impedance Approximately 50 Ω (mA-input)/10 kΩ (V-input)
Boiler
Moderatori:
carloc,
g.schgor,
BrunoValente,
IsidoroKZ
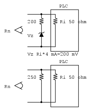
Input type -20 to 20 mA or -10 to 10 V
Impedance Approximately 50 Ω (mA-input)/10 kΩ (V-input)
alfmaric ha scritto:Variare lo 0 non è un probelma
mullins ha scritto:Se la scelta di non sostituire il sensore è dovuta al costo

Visitano il forum: Nessuno e 77 ospiti