Rieccomi.
Dopo svariate prove pratiche, non disponendo di una acconcia strumentazione fonica e quindi andando ad orecchio, sono giunto a questa risoluzione finale, come si legge sullo schema allegato.
I valori dell'induttanza e della capacità sono dati da un induttanzimetro da 4 soldi e sono , ovviamente , indicativi.
La domanda che mi e vi pongo è la seguente: qual è il valore della frequenza di taglio?
Dato che gli altoparlanti sono in serie/parallelo non esiste nessuna formula in rete con la quale risalire alla frequenza di taglio, mi accontenterei di un valore approssimativo.
Filtro crossover per impianto monofonico di mediocre qualità
Moderatori:
carloc,
g.schgor,
BrunoValente,
IsidoroKZ
17 messaggi
• Pagina 2 di 2 • 1, 2
0
voti
Queste le funzioni di trasferimento verso i tre canali
In verde il woofer, in blu il middle e in rosso il tweeter.
Questa invece l'impedenza vista dall'amplificatore
Il tutto supponendo che gli altoparlanti siano delle resistenze da 4Ω (cosa non vera!) e che i componenti non abbiano parametri parassiti.
In verde il woofer, in blu il middle e in rosso il tweeter.
Questa invece l'impedenza vista dall'amplificatore
Il tutto supponendo che gli altoparlanti siano delle resistenze da 4Ω (cosa non vera!) e che i componenti non abbiano parametri parassiti.
Per usare proficuamente un simulatore, bisogna sapere molta più elettronica di lui
Plug it in - it works better!
Il 555 sta all'elettronica come Arduino all'informatica! (entrambi loro malgrado)
Se volete risposte rispondete a tutte le mie domande
Plug it in - it works better!
Il 555 sta all'elettronica come Arduino all'informatica! (entrambi loro malgrado)
Se volete risposte rispondete a tutte le mie domande
0
voti
in questo modo, come già ti avevo detto, non va bene: in origine gli altoparlanti erano in serie in modo che l'impedenza risultante fosse 8ohm, questa cosa era un porcaio come hai potuto constatare, probabilmente hanno fatto in questo modo perché l'amplificatore si surriscalda con carichi minori di 8 ohm. Con la tua modifica sta lavorando a 4ohm nella parte dei spettro con più potenza e a 2 ohm nella parte con meno potenza ma con più rischio di instabilità: dal punto di vista acustico ci credo che sia migliorato rispetto al troiaio di prima, però stai facendo lavorare l'amplificatore sicuramente in sovraccarico.
Sulla "audio board" dovrebbe esserci un componente con un'aletta di raffreddamento d'alluminio, gli puoi fare una foto in cui si legga la sigla?
Puoi misurare la tensione di alimentazione della audio board?
Sulla "audio board" dovrebbe esserci un componente con un'aletta di raffreddamento d'alluminio, gli puoi fare una foto in cui si legga la sigla?
Puoi misurare la tensione di alimentazione della audio board?
-

SediciAmpere
4.187 5 5 8 - Master

- Messaggi: 4847
- Iscritto il: 31 ott 2013, 15:00
0
voti
Grazie mille Isodoro KZ per i grafici.
Sedici ampere per rispondere ai tuoi interrogativi, l'integrato usato è un comune LM1875, alimentato a 12 volt quindi con un impedenza di uscita intorno ai 4 Ω.
Non so per qual motivo i progettisti della Williams abbiano messo in serie gli altoparlanti, non credo per adattare l'impedenza di uscita: potenza ce n'è in abbondanza e l'impedenza di uscita è di 4 Ω.
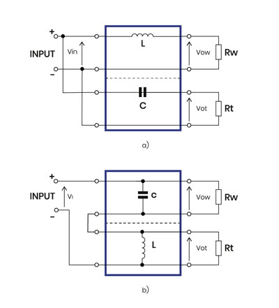
Tieni conto che parliamo di reattanze di segno opposto; il tutto è visto dall'amplificatore come filtro crossover in serie (vedi schema B); meno usuale dei filtri crossover in parallelo (vedi schema A), ma con le stesse funzioni.
Grazie a tutti per le informazioni.
Sedici ampere per rispondere ai tuoi interrogativi, l'integrato usato è un comune LM1875, alimentato a 12 volt quindi con un impedenza di uscita intorno ai 4 Ω.
Non so per qual motivo i progettisti della Williams abbiano messo in serie gli altoparlanti, non credo per adattare l'impedenza di uscita: potenza ce n'è in abbondanza e l'impedenza di uscita è di 4 Ω.
Tieni conto che parliamo di reattanze di segno opposto; il tutto è visto dall'amplificatore come filtro crossover in serie (vedi schema B); meno usuale dei filtri crossover in parallelo (vedi schema A), ma con le stesse funzioni.
Grazie a tutti per le informazioni.
- Allegati
-
- reti-crossover.jpg (17.14 KiB) Osservato 3815 volte
-

LupoSergio
10 2 - Messaggi: 14
- Iscritto il: 10 ott 2020, 7:35
0
voti
LupoSergio ha scritto: l'integrato usato è un comune LM1875, alimentato a 12 volt quindi con un impedenza di uscita intorno ai 4 Ω
Ok, allora c'è molto margine
Conosco i crossover in serie, ma lo schema originale è il woofer con in serie tutto il resto, con la sua induttanza faceva da filtro passa-basso e non faceva arrivare gli alti al tweeter. Credo che il problema principale fosse questo.
A questo punto lo trasformerei subito in un crossover parallelo
La bobina per il woofer già ce l'hai, dovrebbe tagliare intorno ai 500Hz
in serie al mid-range metti un condensatore elettrolitico non polarizzato da 100µF
in serie al tweeter prova a mettere uno dei consatori da 10µF che hai, ma probabilmente avrai un'enfasi nella gamma dei medio-alti, se risulterà fastidiosa sostituisci il condensatore con uno più piccolo (4,7µF)
Vedrai che così la qualità del suono migliorerà molto
se cerchi in rete "calcolatore crossover passivi" ci sono molto calcolatori online per calcolare i valori dei componenti appossimando l'altoparlante ad una resistenza
-

SediciAmpere
4.187 5 5 8 - Master

- Messaggi: 4847
- Iscritto il: 31 ott 2013, 15:00
0
voti
SediciAmpere ha scritto:...omissis...
A questo punto lo trasformerei subito in un crossover parallelo
La bobina per il woofer già ce l'hai, dovrebbe tagliare intorno ai 500Hz
in serie al mid-range metti un condensatore elettrolitico non polarizzato da 100µF
in serie al tweeter prova a mettere uno dei consatori da 10µF che hai, ma probabilmente avrai un'enfasi nella gamma dei medio-alti, se risulterà fastidiosa sostituisci il condensatore con uno più piccolo (4,7µF)
Vedrai che così la qualità del suono migliorerà molto
se cerchi in rete "calcolatore crossover passivi" ci sono molto calcolatori online per calcolare i valori dei componenti appossimando l'altoparlante ad una resistenza
Per questioni che esulano dall'elettronica, ma che vanno ricercate nella mentalità collezionistica ,che peraltro non mi appartiene, ma di cui debbo tener conto, non mi è possibile trasformare la disposizione da serie a parallelo. Sennò era troppo facile
La qualità del suono è molto migliorata, soprattutto per le modifiche che ho effettuato sulla schema audio dove ho eliminato una serie di filtri passa basso e passa banda, modificato il sintetizzatore vocale e altre pinzillacchere (omaggio a Totò). Sempre con modifiche immediatamente reversibili per i sopracitati motivi.
Ricordo che si tratta di un bigliardino elettronico, detto volgarmente "flipper", quindi non si richiede grande qualità sonora. Le tabelle per calcolare i filtri passivi le conosco, ma funzionano solo imponendo una frequenza di taglio e non viceversa, inoltre valgono solo per configurazioni in parallelo e non in serie.
Scritto questo non vi voglio più tediare con le mie banali domande, e vi ringrazio per le spiegazioni utili ed interessanti. Sono affascinato dall'elettronica, diciamo "concreta e tangibile". le mie cognizioni sono nel campo delle particelle elementari e correnti sull'ordine dei picoampere. Se mai passa un tram nelle vicinanze sono dolori.
Sono un chimico fisico con la passione per la meccanica e l'elettronica.
-

LupoSergio
10 2 - Messaggi: 14
- Iscritto il: 10 ott 2020, 7:35
0
voti
Belli i grafici,
IsidoroKZ,Le schede erano fatte a mano, senza CAD, non avevo la possibilità di simulare via software....il PC è arrivato anni dopo...
Quando la feci io, tagliai il woofer a 15./170Hz, (diametro 30cm), il medio iniziava a lavorare da 120Hz fino a 4/5000, non ricordo bene, senza il taglio superiore mi dava delle sonorità poco piacevoli, e da li in su lavorava il tweeter.
Woofer e tweeter mi pare di averli tagliati a 12dB/ottava.
Il tutto provato con il finale in fase di costruzione, la cassa pure, (spostando le pareti di med e woofer per le risonanze migliori), generatore di segnale autocostruito, orecchie e microfono con oscilloscopio per verifica strumentale, (home-made).
Certo dipende dal materiale che si usa.
Quando la feci io, tagliai il woofer a 15./170Hz, (diametro 30cm), il medio iniziava a lavorare da 120Hz fino a 4/5000, non ricordo bene, senza il taglio superiore mi dava delle sonorità poco piacevoli, e da li in su lavorava il tweeter.
Woofer e tweeter mi pare di averli tagliati a 12dB/ottava.
Il tutto provato con il finale in fase di costruzione, la cassa pure, (spostando le pareti di med e woofer per le risonanze migliori), generatore di segnale autocostruito, orecchie e microfono con oscilloscopio per verifica strumentale, (home-made).
Certo dipende dal materiale che si usa.
-

lelerelele
4.899 3 7 9 - Master

- Messaggi: 5505
- Iscritto il: 8 giu 2011, 8:57
- Località: Reggio Emilia
17 messaggi
• Pagina 2 di 2 • 1, 2
Chi c’è in linea
Visitano il forum: Nessuno e 221 ospiti

Elettrotecnica e non solo (admin)
Un gatto tra gli elettroni (IsidoroKZ)
Esperienza e simulazioni (g.schgor)
Moleskine di un idraulico (RenzoDF)
Il Blog di ElectroYou (webmaster)
Idee microcontrollate (TardoFreak)
PICcoli grandi PICMicro (Paolino)
Il blog elettrico di carloc (carloc)
DirtEYblooog (dirtydeeds)
Di tutto... un po' (jordan20)
AK47 (lillo)
Esperienze elettroniche (marco438)
Telecomunicazioni musicali (clavicordo)
Automazione ed Elettronica (gustavo)
Direttive per la sicurezza (ErnestoCappelletti)
EYnfo dall'Alaska (mir)
Apriamo il quadro! (attilio)
H7-25 (asdf)
Passione Elettrica (massimob)
Elettroni a spasso (guidob)
Bloguerra (guerra)
