IC equivalenti?
16 messaggi
• Pagina 1 di 2 • 1, 2
1
voti
[1] IC equivalenti?
Salve a tutti e Buon Natale amici dell forum volevo sapere sè questi ic sono intercambiabili tra di loro Il TL494 con il KA7500 ed il LM358 con il LM393...i pakegs ed i pinout sono uguali in entrambi gli IC !!
1
voti
Ciao Mario.
Non conosco i PWM controller ma pare che gli operazionali siano intercambiabili.
Ora non so cosa ci devi fare ...
Comunque un Buon Natale non si nega a nessuno!
Non conosco i PWM controller ma pare che gli operazionali siano intercambiabili.
Ora non so cosa ci devi fare ...
Comunque un Buon Natale non si nega a nessuno!
Se quello che funziona basta non lo tocca' sennò te lassa!
0
voti
abusivo ha scritto:Ciao Mario.
Abuuuuuu
abusivo ha scritto:Non conosco i PWM controller
abusivo ha scritto: ma pare che gli operazionali siano intercambiabili
Anche a me sembrano intercambiabili stesso packeg è stesso pinout...diverso peró la composizione interna! credo...!?
1
voti
mario663 ha scritto:Salve a tutti e Buon Natale amici dell forum volevo sapere sè questi ic sono intercambiabili tra di loro Il TL494 con il KA7500 ed il LM358 con il LM393...i pakegs ed i pinout sono uguali in entrambi gli IC !!
il TL494 e il KA7500 sono equivalenti solo che il primo ha una tensione di offset DTC di 0,1 V, mentre per KA7500 è 1,2 V.
-

elektronik
7.800 4 6 7 - Master

- Messaggi: 3836
- Iscritto il: 12 mag 2015, 22:26
4
voti
358 e 393 non sono intercambiabili, il primo è un operazionale, il secondo un comparatore.
Un operazionale può, anzi deve, essere usato con una retroazione negativa e la sua uscita può sia erogare che assorbire corrente, vale a dire che la tensione di uscita può salire e scendere controllata dall'operazionale. L'uscita di un op amp di solito è un segnale analogico.
Un comparatore invece non può lavorare ad anello chiuso e in questo caso la sua uscita può solo assorbire corrente, può solo "tirare giù" la tensione di uscita, per tirare su la tensione serve una resistenza esterna. L'uscita di un comparatore è un segnale logico, alto o basso, niente valori intermedi.
Un operazionale può, anzi deve, essere usato con una retroazione negativa e la sua uscita può sia erogare che assorbire corrente, vale a dire che la tensione di uscita può salire e scendere controllata dall'operazionale. L'uscita di un op amp di solito è un segnale analogico.
Un comparatore invece non può lavorare ad anello chiuso e in questo caso la sua uscita può solo assorbire corrente, può solo "tirare giù" la tensione di uscita, per tirare su la tensione serve una resistenza esterna. L'uscita di un comparatore è un segnale logico, alto o basso, niente valori intermedi.
Per usare proficuamente un simulatore, bisogna sapere molta più elettronica di lui
Plug it in - it works better!
Il 555 sta all'elettronica come Arduino all'informatica! (entrambi loro malgrado)
Se volete risposte rispondete a tutte le mie domande
Plug it in - it works better!
Il 555 sta all'elettronica come Arduino all'informatica! (entrambi loro malgrado)
Se volete risposte rispondete a tutte le mie domande
2
voti
mario663 ha scritto:intercambiabili tra di loro Il TL494 con il KA7500
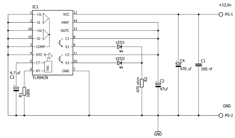
Un amico nonchè un docente universitario e di cui sono molto legato su un gruppo di un noto socialnetwork mi ha linkato una sua realizazzione di un tester per verificare gli IC TL494 ed i suoi equivalenti ed io voglio condividerlo con voi!
0
voti
Ciao Mario e buon fine anno!
Credo che il circuito sia molto interessante e meriterebbe un thread apposito.
Qui si perderebbe nell'oblio.
Credo che il circuito sia molto interessante e meriterebbe un thread apposito.
Qui si perderebbe nell'oblio.
Se quello che funziona basta non lo tocca' sennò te lassa!
0
voti
abusivo ha scritto:Ciao Mario e buon fine anno!
Abuuuuu
.....buon fine anno anche a te abusivo ha scritto:Credo che il circuito sia molto interessante e meriterebbe un thread apposito.
Qui si perderebbe nell'oblio.
Sè i moderatori sono d'accordo si puó anche fare non vorrei passare per intasatore dell server visto che il thread sia comunque correlato!??
0
voti
[10] Re: IC equivalenti?
IsidoroKZ ha scritto:Un comparatore [...] può solo "tirare giù" la tensione di uscita, per tirare su la tensione serve una resistenza esterna.
Spesso, ma non sempre. Ci sono sul mercato parecchi comparatori con uscita push-pull. Un esempio a caso: MCP6541.
Ciao, Boiler
16 messaggi
• Pagina 1 di 2 • 1, 2
Torna a Costruzione, riparazione, riutilizzo
Chi c’è in linea
Visitano il forum: Nessuno e 5 ospiti

Elettrotecnica e non solo (admin)
Un gatto tra gli elettroni (IsidoroKZ)
Esperienza e simulazioni (g.schgor)
Moleskine di un idraulico (RenzoDF)
Il Blog di ElectroYou (webmaster)
Idee microcontrollate (TardoFreak)
PICcoli grandi PICMicro (Paolino)
Il blog elettrico di carloc (carloc)
DirtEYblooog (dirtydeeds)
Di tutto... un po' (jordan20)
AK47 (lillo)
Esperienze elettroniche (marco438)
Telecomunicazioni musicali (clavicordo)
Automazione ed Elettronica (gustavo)
Direttive per la sicurezza (ErnestoCappelletti)
EYnfo dall'Alaska (mir)
Apriamo il quadro! (attilio)
H7-25 (asdf)
Passione Elettrica (massimob)
Elettroni a spasso (guidob)
Bloguerra (guerra)




