Cos'è ElectroYou | Login Iscriviti

ElectroYou - la comunità dei professionisti del mondo elettrico

Aiuto su un circuito?

Circuiti, campi elettromagnetici e teoria delle linee di trasmissione e distribuzione dell’energia elettrica

Moderatori: Foto Utenteg.schgor, Foto UtenteIsidoroKZ

0
voti

[1] Aiuto su un circuito?

Messaggioda Foto Utentelisiobisio » 22 gen 2021, 14:10

Ciao a tutti, sono nuovo su questo forum quindi prima di tutto non so se ho postato in maniera corretta...
Sono uno studente che è in un triennio di un indirizzo informatico, al primo anno di telecomunicazioni.

Avrei bisogno di aiuto per risolvere questo circuito, il prof ci ha detto che per risolvere i circuiti bisogna partire dal resistore più distante dal generatore, ma in questo caso i resistori più distanti dal generatore sono due, come devo procedere? O_/

(in particolare stiamo trattando i partitori di tensione e di corrente)

Immagine
Avatar utente
Foto Utentelisiobisio
0 2
 
Messaggi: 8
Iscritto il: 20 gen 2021, 14:04

4
voti

[2] Re: Aiuto su un circuito?

Messaggioda Foto UtenteEnChamade » 22 gen 2021, 15:06

Ciao e benvenuto.
Con l'espressione "bisogna partire dal resistore più distante dal generatore" probabilmente (mia interpretazione) il professore intendeva che devi partire dalla maglia più lontana dal generatore, non da una specifica resistenza.
Quello che devi fare è riconoscere insiemi (due o più) di resistori che sono o in serie o in parallelo fra loro e sostituirli con uno di valore equivalente. Ad esempio, nel tuo caso R_3 e R_4 sono in serie fra loro perché attraversati dalla stessa corrente. Puoi quindi calcolare un resistore equivalente serie. Questo va a sostituire i due resistori precedenti e ti accorgerai che questo resistore serie cade in parallelo con il resisotre R_2 (sottoposti alla stessa tensione).

Prova ora ad andare avanti.
Avatar utente
Foto UtenteEnChamade
6.498 2 8 12
G.Master EY
G.Master EY
 
Messaggi: 588
Iscritto il: 18 giu 2009, 12:00
Località: Padova - Feltre

0
voti

[3] Re: Aiuto su un circuito?

Messaggioda Foto Utentelisiobisio » 22 gen 2021, 15:40

Ok, una volta calcolato il parallelo tra R2 e il risultato della serie tra R3 ed R4 mi troverò un altro resistore equivalente, in serie con R1;
Svolta la serie il prossimo resistore equivalente sarà in parallelo ad R5;
L'ultimo resistore equivalente sarà in serie ad R6, quindi come resistenza equivalente uscirà 5 ohm

Per calcolare poi la corrente I devo fare Vg/R totale, quindi 2A

Poi per calcolare le varie correnti devo usare la formula del partitore di corrente, ad esempio per calcolare IR1 devo fare I, quindi 2 per la resistenza del ramo opposto diviso la somma delle due resistenze

Il problema è che il partitore si può applicare solo quando si hanno 2 resistenze, quindi dovrò ricondurre tutto a due resistenze, cosa che non so fare, quindi avrei bisogno di un ulteriore aiuto

(so che c'entra anche Kirchhoff, ma non so applicarlo)
Avatar utente
Foto Utentelisiobisio
0 2
 
Messaggi: 8
Iscritto il: 20 gen 2021, 14:04

2
voti

[4] Re: Aiuto su un circuito?

Messaggioda Foto UtenteEnChamade » 22 gen 2021, 18:18

Intanto di consiglierei l'utilizzo di FidoCadJ, così si ragiona meglio e si è rapidi nel lavorare sugli schemi.

lisiobisio ha scritto:Il problema è che il partitore si può applicare solo quando si hanno 2 resistenze, quindi dovrò ricondurre tutto a due resistenze, cosa che non so fare, quindi avrei bisogno di un ulteriore aiuto


Vediamo di ragionare: sapresti calcolare le due tensioni segnate qui sotto? In particolare, la prima?
Avatar utente
Foto UtenteEnChamade
6.498 2 8 12
G.Master EY
G.Master EY
 
Messaggi: 588
Iscritto il: 18 giu 2009, 12:00
Località: Padova - Feltre

0
voti

[5] Re: Aiuto su un circuito?

Messaggioda Foto Utentelisiobisio » 22 gen 2021, 18:23

Sinceramente no, c'entra per caso il secondo principio di Kirchhoff? #-o
Avatar utente
Foto Utentelisiobisio
0 2
 
Messaggi: 8
Iscritto il: 20 gen 2021, 14:04

0
voti

[6] Re: Aiuto su un circuito?

Messaggioda Foto Utentelisiobisio » 22 gen 2021, 18:26

Domani ho la verifica, per questo ho chiesto aiuto, mi servirebbe capire queste cose velocemente
Avatar utente
Foto Utentelisiobisio
0 2
 
Messaggi: 8
Iscritto il: 20 gen 2021, 14:04

0
voti

[7] Re: Aiuto su un circuito?

Messaggioda Foto Utentedadduni » 22 gen 2021, 18:38

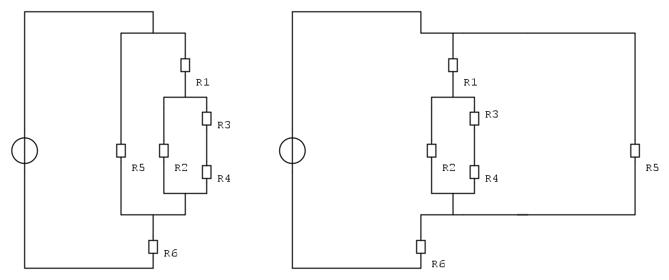
Allora, come tutti i circuiti si può approcciare in tanti modi. A quanto pare partiamo con la tecnica delle riduzioni, bisogna sfruttare serie e paralleli. Un passo per volta si "fondono" le resistenze che sono palesemente in serie o in parallelo tra di loro.
Primo passaggio: unisco R3 con R4 in serie sostituendole con "R34"
Secondo passaggio: R34 in parallelo a R2 e faccio R342
Terzo passaggio: R342 in serie con R1 e trovo R3421
Quarto passaggio: R3421 in serie con R6 e trovo Rtot

L'idea è sempre quella di ricordare che quando hai componenti in serie su di loro scorrerà la stessa corrente. Quando li hai in parallelo avranno ai loro capi la stessa tensione.
Questo vale sia se li scrivi in maniera separata (ad esempio R3 ed R4 in serie come nel circuito originale) sia se li accorpi in un unico resistore R34.

Gli admin mi scuseranno per l'immagine spartana non fatta con fidocad ma ho problemi ad installarlo: giuro che rimedierò.

L'idea è di fare tutte le trasformazioni e poi partire dalla fine (con giusto 2 resistenze e ricostruire le grandezze a ritroso):
Ultima immagine: partitore di tensione per calcolare la tensione sulla R34215. Questa l'abbiamo trovata come parallelo tra R5 e R3421 quindi la tensione ottenuta sulla resistenza agglomerata è la stessa tensione delle due singole.
Trovata la tesnione su R3421 (che, ripeto, è uguale a quella su R5) calcolo che corrente ci scorre sopra: legge di Ohm. Visto che R3421 è la serie tra R1 e R342, la corrente che scorre sulle resistenze è uguale e abbiamo quindi trovato la corrente su R342.

Possiamo calcolare la tensione su R342 (legge di Ohm) e sappiamo che sarà la tensione sia di R2 sia di R34 (sono in parallelo)

Possiamo calcolare la corrente su R34 (legge di Ohm) e sarà la corrente che scorre sia su R3 sia su R4 perché erano in serie. A questo punto abbiamo tutte le tensioni e tutte le correnti e il gioco è fatto.

Ho provato ad essere il più prolisso possibile per esplicitare il ragionamento di fondo. Se qualcosa non è chiaro chiedi pure.
Screenshot_20210122-173013.jpg
Avatar utente
Foto Utentedadduni
2.073 2 7 12
Expert EY
Expert EY
 
Messaggi: 1370
Iscritto il: 23 mag 2014, 16:26

1
voti

[8] Re: Aiuto su un circuito?

Messaggioda Foto UtenteEnChamade » 22 gen 2021, 18:40

#-o #-o #-o

Allora, per farla breve:
trovi l'equivalente della rete di resistenze formata da R_1 a R_5. Ottieni
R_{eq}={[(R_3+R_4)//R_5]+R_1}//R_5
A questo punto il tuo circuito è questo:

dove, sfruttando il partitore di tensione, hai
V_A=V_g\frac{R_{eq}}{R_6+R_{eq}}
A questo punto, espandi nuovamente il circuito e trovi:

dove applicando un secondo partitore di tensione formato dalla R_1 e la R_{234}=R_2//(R_3+R_4) trovi V_B:
V_B=V_A\frac{R_{234}}{R_1+R_{234}}

Ora sai come procedere?
Avatar utente
Foto UtenteEnChamade
6.498 2 8 12
G.Master EY
G.Master EY
 
Messaggi: 588
Iscritto il: 18 giu 2009, 12:00
Località: Padova - Feltre

1
voti

[9] Re: Aiuto su un circuito?

Messaggioda Foto UtenteIsidoroKZ » 23 gen 2021, 2:19

dadduni ha scritto:Gli admin mi scuseranno per l'immagine spartana non fatta con fidocad ma ho problemi ad installarlo: giuro che rimedierò.


Sara` meglio! Fai il disegno decente con fidocadj e poi lo inserisco nel messaggio incriminato, cosi` e` inguardabile!
Per usare proficuamente un simulatore, bisogna sapere molta più elettronica di lui
Plug it in - it works better!
Il 555 sta all'elettronica come Arduino all'informatica! (entrambi loro malgrado)
Se volete risposte rispondete a tutte le mie domande
Avatar utente
Foto UtenteIsidoroKZ
121,2k 1 3 8
G.Master EY
G.Master EY
 
Messaggi: 21059
Iscritto il: 17 ott 2009, 0:00

2
voti

[10] Re: Aiuto su un circuito?

Messaggioda Foto Utentelacoontfreed » 23 gen 2021, 9:31

lisiobisio: bisogna partire dal resistore più distante dal generatore


Circuiti equivalenti, qual è il resistore più lontano?
Avatar utente
Foto Utentelacoontfreed
140 1 1 3
Frequentatore
Frequentatore
 
Messaggi: 100
Iscritto il: 3 nov 2019, 8:20

Prossimo

Torna a Elettrotecnica generale

Chi c’è in linea

Visitano il forum: Nessuno e 21 ospiti