Ciao ragazzi, ho necessità di "quadruplicare" un segnale TTL disattivando o attivando all'occorrenza ciascuna delle 4 uscite. Ho trovato che il 74LS125 dovrebbe fare al caso mio, e inoltre ne avevo già uno a casa.
Ho quindi costruito un circuito di prova per vederne praticamente il funzionamento ed il comportamento a circa 32 kHz (il clock del segnale che devo trasmettere).
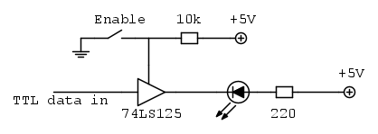
Il circuito di prova che ho realizzato è il seguente:
Ho fornito un onda quadra in ingresso a 32 kHz, e quello che mi aspettavo succedesse era di vedere in uscita lo stesso segnale se lo switch di enable era attivato (se non ho capito male dal datasheet, il 125 è attivo con l'enable a massa, il 126 con l'enable a 5v), o di non vederlo con lo switch disattivato.
Quello che invece è successo è che con l'enable scollegato (non a massa) in uscita vedevo il segnale pulito (quasi, nel senso che da dopo circa 10kHz l'onda in uscita ha il fronte di salita non proprio squadrato) e con l'enable collegato a massa, mi portava le "valli" (low) dell'onda quadra quasi a livello degli alti (un'onda quadra con picco circa 5v e circa 0.4v picco-picco).
Sto sbagliando qualcosa io o l'integrato che avevo a casa non funziona come deve? (purtroppo non ne ho un altro sottomano per provare a cambiarlo)
Grazie a tutti, Francesco
P.s.: quello che io ho rappresentato come un led in realtà è un optoisolatore. Ho allegato lo screenshot dell'oscilloscopio durante un teorico stato di non enable (la massa era scollegata); in giallo l'input, in azzurro l'out dal 74LS125 , in blu l'ouput dell'optoisolatore
Domanda su 74LS125 (tri-state buffer)
Moderatori:
carloc,
g.schgor,
BrunoValente,
IsidoroKZ
27 messaggi
• Pagina 1 di 3 • 1, 2, 3
1
voti
Mi pare di capire che tu lasci aperto, e quindi indefinito, il terminale di controllo. Questo non è corretto. Lo devi connettere a livello logico alto quando vuoi disabilitare l'uscita. Basta una resistenza di pull-up sullo switch di Enable.
-

EnChamade
6.498 2 8 12 - G.Master EY

- Messaggi: 588
- Iscritto il: 18 giu 2009, 12:00
- Località: Padova - Feltre
0
voti
Grazie, lo avevo già provato a fare ma non era cambiato nulla quindi pensavo di aver sbagliato. Ho messo una resistenza di pullup da 10k, ma fondamentalmente non è cambiato nulla.
Allego gli screenshot dell'oscilloscopio (sempre in giallo l'input, in azzurro l'out dal 74LS125 , in blu l'ouput dell'optoisolatore); il primo screenshot è con lo switch aperto (in teoria non enable), il secondo con switch chiuso (enable).
Non riesco proprio a capire cosa sto sbagliando; ho anche controllato più volte la piedinatura dell'ic, ma mi sembra di aver collegato tutto correttamente. L'assorbimento del circuito mi sembra coerente (circa 20 mA tra tutto (optoisolatore (6n138) + ls125 + resistenze varie). Ho provato a cambiare tra tutti e 4 i buffer all'interno dell'ic, ma niente. Il risultato è sempre questo (tranne su uno dei 4 buffer dove l'uscita è decisamente più "sporca")
Allego gli screenshot dell'oscilloscopio (sempre in giallo l'input, in azzurro l'out dal 74LS125 , in blu l'ouput dell'optoisolatore); il primo screenshot è con lo switch aperto (in teoria non enable), il secondo con switch chiuso (enable).
Non riesco proprio a capire cosa sto sbagliando; ho anche controllato più volte la piedinatura dell'ic, ma mi sembra di aver collegato tutto correttamente. L'assorbimento del circuito mi sembra coerente (circa 20 mA tra tutto (optoisolatore (6n138) + ls125 + resistenze varie). Ho provato a cambiare tra tutti e 4 i buffer all'interno dell'ic, ma niente. Il risultato è sempre questo (tranne su uno dei 4 buffer dove l'uscita è decisamente più "sporca")
0
voti
Qualche suggerimento :
- Disegna anche lo schema dell'uscita lato optoisolatore
- l'uscita alta TTL è di circa 3 V, il led potrebbe non riuscire a spegnersi completamente
- molti optoisolatori sono lenti, che modello stai usando?
- Disegna anche lo schema dell'uscita lato optoisolatore
- l'uscita alta TTL è di circa 3 V, il led potrebbe non riuscire a spegnersi completamente
- molti optoisolatori sono lenti, che modello stai usando?
0
voti
Dopo cena disegno lo schema. Come optoisolatore sto usando un 6n138 che sono sicuro che vada bene perché il "classico" utilizzato per questo protocollo (midi), e oltretutto il lato optoisolatore sono sicuro che funzioni perché fornendogli il segnale corretto fa' quello che deve. Il problema credo che sia tutto nell'abilitazione / disabilitazione dell'output del 74ls125
0
voti
Il terminale di enable può essere connesso sia a VCC che a massa senza pericoli. Se nelle due condizioni la situazione non migliora, il problema potrebbe essere all'uscita.
Se sei con una breadboard puoi montare un buffer con il classico transistor NPN, resistenza sulla base, carico sul collettore e verificare se il segnale di uscita è soddisfacente
Se sei con una breadboard puoi montare un buffer con il classico transistor NPN, resistenza sulla base, carico sul collettore e verificare se il segnale di uscita è soddisfacente
0
voti
No, purtroppo non cambia nulla conettendo l'enable a vcc. Proverò a costruire il classico buffer, ma volevo utilizzare un integrato per avere meno ingombro sulla PCB ed essere più comodo a costruirla (dato che dovrei costruire 4 buffer per ogni PCB, e devo farne circa una decina). Per togliermi il dubbio cercherò di recuperare un altro 74ls125 e vedere se il mio è difettoso.
0
voti
Potresti provare altre due cose che mi vengono in mente:
1) Inserisci una resistenza di pull-up all'uscita del tuo buffer; dalle immagini che hai postato si può ipotizzare un problema di propagazione del segnale nello stato di alta impedenza.
2) Termina gli altri buffer non utilizzati mettendo il terminale di controllo e l'ingresso a livello basso.
1) Inserisci una resistenza di pull-up all'uscita del tuo buffer; dalle immagini che hai postato si può ipotizzare un problema di propagazione del segnale nello stato di alta impedenza.
2) Termina gli altri buffer non utilizzati mettendo il terminale di controllo e l'ingresso a livello basso.
-

EnChamade
6.498 2 8 12 - G.Master EY

- Messaggi: 588
- Iscritto il: 18 giu 2009, 12:00
- Località: Padova - Feltre
27 messaggi
• Pagina 1 di 3 • 1, 2, 3
Chi c’è in linea
Visitano il forum: Nessuno e 36 ospiti

Elettrotecnica e non solo (admin)
Un gatto tra gli elettroni (IsidoroKZ)
Esperienza e simulazioni (g.schgor)
Moleskine di un idraulico (RenzoDF)
Il Blog di ElectroYou (webmaster)
Idee microcontrollate (TardoFreak)
PICcoli grandi PICMicro (Paolino)
Il blog elettrico di carloc (carloc)
DirtEYblooog (dirtydeeds)
Di tutto... un po' (jordan20)
AK47 (lillo)
Esperienze elettroniche (marco438)
Telecomunicazioni musicali (clavicordo)
Automazione ed Elettronica (gustavo)
Direttive per la sicurezza (ErnestoCappelletti)
EYnfo dall'Alaska (mir)
Apriamo il quadro! (attilio)
H7-25 (asdf)
Passione Elettrica (massimob)
Elettroni a spasso (guidob)
Bloguerra (guerra)






