Buon pomeriggio,
Oggi ho svolto questo esercizio, in cui mi viene chiesto di trovare la tensione misurata da una Vattmetro (nel disegno è già stato sostituito con un aperto tra A e B). Il procedimento credo di averlo fatto correttamente, ma non sono completamente sicuro che il disegno del circuito equivalente sia corretto. In particolare, non riesco a capire se i generatori di tensione siano orientati in modo corretto. Volevo chiedervi gentilmente se potreste dare un'occhiata e dirmi se va tutto bene oppure ho sbagliato qualcosa.
Il risultato che viene a me è 48 V
Dati R2 = R3 = 40 Ohm
R1 = 30 Ohm
E1 = 70 V
E2 = 160 Ohm
J = 3 A
Circuito di partenza:
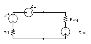
Circuito equivalente su cui mi calcolo la corrente di maglia per poi calcolare la tensione del vattmetro tra A e B prendendo il ramo di destra per il calcolo.
Calcoli che ho svolto:
Req = R2 // R3 = 20 Ohm
Eeq con il partitore su R2 = 80 V
Ej con il principio di sostituzione = -90 V
Applicazione LKT per calcolare la corrente di maglia
-90 - 70 +80 = Req*I + R1 * I
I = -1,6
Vv = -80 -20*(-1,6) = -48 (lo prendo positivo per la convenzione degli utilizzatori)
Grazie per la disponibilità
Esercizio circuito, problema con i riferimenti
Moderatori:
g.schgor,
IsidoroKZ
6 messaggi
• Pagina 1 di 1
2
voti
Ciao,
c'è un po' di confusione sia nelle richieste che nei conti.
Quello che tu intendi forse è un Voltmetro (che misura la tensione), mentre il Wattmetro misura la potenza e richiede 4 terminali.
Nei dati quando scrivi
forse intendi
ma credo sia solo una svista e che il numero sia comunque giusto.
Detto questo nello schema non hai indicato che verso fai percorrere alla corrente e questo ti porta a fare errori di segno; di conseguenza il procedimento è quasi giusto fino al risultato finale in cui sommi invece di sottrarre.
Quando calcoli Ej occhio che la inverti di segno pur facendo i calcoli giusto nel passaggio successivo: se lo metti così nello schema vale 90V, non -90V.
Il ragionamento è quasi giusto ma procedi con calma e indica sempre il verso della corrente, facendo magari qualche passaggio in più finché non acquisisci sufficiente padronanza
c'è un po' di confusione sia nelle richieste che nei conti.
Quello che tu intendi forse è un Voltmetro (che misura la tensione), mentre il Wattmetro misura la potenza e richiede 4 terminali.
Nei dati quando scrivi
forse intendi
ma credo sia solo una svista e che il numero sia comunque giusto.Detto questo nello schema non hai indicato che verso fai percorrere alla corrente e questo ti porta a fare errori di segno; di conseguenza il procedimento è quasi giusto fino al risultato finale in cui sommi invece di sottrarre.
Quando calcoli Ej occhio che la inverti di segno pur facendo i calcoli giusto nel passaggio successivo: se lo metti così nello schema vale 90V, non -90V.
Il ragionamento è quasi giusto ma procedi con calma e indica sempre il verso della corrente, facendo magari qualche passaggio in più finché non acquisisci sufficiente padronanza
0
voti
Grazie per la risposta, si ovviamente intendo un Voltmetro ed E2 è in chiaramente in volt, la corrente la prendo in senso orario. Grazie per la precisazione sulla tensione di -90 V. Mentre per quanto riguarda Eeq con la corrente in senso orario è giusto come l'ho inserito?
-

filippoc23
15 2 - Messaggi: 27
- Iscritto il: 6 nov 2019, 13:43
2
voti
Eeq è giusto, la corrente finale dovrebbe essere di 1,6A in senso antiorario.
Credo che sbagli solo nell'ultimo passaggio allora: ti dovrebbe venire

C'è quel meno della corrente che ti frega.
P.S. non citare tutto il messaggio, basta che fai rispondi!
Credo che sbagli solo nell'ultimo passaggio allora: ti dovrebbe venire

C'è quel meno della corrente che ti frega.
P.S. non citare tutto il messaggio, basta che fai rispondi!
1
voti
Grazie mille, credo sia più chiaro. Buona serata!
-

filippoc23
15 2 - Messaggi: 27
- Iscritto il: 6 nov 2019, 13:43
6 messaggi
• Pagina 1 di 1
Torna a Elettrotecnica generale
Chi c’è in linea
Visitano il forum: Nessuno e 126 ospiti

Elettrotecnica e non solo (admin)
Un gatto tra gli elettroni (IsidoroKZ)
Esperienza e simulazioni (g.schgor)
Moleskine di un idraulico (RenzoDF)
Il Blog di ElectroYou (webmaster)
Idee microcontrollate (TardoFreak)
PICcoli grandi PICMicro (Paolino)
Il blog elettrico di carloc (carloc)
DirtEYblooog (dirtydeeds)
Di tutto... un po' (jordan20)
AK47 (lillo)
Esperienze elettroniche (marco438)
Telecomunicazioni musicali (clavicordo)
Automazione ed Elettronica (gustavo)
Direttive per la sicurezza (ErnestoCappelletti)
EYnfo dall'Alaska (mir)
Apriamo il quadro! (attilio)
H7-25 (asdf)
Passione Elettrica (massimob)
Elettroni a spasso (guidob)
Bloguerra (guerra)


