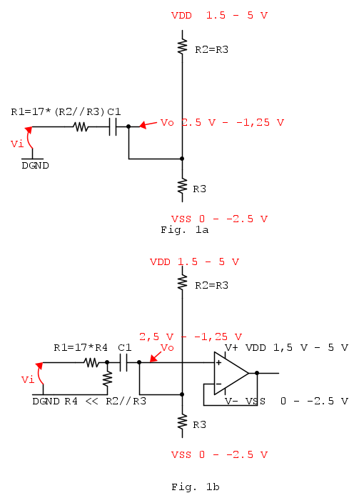
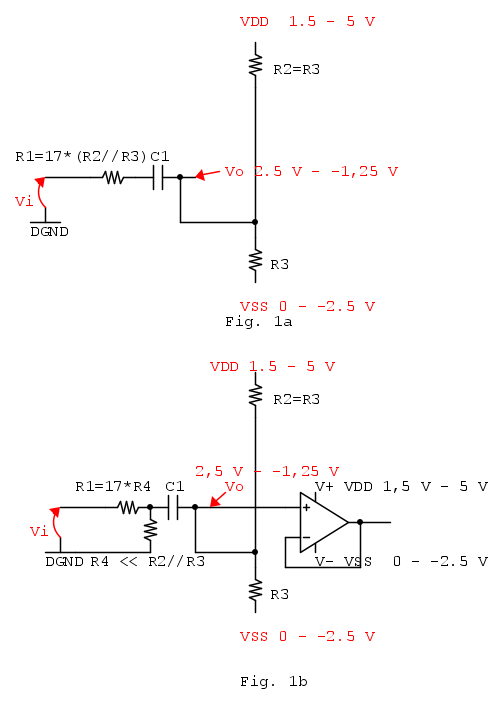
consideriamo il seguente schema
dove si ha un generico blocco con un segnale di ingresso Vi ed una uscita Vo.
Le tensioni di alimentazione sono variabili:
-
variabile tra 1.5V e 5V-
variabile tra 0V e -2.5VIl segnale di ingresso
e' un'onda quadra da 0 a 1.8V.Scopo:
ottenere in uscita un'onda quadra di ampiezza 100mV centrata attorno a
.Con alimentazione fissa non ho grandi problemi a farlo (schemino semplice basato su LDO + singolo transistor). Ma il fatto di avere alimentazioni variabili (e poter passare da configurazioni unipolari come 0-3V a configurazioni duali come -2.5V / +2.5V) mi sta incasinando.
Vorrei avere qualcosa con minor possibile occupazione di area e consumo energetico, ma per cominciare mi basta un'idea che almeno funzioni
Avete una topologia da consigliarmi?
Ciao

Elettrotecnica e non solo (admin)
Un gatto tra gli elettroni (IsidoroKZ)
Esperienza e simulazioni (g.schgor)
Moleskine di un idraulico (RenzoDF)
Il Blog di ElectroYou (webmaster)
Idee microcontrollate (TardoFreak)
PICcoli grandi PICMicro (Paolino)
Il blog elettrico di carloc (carloc)
DirtEYblooog (dirtydeeds)
Di tutto... un po' (jordan20)
AK47 (lillo)
Esperienze elettroniche (marco438)
Telecomunicazioni musicali (clavicordo)
Automazione ed Elettronica (gustavo)
Direttive per la sicurezza (ErnestoCappelletti)
EYnfo dall'Alaska (mir)
Apriamo il quadro! (attilio)
H7-25 (asdf)
Passione Elettrica (massimob)
Elettroni a spasso (guidob)
Bloguerra (guerra)










