Funzione di trasferimento circuito a polo singolo
Moderatori:
carloc,
g.schgor,
BrunoValente,
IsidoroKZ
13 messaggi
• Pagina 1 di 2 • 1, 2
1
voti
Ciao,
Potete darmi qualche dritta su come ragionare per ottenere la corretta funzione di trasferimento del circuito sotto riportato?
Il problema principale è che non capisco bene il circuito, devo considerare corrente passante nell’ingresso dell’amplificatore?
Stavo pensando di procedere calcolando la tensione sul nodo di ingresso dell’amplificatore, ma non so bene come relazionare la resistenza con il condensatore, sono in serie (Probabilmente no)? Circola la stessa corrente? Di solito negli opamp non circola corrente in ingresso idealmente, però mi fa strano si debba ragionare in questo modo essendo la prima volta che il libro mi presenta un opamp.
Potete darmi qualche dritta su come ragionare per ottenere la corretta funzione di trasferimento del circuito sotto riportato?
Il problema principale è che non capisco bene il circuito, devo considerare corrente passante nell’ingresso dell’amplificatore?
Stavo pensando di procedere calcolando la tensione sul nodo di ingresso dell’amplificatore, ma non so bene come relazionare la resistenza con il condensatore, sono in serie (Probabilmente no)? Circola la stessa corrente? Di solito negli opamp non circola corrente in ingresso idealmente, però mi fa strano si debba ragionare in questo modo essendo la prima volta che il libro mi presenta un opamp.
7
voti
Ciao,
invece sei sulla strada giusta. Dato che l'esercizio non dà alcuna informazione, l'amplificatore lo devi considerare ideale, con guadagno
. Questo significa che l'impedenza d'ingresso dell'amplificatore è infinita e quella di uscita è trascurabile.
Ora, se prendiamo lo schema FidoCADJ (si, bisognerebbe usarlo perché è comodo e fa dei schemi proprio belli
),
sapresti calcolare
?
invece sei sulla strada giusta. Dato che l'esercizio non dà alcuna informazione, l'amplificatore lo devi considerare ideale, con guadagno
. Questo significa che l'impedenza d'ingresso dell'amplificatore è infinita e quella di uscita è trascurabile. Ora, se prendiamo lo schema FidoCADJ (si, bisognerebbe usarlo perché è comodo e fa dei schemi proprio belli
sapresti calcolare
?-

EnChamade
6.498 2 8 12 - G.Master EY

- Messaggi: 588
- Iscritto il: 18 giu 2009, 12:00
- Località: Padova - Feltre
4
voti
Messo così questo ha l'aria di essere un esercizio su Miller...
In ogni caso per esercizi di questo tipo puoi considerare il blocco come un amplificatore di tensione ideale:
Cioè un blocco con resistenza di ingresso infinita (come supponevi tu, non assorbe corrente), resistenza di uscita nulla e guadagno in tensione pari a
.
Per calcolare la fdt, dovrai porre che la corrente nella resistenza sia uguale a quella nel condensatore: l'incognita
la puoi facilmente sostituire con una dipendenza da
.
EDIT: scusa
EnChamade, avevo appena finito lo schema... 
In ogni caso per esercizi di questo tipo puoi considerare il blocco come un amplificatore di tensione ideale:
Cioè un blocco con resistenza di ingresso infinita (come supponevi tu, non assorbe corrente), resistenza di uscita nulla e guadagno in tensione pari a
.Per calcolare la fdt, dovrai porre che la corrente nella resistenza sia uguale a quella nel condensatore: l'incognita
la puoi facilmente sostituire con una dipendenza da
.EDIT: scusa
2
voti
intanto chiedo scusa per la pessima qualità della immagine, la prossima volta userò fidocad come suggerito.
Allora, ho fatto qualche calcolo e forse sono giunto alla soluzione;
Ho calcolato la corrente che scorre sulla resistenza e sulla capacità
; da cui ho poi ricavato Vx considerando
e 

da cui tramite passaggi

Dunque, essendo


Adesso, il risultato viene, però non so se il mio procedimento sia corretto perché i passaggi che ho fatto sono un pó contorti
Ultima modifica di
EnChamade il 2 feb 2021, 10:46, modificato 3 volte in totale.
Motivazione: Sostituito il simbolo di convoluzione con quello della moltiplicazione
Motivazione: Sostituito il simbolo di convoluzione con quello della moltiplicazione
4
voti
Si, così probabilmente fai dei passaggi in più ma il procedimento e il risultato sono corretti!
Con Miller (se l'hai studiato) il procedimento è molto più semplice: in parole molto povere, l'effetto Miller ti dice che, se hai una impedenza
(in questo caso una capacità) a cavallo di un amplificatore di tensione ideale con guadagno
, l'impedenza di ingresso equivalente diventa
moltiplicata per un fattore
, mentre quella di uscita è
per un fattore
.
Visto che in questo caso abbiamo un condensatore con impedenza
, alla fine è come se tu avessi in ingresso un condensatore
volte più grande, mentre in uscita è scalato di un fattore
(che, se
è sufficientemente elevato, è circa 1):
In questo modo, se l'impedenza di ingresso dell'amplificatore è infinita e quella di uscita nulla, significa rispettivamente che il polo è dato semplicemente dalla C in ingresso (che forma un passa-basso con la R) e che la C in uscita non entra in gioco.
Quindi in continua, sostituendo le C con un aperto, il guadagno diretto sarà semplicemente
(dato che non scorre corrente), mentre il polo sarà dato dalla costante di tempo RC in ingresso, ossia
.
Che riassemblato fornisce:

Con Miller (se l'hai studiato) il procedimento è molto più semplice: in parole molto povere, l'effetto Miller ti dice che, se hai una impedenza
(in questo caso una capacità) a cavallo di un amplificatore di tensione ideale con guadagno
, l'impedenza di ingresso equivalente diventa
moltiplicata per un fattore
, mentre quella di uscita è
per un fattore
. Visto che in questo caso abbiamo un condensatore con impedenza
, alla fine è come se tu avessi in ingresso un condensatore
volte più grande, mentre in uscita è scalato di un fattore
(che, se
è sufficientemente elevato, è circa 1):In questo modo, se l'impedenza di ingresso dell'amplificatore è infinita e quella di uscita nulla, significa rispettivamente che il polo è dato semplicemente dalla C in ingresso (che forma un passa-basso con la R) e che la C in uscita non entra in gioco.
Quindi in continua, sostituendo le C con un aperto, il guadagno diretto sarà semplicemente
(dato che non scorre corrente), mentre il polo sarà dato dalla costante di tempo RC in ingresso, ossia
.Che riassemblato fornisce:

6
voti
Andrea96 ha scritto:Se avete altre soluzioni più intuitive della mia sarei felice di vederle. Grazie dell'aiuto
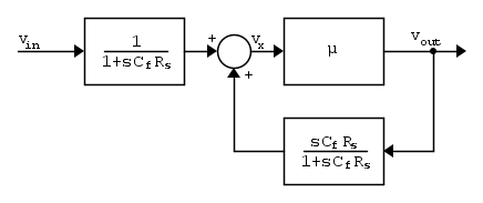
Di soluzioni ce ne sono molte. Dopo l'applicazione del teorema di Miller, qualcosa di particolarmente didattico ed accademico, che sfrutta l'algebra a blocchi, è la seguente.
Partendo dal circuito di
puoi scrivere subito che (partitore di tensione con sovrapposizione degli effetti)

che puoi esprimere a blocchi così:
da cui derivi subito, con le ben note regole dell'algebra a blocchi, che

-

EnChamade
6.498 2 8 12 - G.Master EY

- Messaggi: 588
- Iscritto il: 18 giu 2009, 12:00
- Località: Padova - Feltre
8
voti
Se vuoi essere rapido, per i seguaci di Horus (reincarnato
RenzoDF
), dal circuito di prima
con la sacra saggezza di Anubi, possiamo imporre fittiziamente
, da cui traiamo direttamente il sacro rapporto:


con la sacra saggezza di Anubi, possiamo imporre fittiziamente
, da cui traiamo direttamente il sacro rapporto:

-

EnChamade
6.498 2 8 12 - G.Master EY

- Messaggi: 588
- Iscritto il: 18 giu 2009, 12:00
- Località: Padova - Feltre
4
voti
EnChamade ha scritto:Se vuoi essere rapido, per i seguaci di Horus ...
con la sacra saggezza di Anubi, possiamo imporre fittiziamente, da cui traiamo direttamente il sacro rapporto: ...
![]()
![]()
![]()
"Il circuito ha sempre ragione" (Luigi Malesani)
2
voti
Mi permetto di proporre un ulteriore metodo, unicamente basato sull'osservazione del circuito, per ricavare la relazione voluta.
Partendo dal circuito:
Possiamo dire subito che
, per cui data la relazione ricavata da
EnChamade per sovrapposizione:
Possiamo scrivere:

Che con della banale algebra ci riporta al risultato voluto:

Questo metodo è ovviamente equivalente a quello dell'algebra dei blocchi, ma ho voluto comunque proporlo perché magari chi si approccia per la prima volta all'analisi dei circuiti non si trova a suo agio con l'algebra dei blocchi o con il teorema di Miller e preferisce ragionare solo sul circuito "così com'è"
Partendo dal circuito:
Possiamo dire subito che
, per cui data la relazione ricavata da EnChamade ha scritto:
Possiamo scrivere:

Che con della banale algebra ci riporta al risultato voluto:

Questo metodo è ovviamente equivalente a quello dell'algebra dei blocchi, ma ho voluto comunque proporlo perché magari chi si approccia per la prima volta all'analisi dei circuiti non si trova a suo agio con l'algebra dei blocchi o con il teorema di Miller e preferisce ragionare solo sul circuito "così com'è"
-

rugweri
5.948 2 8 13 - CRU - Account cancellato su Richiesta utente
- Messaggi: 1366
- Iscritto il: 25 nov 2016, 18:46
13 messaggi
• Pagina 1 di 2 • 1, 2
Chi c’è in linea
Visitano il forum: Nessuno e 86 ospiti

Elettrotecnica e non solo (admin)
Un gatto tra gli elettroni (IsidoroKZ)
Esperienza e simulazioni (g.schgor)
Moleskine di un idraulico (RenzoDF)
Il Blog di ElectroYou (webmaster)
Idee microcontrollate (TardoFreak)
PICcoli grandi PICMicro (Paolino)
Il blog elettrico di carloc (carloc)
DirtEYblooog (dirtydeeds)
Di tutto... un po' (jordan20)
AK47 (lillo)
Esperienze elettroniche (marco438)
Telecomunicazioni musicali (clavicordo)
Automazione ed Elettronica (gustavo)
Direttive per la sicurezza (ErnestoCappelletti)
EYnfo dall'Alaska (mir)
Apriamo il quadro! (attilio)
H7-25 (asdf)
Passione Elettrica (massimob)
Elettroni a spasso (guidob)
Bloguerra (guerra)










