Ciao bluesky6812
ho scorso il manuale che ho per vedere se trovavo qualcosa per il tuo caso.
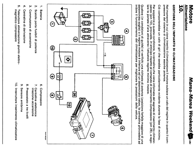
Dallo schema elettrico si nota che c'è un telerettore per dare l'alimentazione alla puleggia del compressore.
La bobina di questo teleruttore è comandata direttamente dalla centralina, perché in casi particolari, durante il funzionamento, sembrerebbe che sia necessario avere la possibilità di disattivare il compressore (oppure agire preventivamente in automatico sull'accelleratore), per sostenere il calo di funzionamento del motore che si potrebbe avere con il brusco assorbimento di potenza del compressore.
Ti consiglio di seguire l'impianto elettrico a partire dal compressore e vedere su quale relè (teleruttore) va a finire il collegamento elettrico.
Potrebbe essere che detto relè sia bruciato.
Una volta ritrovato il relè (facendo molta attenzione a non fare cortocircuiti sbagliati perché potresti rovinare qualcosa), dando una massa al filo che viene dalla centralina dovresti vedere che il condizionatore si accende.
In questo modo avresti bypassato tutto quello che giunge come comando dall'interruttore (centralina compresa).
Ma ti ripeto mi raccomando a non fare cortocircuiti sbagliati. Devi agire solo quando sei sicuro di fare quello che ti ho suggerito !!!!!
Non so se riuscirò ad inviarti la pagina che schematizza l'impianto di condizionamento, comunque ci provo.
Saluti.
gfagioli
Riscaldamento abitacolo FIAT Marea HLX non funzionante
Moderatore:
Franco012
12 messaggi
• Pagina 2 di 2 • 1, 2
0
voti
- Allegati
-
- Foglio dell'impianto di climatizzazione Marea.jpg (178.3 KiB) Osservato 2231 volte
0
voti
scusatemi ho un problema anche io con il riscaldamento della mia Fiat Marea
HLX Td100 del 97, in pratica da un po di tempo quando azziono la manopola l'aria calda, dopo qualche minuto mi si mette a lampeggiare nel cruscotto (display dove ci sono segnati i chilometri) una scritta con (control error) e smette di produrre aria calda, delle volte mi fermo spengo il motore aspetto qualche secondo riaccendo il motore e riparte ma si riferma dopo un po, alcune volte invece niente anche se spegno il motore non succede niente, oppure capita che ho la manopola su aria fredda e comincia auscire calore e dopo un po quando piu' gli piace lampeggia la solita scritta e smette, qualcuno mi sa dire come posso risolvere questo problema?? cosa posso fare? grazie
HLX Td100 del 97, in pratica da un po di tempo quando azziono la manopola l'aria calda, dopo qualche minuto mi si mette a lampeggiare nel cruscotto (display dove ci sono segnati i chilometri) una scritta con (control error) e smette di produrre aria calda, delle volte mi fermo spengo il motore aspetto qualche secondo riaccendo il motore e riparte ma si riferma dopo un po, alcune volte invece niente anche se spegno il motore non succede niente, oppure capita che ho la manopola su aria fredda e comincia auscire calore e dopo un po quando piu' gli piace lampeggia la solita scritta e smette, qualcuno mi sa dire come posso risolvere questo problema?? cosa posso fare? grazie
-

bluventitre
0 1 - Messaggi: 1
- Iscritto il: 30 ott 2012, 0:04
12 messaggi
• Pagina 2 di 2 • 1, 2
Torna a Autovetture, motori endotermici ed elettronica relativa
Chi c’è in linea
Visitano il forum: Nessuno e 12 ospiti

Elettrotecnica e non solo (admin)
Un gatto tra gli elettroni (IsidoroKZ)
Esperienza e simulazioni (g.schgor)
Moleskine di un idraulico (RenzoDF)
Il Blog di ElectroYou (webmaster)
Idee microcontrollate (TardoFreak)
PICcoli grandi PICMicro (Paolino)
Il blog elettrico di carloc (carloc)
DirtEYblooog (dirtydeeds)
Di tutto... un po' (jordan20)
AK47 (lillo)
Esperienze elettroniche (marco438)
Telecomunicazioni musicali (clavicordo)
Automazione ed Elettronica (gustavo)
Direttive per la sicurezza (ErnestoCappelletti)
EYnfo dall'Alaska (mir)
Apriamo il quadro! (attilio)
H7-25 (asdf)
Passione Elettrica (massimob)
Elettroni a spasso (guidob)
Bloguerra (guerra)