Si certamente, per avere un guadagno fisso con impedenza di ingresso alta certamente converrebbe un operazionale, ma "il divertimento" era vedere schemi e cose non trattata prima.
Quindi non voglio risolvere un problema pratico (cosa che un opamp farebbe con 3 componenti) ma solo esplorare ed imparare
feedback preamplificatore singolo BJT
Moderatori:
carloc,
g.schgor,
BrunoValente,
IsidoroKZ
20 messaggi
• Pagina 2 di 2 • 1, 2
1
voti
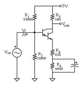
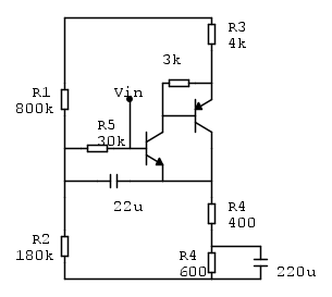
Io avrei concepito questo. Non ho dedicato molto tempo, ma potrebbe essere una base di partenza. Chiaramente ha alcuni difettucci, ma giusto per iniziare a ragionare potrebbe andare bene.
La resistenza d'ingresso è sui
con il beta minimo e il guadagno dalle parti di
in centro banda. Dopo il dimensionamento manuale, ho leggermente ritoccato i valori con l'aiuto di SPICE. L'utilizzo del Darlington serve per alzare la resistenza d'ingresso.
Ti lascio un po' ad analizzarlo in attesa di eventuali altri commenti.
La resistenza d'ingresso è sui
con il beta minimo e il guadagno dalle parti di
in centro banda. Dopo il dimensionamento manuale, ho leggermente ritoccato i valori con l'aiuto di SPICE. L'utilizzo del Darlington serve per alzare la resistenza d'ingresso.Ti lascio un po' ad analizzarlo in attesa di eventuali altri commenti.
-

EnChamade
6.498 2 8 12 - G.Master EY

- Messaggi: 588
- Iscritto il: 18 giu 2009, 12:00
- Località: Padova - Feltre
1
voti
Visto che l'emettitore non è a ground, bootstrap per alzare l'impedenza di ingresso. Proverei anche con uno sziklai per ridurre a VBE del Darlington.
Per usare proficuamente un simulatore, bisogna sapere molta più elettronica di lui
Plug it in - it works better!
Il 555 sta all'elettronica come Arduino all'informatica! (entrambi loro malgrado)
Se volete risposte rispondete a tutte le mie domande
Plug it in - it works better!
Il 555 sta all'elettronica come Arduino all'informatica! (entrambi loro malgrado)
Se volete risposte rispondete a tutte le mie domande
0
voti
Non sono scomparso, ho solo avuto parecchi lavoro da fare. Ho tirato giù questa versione, simulata sembra funzionare correttaente, avete qualche correzione da apportare?
0
voti
Forse si possono abbassare un po' R1 e R2, che per il segnale sono in parallelo alla resistenza di emettitore da 400Ω e aumentare R5 che e` quella che determina l'impedenza di ingresso elevata grazie alla retroazione positiva.
Per usare proficuamente un simulatore, bisogna sapere molta più elettronica di lui
Plug it in - it works better!
Il 555 sta all'elettronica come Arduino all'informatica! (entrambi loro malgrado)
Se volete risposte rispondete a tutte le mie domande
Plug it in - it works better!
Il 555 sta all'elettronica come Arduino all'informatica! (entrambi loro malgrado)
Se volete risposte rispondete a tutte le mie domande
1
voti
Finito questo, se vuoi cimentarti in altri circuiti, potresti fare un operazionale a discreti con 5 transistori.
Per usare proficuamente un simulatore, bisogna sapere molta più elettronica di lui
Plug it in - it works better!
Il 555 sta all'elettronica come Arduino all'informatica! (entrambi loro malgrado)
Se volete risposte rispondete a tutte le mie domande
Plug it in - it works better!
Il 555 sta all'elettronica come Arduino all'informatica! (entrambi loro malgrado)
Se volete risposte rispondete a tutte le mie domande
0
voti
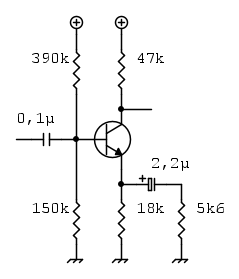
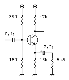
Da praticone, quale sono, che non è mai andato d'accordo con le formue matematiche, mi sono divertito a progettarlo con un solo transistor:
Posto a occhio la corrente di collettore a 0,1mA , la resistenza di collettore sarà
Rc = 4,5V / 0,1A = 47 kohm
Posta la Ve = 2V ,
Re = 2V/0,1 = 20 kohm
scelgo il valore minore: 18 kohm , la Ve sarà leggermente più bassa di 2V
Da dato di progetto, il guadagno deve essere 10, quindi la Re dinamica deve essere 47K / 10 = 4,7 kohm
Re2 = (18 x 4,7)/(18 - 4,7) = 6,3 kohm
siccome il reale guadagno ad anello aperto non è infinito, scelgo il valore minore: 5,6 kohm
L'impedenza d'ingresso deve essere 100 kohm, da dato di progetto
Stimando che la Rb1 verrà intorno ai 300÷500kOhm e che [hIE+(Re1//Re2)] sarà dello stesso ordine di grandezza, pongo la Rb2 = 150 kohm
Abbiamo detto che la Ve è un po' meno di 2V, perciò la Vb sarà intorno ai 2,2÷2,5V . Applico il partitore di tensione e calcolo la Rb1: 390 kohm
Verificando con LTSpice torna tutto: il guadagno in tensione è proprio 10 , dal punto di vista dell'impedenza d'ngresso, purtroppo, siamo un po' al limite: La corrente di base non è irrilevante rispetto alla corrente continua che scorre nelle due resistenze di base e perciò l'impedenza di ingresso varia leggermente al variare dell'hFE:
Risulta 80 kohm con un transistor econ hFE = 40 e 105 kohm con un transistore con hFE = 400
Mi sembra un compromesso accettabile, l'alternativa sarebbe quella di abbassare ulteriormente la corrente di riposo, ma di conseguenza aumenterebbe ulteriormente l'impedenza d'uscita che già è molto alta
Posto a occhio la corrente di collettore a 0,1mA , la resistenza di collettore sarà
Rc = 4,5V / 0,1A = 47 kohm
Posta la Ve = 2V ,
Re = 2V/0,1 = 20 kohm
scelgo il valore minore: 18 kohm , la Ve sarà leggermente più bassa di 2V
Da dato di progetto, il guadagno deve essere 10, quindi la Re dinamica deve essere 47K / 10 = 4,7 kohm
Re2 = (18 x 4,7)/(18 - 4,7) = 6,3 kohm
siccome il reale guadagno ad anello aperto non è infinito, scelgo il valore minore: 5,6 kohm
L'impedenza d'ingresso deve essere 100 kohm, da dato di progetto
Stimando che la Rb1 verrà intorno ai 300÷500kOhm e che [hIE+(Re1//Re2)] sarà dello stesso ordine di grandezza, pongo la Rb2 = 150 kohm
Abbiamo detto che la Ve è un po' meno di 2V, perciò la Vb sarà intorno ai 2,2÷2,5V . Applico il partitore di tensione e calcolo la Rb1: 390 kohm
Verificando con LTSpice torna tutto: il guadagno in tensione è proprio 10 , dal punto di vista dell'impedenza d'ngresso, purtroppo, siamo un po' al limite: La corrente di base non è irrilevante rispetto alla corrente continua che scorre nelle due resistenze di base e perciò l'impedenza di ingresso varia leggermente al variare dell'hFE:
Risulta 80 kohm con un transistor econ hFE = 40 e 105 kohm con un transistore con hFE = 400
Mi sembra un compromesso accettabile, l'alternativa sarebbe quella di abbassare ulteriormente la corrente di riposo, ma di conseguenza aumenterebbe ulteriormente l'impedenza d'uscita che già è molto alta
-

SediciAmpere
4.187 5 5 8 - Master

- Messaggi: 4847
- Iscritto il: 31 ott 2013, 15:00
0
voti
Finito questo, se vuoi cimentarti in altri circuiti, potresti fare un operazionale a discreti con 5 transistori.
Grazie mille, sarà fatto!
Si questo lo reputo concluso avendolo fatto a singolo BJT, con darlington, col compound con e senza bootstrap non credo di poter aggiungere altre varianti/approfondimenti a questa configurazione.
Dici che conviene passare direttamente alla configurazione ad operazionale senza tentare un amplificatore a 2/3 BJT tipo con feedback globale per vedere che succede? Se mi consigli di no io mi fido, non so benissimo in che direzione muovermi
Grazie dei consgili, vi terrò agggiornati
0
voti
Se vuoi provere un due stadi con retroazione second collector to first emitter, va bene.
Per usare proficuamente un simulatore, bisogna sapere molta più elettronica di lui
Plug it in - it works better!
Il 555 sta all'elettronica come Arduino all'informatica! (entrambi loro malgrado)
Se volete risposte rispondete a tutte le mie domande
Plug it in - it works better!
Il 555 sta all'elettronica come Arduino all'informatica! (entrambi loro malgrado)
Se volete risposte rispondete a tutte le mie domande
1
voti
IsidoroKZ ha scritto:Se vuoi provere un due stadi con retroazione second collector to first emitter, va bene.
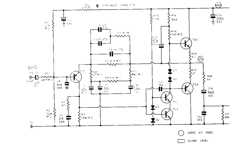
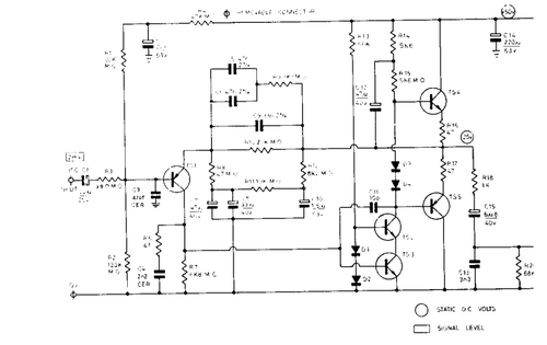
Due classicissimi dell'amplificazione audio (e non) dallo Z22 della Radford:
- un amp di linea "con retroazione second collector to first emitter"
- un op-amp (current-feedback) a discreti per equalizzatore RIAA
Dal service manual con tutti I valori dei componenti
http://www.cieri.net/Documenti/Schemi/R ... 0HD250.pdf
20 messaggi
• Pagina 2 di 2 • 1, 2
Chi c’è in linea
Visitano il forum: Nessuno e 135 ospiti

Elettrotecnica e non solo (admin)
Un gatto tra gli elettroni (IsidoroKZ)
Esperienza e simulazioni (g.schgor)
Moleskine di un idraulico (RenzoDF)
Il Blog di ElectroYou (webmaster)
Idee microcontrollate (TardoFreak)
PICcoli grandi PICMicro (Paolino)
Il blog elettrico di carloc (carloc)
DirtEYblooog (dirtydeeds)
Di tutto... un po' (jordan20)
AK47 (lillo)
Esperienze elettroniche (marco438)
Telecomunicazioni musicali (clavicordo)
Automazione ed Elettronica (gustavo)
Direttive per la sicurezza (ErnestoCappelletti)
EYnfo dall'Alaska (mir)
Apriamo il quadro! (attilio)
H7-25 (asdf)
Passione Elettrica (massimob)
Elettroni a spasso (guidob)
Bloguerra (guerra)





