Buongiorno,
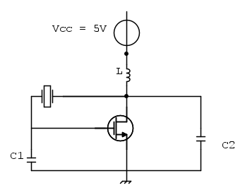
Vorrei simulare il funzionamento di un oscillatore al quarzo con un n-mosfet come da schema.
In particolare, mi chiedevo come posso stabilire una polarizzazione adeguata e come posso definire dei valori ideali per i componenti.
Nelle mie prime simulazioni con un simulatore ho provato ad utilizzare un quarzo di frequenza 1GHz, una capacità C1 = C2 = 1pF e un'induttanza L=500nH.
Grazie in anticipo.
Oscillatore al quarzo con mosfet
Moderatori:
carloc,
g.schgor,
BrunoValente,
IsidoroKZ
8 messaggi
• Pagina 1 di 1
0
voti
C'è un motivo per usare una frequenza di 1 GHz e non che so 10 MHz? Per ottenere una frequenza così alta devi usare un'armonica della frequenza di oscillazione del quarzo, con conseguenti filtri LC che, a quelle frequenze, non sono esattamente una passeggiata.
0
voti
Personalmente non ho esperienza con i quarzi quindi aspetto pareri più competenti, ma in ogni caso aumenterei quel valore di capacità: è persino più bassa della capacità parassita dei pin di un chip!
In più come dice giustamente
edgar la frequenza mi sembra alta: di solito si usa una PLL per incrementare la frequenza di clock a partire da un riferimento stabile a frequenza inferiore (sulle decine di MHz).
In più come dice giustamente
2
voti
Ciao,
la tua domanda non è che sia dettagliata e riporta dei valori che lasciano perplessi, se non opportunamente contestualizzati. Un esempio è quel 1GHz, abbastanza strano per oscillatori di questo tipo... Cosa vuoi fare di preciso? Perché 1 GHz? Che applicazione sarebbe?
Provando ad indovinare, così a naso, penso che tu stia facendo una qualche sorta di esercizio per un qualche corso di progettazione di IC analogici. Nel caso fosse così, la risposta alla tua domanda su come stabilire una polarizzazione adeguata per quel MOS è quella di utilizzare le classiche tecniche che si utilizzano nei IC analogici, come ad esempio lo specchio di corrente:
Una volta scelta la
che ti serve per il tuo MOS, puoi dimensionare lo specchio di corrente scegliendo la
, scelta che dipende a sua volta dai consumi che l'esercizio ti impone, se ci sono.
non è percorsa da corrente in DC, e quindi non entra nella determinazione del punto di lavoro.
invece è determinante alla frequenza di lavoro e va scelta del valore opportuno affinché a queste frequenze sia alta quanto basta.
la tua domanda non è che sia dettagliata e riporta dei valori che lasciano perplessi, se non opportunamente contestualizzati. Un esempio è quel 1GHz, abbastanza strano per oscillatori di questo tipo... Cosa vuoi fare di preciso? Perché 1 GHz? Che applicazione sarebbe?
Provando ad indovinare, così a naso, penso che tu stia facendo una qualche sorta di esercizio per un qualche corso di progettazione di IC analogici. Nel caso fosse così, la risposta alla tua domanda su come stabilire una polarizzazione adeguata per quel MOS è quella di utilizzare le classiche tecniche che si utilizzano nei IC analogici, come ad esempio lo specchio di corrente:
Una volta scelta la
che ti serve per il tuo MOS, puoi dimensionare lo specchio di corrente scegliendo la
, scelta che dipende a sua volta dai consumi che l'esercizio ti impone, se ci sono.
non è percorsa da corrente in DC, e quindi non entra nella determinazione del punto di lavoro.
invece è determinante alla frequenza di lavoro e va scelta del valore opportuno affinché a queste frequenze sia alta quanto basta.-

EnChamade
6.498 2 8 12 - G.Master EY

- Messaggi: 588
- Iscritto il: 18 giu 2009, 12:00
- Località: Padova - Feltre
0
voti
Buongiorno,
intanto vi ringrazio tutti per le risposte e mi scuso per il ritardo ma ho cercato di capire meglio il problema.
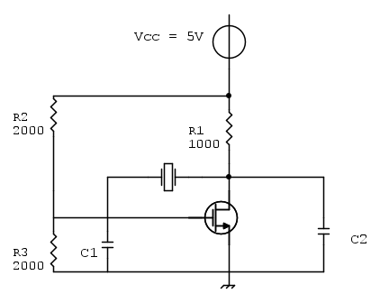
Il circuito su cui sto lavorando è il seguente e ho polarizzato il MOS che lavori in regione di saturazione e abbia una corrente Ids di 1mA.
Il mio problema sta nel capire come ricavare le condizioni sulle due capacità per ottenere in uscita un segnale oscillante ad una determinata frequenza( nell'ordine di qualche MHz come mi avete suggerito voi).
Ho impostato un conto tralasciando in un primo momento le resistenze, con il seguente schema:
Dove I è la corrente che scorre su C1 e Vab è la tensione sul quarzo.




Arrivato qui mi sono bloccato e vorrei capire come adattare il tutto al mio circuito.
Grazie in anticipo.
intanto vi ringrazio tutti per le risposte e mi scuso per il ritardo ma ho cercato di capire meglio il problema.
Il circuito su cui sto lavorando è il seguente e ho polarizzato il MOS che lavori in regione di saturazione e abbia una corrente Ids di 1mA.
Il mio problema sta nel capire come ricavare le condizioni sulle due capacità per ottenere in uscita un segnale oscillante ad una determinata frequenza( nell'ordine di qualche MHz come mi avete suggerito voi).
Ho impostato un conto tralasciando in un primo momento le resistenze, con il seguente schema:
Dove I è la corrente che scorre su C1 e Vab è la tensione sul quarzo.




Arrivato qui mi sono bloccato e vorrei capire come adattare il tutto al mio circuito.
Grazie in anticipo.
-

matteo1409
0 2 - Messaggi: 2
- Iscritto il: 3 set 2020, 10:08
0
voti
Ne capisco poco, ma, se è per una applicazione didattica, perché con incominci con
il simulare/progettare un oscillatore LC tipo Colpitts, poi passi al quarzo.
https://www.electronics-tutorials.ws/os ... pitts.html
Realizzare/modellizzare un buon oscillatore non è facile, esiste il problema dell' innesco della oscillazione e quello della limitazione/regolazione del guadagno.
Nel tuo schema i valori di 2000 sono ohm ?, mi paiono valori bassi.
Che vantaggi presenta un MOS rispetto a un BJT ? facilità di integrazione?

il simulare/progettare un oscillatore LC tipo Colpitts, poi passi al quarzo.
https://www.electronics-tutorials.ws/os ... pitts.html
Realizzare/modellizzare un buon oscillatore non è facile, esiste il problema dell' innesco della oscillazione e quello della limitazione/regolazione del guadagno.
Nel tuo schema i valori di 2000 sono ohm ?, mi paiono valori bassi.
Che vantaggi presenta un MOS rispetto a un BJT ? facilità di integrazione?

0
voti
Ciao,
mmm, non è un gran circuito e i valori sono messi a caso. Suggerirei prima di tutto di determinare cosa esattamente vuoi fare, perché onestamente non capisco dove vuoi arrivare. E' un esercizio? Un progetto per un esame? O cosa? A questo punto, suppongo quindi che si tratti di un circuito a componenti discreti. Giusto?
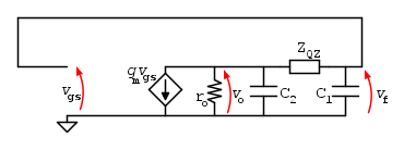
Dovresti calcolare il guadagno d'anello
del sistema e poi porre le condizione sul denominatore affinché avvenga l'oscillazione. Ad esempio, se ridisegni in modo più preciso il circuito ai piccoli segnali trascurando i carichi resistivi sul gate (cosa che non è vera, ma facciamo a finta di si
) hai questo circuito
e ti accorgi che puoi scrivere due relazioni, una sul guadagno dell'amplificatore e una sul fattore di feedback.
Per la prima relazione si vede subito per ispezione che

con

Per quanto riguarda il fattore di feedback si trova, sempre per ispezione, che

Partendo da queste due espressioni, si può calcolare il guadagno d'anello del sistema

Ora, tre domande:
1) Che condizioni si devono verificare per avere l'oscillazione da un punto di vista teorico (poi nella realtà il mondo è molto diverso)...
2) Come modelliamo il quarzo? Ossia, cosa metti al posto di
?
3) Il circuito di polarizzazione del transistor non va bene. perché?
P.S.: Per favore, presta attenzione nel disegnare gli schemi in modo preciso e corretto.
P.S.S.:
= operazione di convoluzione. Non si usa per indicare la moltiplicazione.
matteo1409 ha scritto:Il circuito su cui sto lavorando è il seguente e ho polarizzato...
matteo1409 ha scritto:Il mio problema sta nel capire come ricavare le condizioni sulle due capacità per ottenere in uscita un segnale oscillante ad una determinata frequenza( nell'ordine di qualche MHz come mi avete suggerito voi).
matteo1409 ha scritto:Arrivato qui mi sono bloccato e vorrei capire come adattare il tutto al mio circuito.
Dovresti calcolare il guadagno d'anello
del sistema e poi porre le condizione sul denominatore affinché avvenga l'oscillazione. Ad esempio, se ridisegni in modo più preciso il circuito ai piccoli segnali trascurando i carichi resistivi sul gate (cosa che non è vera, ma facciamo a finta di si e ti accorgi che puoi scrivere due relazioni, una sul guadagno dell'amplificatore e una sul fattore di feedback.
Per la prima relazione si vede subito per ispezione che

con

Per quanto riguarda il fattore di feedback si trova, sempre per ispezione, che

Partendo da queste due espressioni, si può calcolare il guadagno d'anello del sistema

Ora, tre domande:
1) Che condizioni si devono verificare per avere l'oscillazione da un punto di vista teorico (poi nella realtà il mondo è molto diverso)...
2) Come modelliamo il quarzo? Ossia, cosa metti al posto di
?3) Il circuito di polarizzazione del transistor non va bene. perché?
P.S.: Per favore, presta attenzione nel disegnare gli schemi in modo preciso e corretto.
P.S.S.:
= operazione di convoluzione. Non si usa per indicare la moltiplicazione.-

EnChamade
6.498 2 8 12 - G.Master EY

- Messaggi: 588
- Iscritto il: 18 giu 2009, 12:00
- Località: Padova - Feltre
0
voti
Se vuoi simulare quel ciruito... buona fortuna, i simulatori lavorano molto male con i quarzi perche' il loro Q e` molto elevato.
Per usare proficuamente un simulatore, bisogna sapere molta più elettronica di lui
Plug it in - it works better!
Il 555 sta all'elettronica come Arduino all'informatica! (entrambi loro malgrado)
Se volete risposte rispondete a tutte le mie domande
Plug it in - it works better!
Il 555 sta all'elettronica come Arduino all'informatica! (entrambi loro malgrado)
Se volete risposte rispondete a tutte le mie domande
8 messaggi
• Pagina 1 di 1
Chi c’è in linea
Visitano il forum: Nessuno e 177 ospiti

Elettrotecnica e non solo (admin)
Un gatto tra gli elettroni (IsidoroKZ)
Esperienza e simulazioni (g.schgor)
Moleskine di un idraulico (RenzoDF)
Il Blog di ElectroYou (webmaster)
Idee microcontrollate (TardoFreak)
PICcoli grandi PICMicro (Paolino)
Il blog elettrico di carloc (carloc)
DirtEYblooog (dirtydeeds)
Di tutto... un po' (jordan20)
AK47 (lillo)
Esperienze elettroniche (marco438)
Telecomunicazioni musicali (clavicordo)
Automazione ed Elettronica (gustavo)
Direttive per la sicurezza (ErnestoCappelletti)
EYnfo dall'Alaska (mir)
Apriamo il quadro! (attilio)
H7-25 (asdf)
Passione Elettrica (massimob)
Elettroni a spasso (guidob)
Bloguerra (guerra)









