buon giorno
vi chiedo cortesemente un aiuto su dei collegamenti.
non mi uccidete per il disegno di meglio non so' fare.
spiego cosa mi servirebbe
in alto ho un termostato con cui devo controllare la temperatura e a seconda della temperatura impostata deve spegnere o riaccendere tutto il sistema.
le celle di peltier devono essere collegate all'interruttore a levetta
in base a come viene spostata la levetta devo cambiare la polartità delle celle (esempio: levetta messa da un lato positivo/positivo negativo/negativo mentre levetta dall'altro lato positivo/negativo negativo positivo insomma invertire le polarità hahahaha)
le ventole devono funzionare ogni volta che il termostato dà il consenso a far funzionare l'impianto.
spero che possiate aiutarmi. grazie mille
aiuto per collegamenti
Moderatori:
carloc,
g.schgor,
BrunoValente,
IsidoroKZ
6 messaggi
• Pagina 1 di 1
0
voti
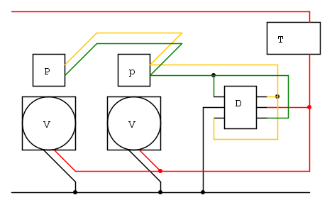
OVVIAMENTE , non sapendo le caratteristiche delle ventole e delle celle, quanto segue deve essere considerato come schema di principio.
Dò per scontato che :
- sai quello che stai per fare
- che son state gia fatte considerazioni di fattibilità
- che sono stati fatti tutti i dimensionamenti in genere.
(la prossima volta usa fidocad che fai prima e diventi matto la metà, se non sai disegnare un simbolo, fai un rettangolo e ci scrivi dentro cosa è)
A scanso di equivoci, in rosso il positivo, in nero il negativo, in giallo e verde i due fili che fanno lo scambio
Dò per scontato che :
- sai quello che stai per fare
- che son state gia fatte considerazioni di fattibilità
- che sono stati fatti tutti i dimensionamenti in genere.
(la prossima volta usa fidocad che fai prima e diventi matto la metà, se non sai disegnare un simbolo, fai un rettangolo e ci scrivi dentro cosa è)
A scanso di equivoci, in rosso il positivo, in nero il negativo, in giallo e verde i due fili che fanno lo scambio
- Codice: Seleziona tutto
[code=php]per il codice a colori[/code]
0
voti
Curiosità mia, se si inverte la polarità delle celle di Peltier che succede?
0
voti
Ciao
fastidio, non ho mai avuto a che fare con dette celle, ma da quello che dice wikipedia e se ho capito bene, invertendo la polarità di alimentazione dovrebbero invertirsi anche il lato freddo/caldo.
Attendi risposte più autorevoli. Ciao!
Attendi risposte più autorevoli. Ciao!

-

AZZZ
256 1 5 6 - CRU - Account cancellato su Richiesta utente
- Messaggi: 620
- Iscritto il: 4 mag 2018, 21:47
0
voti
Confermo, invertendo la polarità invertono il lato caldo con il freddo
- Codice: Seleziona tutto
[code=php]per il codice a colori[/code]
6 messaggi
• Pagina 1 di 1
Chi c’è in linea
Visitano il forum: Nessuno e 210 ospiti

Elettrotecnica e non solo (admin)
Un gatto tra gli elettroni (IsidoroKZ)
Esperienza e simulazioni (g.schgor)
Moleskine di un idraulico (RenzoDF)
Il Blog di ElectroYou (webmaster)
Idee microcontrollate (TardoFreak)
PICcoli grandi PICMicro (Paolino)
Il blog elettrico di carloc (carloc)
DirtEYblooog (dirtydeeds)
Di tutto... un po' (jordan20)
AK47 (lillo)
Esperienze elettroniche (marco438)
Telecomunicazioni musicali (clavicordo)
Automazione ed Elettronica (gustavo)
Direttive per la sicurezza (ErnestoCappelletti)
EYnfo dall'Alaska (mir)
Apriamo il quadro! (attilio)
H7-25 (asdf)
Passione Elettrica (massimob)
Elettroni a spasso (guidob)
Bloguerra (guerra)




