Sto costruendo un generatore di segnale con un modulo basato su AD9833, un Arduino Nano e un display LCD. Il progetto ispiratore è qui.
Dalle caratteristiche dello AD9833 si ricava il valore min/max del segnale in uscita (0,038/0,65V) che si presume siano Veff e che si presume siano quelli che escono dal modulo.
Ho la necessità di amplificare questo segnale (max 10x) il più linearmente possibile su tutta la banda che mi inreressa (0 - 10MHz) e che il modulo riesce a generare.
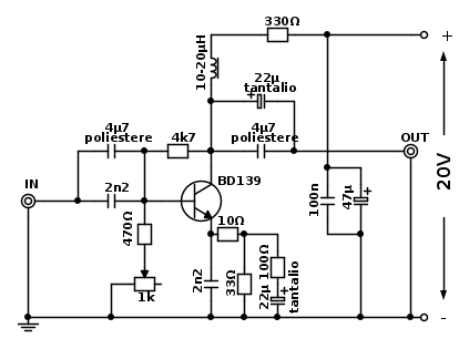
Per la banda 30Hz - 10MHz avrei trovato questo schema
tratto da qui a pag. 10.
In primo luogo vorrei sapere cosa ne pensate perché ci sono alcune cose che vorrei modificare.
1) Usare un transistor differente, anche perché penso che ce ne siano di migliori e che consumino meno.
2) Poter alimentare almeno a 9 - 12V, anche se l'ottimo sarebbe 5V, sia pure con un'escursione della tensione in uscita che però penso non potrebbe superare i 2 - 2,5Vpp.
In secondo luogo vorrei estendere la banda verso il basso, fino alla corrente continua. La mia (ridotta) preparazione in elettronica mi dice che quello schema non è adatto, ma potrei sbagliarmi.
Penso ci possano essere varie soluzioni:
1) Estendere il più possibile verso il basso la banda di quello schema, magari opportunamente modificato come suggerito sopra (altro transistor e alim. 9 - 12V), senza tuttavia poter raggiungere la cc. E già questo vorrei poterlo fare.
2) Avere uno schema di un secondo amplificatore (fino a 10x) dalla continua fino a dove può arrivare (almeno 100Hz), da usare quando opero entro quel range di frequenze. E anche questo, in assenza della seguente terza soluzione.
3) Ricevere una risposta del tipo: "Un amplificatore dalla continua a 10 MHz? E che ci vuole? Ecco lo schema!".
Con molti anticipati ringraziamenti.
Ciao a tutti,
P.
Amplificatore a larga banda per modulo con AD9833
Moderatori:
carloc,
g.schgor,
BrunoValente,
IsidoroKZ
12 messaggi
• Pagina 1 di 2 • 1, 2
2
voti
Con tutti quei condensatori in parallelo vorrei vedere le risonanze nella funzione di trasferimento! Anche il transistor non mi pare dei piu` adatti a lavorare a 10MHz.
Direi di usare un operazionale, ci sono sia i tradizionali veloci che quelli current feedback. Occhio ai parametri parassiti!
Direi di usare un operazionale, ci sono sia i tradizionali veloci che quelli current feedback. Occhio ai parametri parassiti!
Per usare proficuamente un simulatore, bisogna sapere molta più elettronica di lui
Plug it in - it works better!
Il 555 sta all'elettronica come Arduino all'informatica! (entrambi loro malgrado)
Se volete risposte rispondete a tutte le mie domande
Plug it in - it works better!
Il 555 sta all'elettronica come Arduino all'informatica! (entrambi loro malgrado)
Se volete risposte rispondete a tutte le mie domande
1
voti
Grazie delle risposte.
La realizzazione è a livello hobbystico. Non ho remore verso nessuna soluzione che sia implementabile con componenti THT reperibili sul mercato (possibilmente senza doversi vendere un rene) e una millefori. Mi basta poter amplificare quel segnale di almeno 5 volte dalla continua a 10MHz con una linearità decente.
Non ho idea di qual è lo stato attuale degli operazionali e della frequenza massima che possono raggiungere. Sono rimasto ai TL081 che raggiungevano a malapena qualche MHz.
In buona sostanza mi va benissimo una qualunque soluzione che possiate suggerirmi, purché non contenga componenti SMD o di difficile reperibilità.
Ciao,
P.
La realizzazione è a livello hobbystico. Non ho remore verso nessuna soluzione che sia implementabile con componenti THT reperibili sul mercato (possibilmente senza doversi vendere un rene) e una millefori. Mi basta poter amplificare quel segnale di almeno 5 volte dalla continua a 10MHz con una linearità decente.
Non ho idea di qual è lo stato attuale degli operazionali e della frequenza massima che possono raggiungere. Sono rimasto ai TL081 che raggiungevano a malapena qualche MHz.
In buona sostanza mi va benissimo una qualunque soluzione che possiate suggerirmi, purché non contenga componenti SMD o di difficile reperibilità.
Ciao,
P.
0
voti
La sigla BD indica un transistor di potenza quindi non ci siamo. Oggi sono comunissimi dei transistor con frequenza massima Ft dell'ordine dei gigahertz per cui non ci sarebbe bisogno di tutti quei virtuosismi per appiattire la risposta.
0
voti
Se fosse possibile avere anche qualche sigla per poterlo acquistare. Sono un po' indietro con l'aggiornamento tecnologico.
Se poi ci fosse anche l'indicazione di come polarizzarlo sarei ancora più felice.
Grazie, ciao,
P.
Se poi ci fosse anche l'indicazione di come polarizzarlo sarei ancora più felice.
Grazie, ciao,
P.
0
voti
BF763 SI-N 15V 25mA 0.36W 1.8GH
BF770 SOST.: BF770A
BF770A SI-N 15V 0.05A 5.5 GHz
Per il circuito proverei una semplice resistenza in serie al collettore e una all'emettitore, il rapporto fra le due sarebbe l'amplificazione.
Per la base il solito partitore (il risultato si controlla subito misurando la tensione sul collettore).
BF770 SOST.: BF770A
BF770A SI-N 15V 0.05A 5.5 GHz
Per il circuito proverei una semplice resistenza in serie al collettore e una all'emettitore, il rapporto fra le due sarebbe l'amplificazione.
Per la base il solito partitore (il risultato si controlla subito misurando la tensione sul collettore).
1
voti
To do una risposta lunga (in fondo trovi quella breve (forse
)).
La SRS (Stanford Research System https://www.thinksrs.com/) produce dagli anni '90 (del secolo scorso) il generatore di funzioni DS340 15 MHz. Il prodotto e' ancora in produzione per quanto ne so.
Qui trovi il data sheet https://www.thinksrs.com/downloads/pdfs ... DS340c.pdf e qui sotto lo schema dell'amplificatore di uscita (risale alla prima serie e non so se e' stato aggiornato).
Noterai che I principali transistor (2N5943, 5771 e complementari) non sono piu' disponibili (obsolete) sui principali distributori (RS, Digikey, Mouser...)
IsidoroKZ ha suggerito:
L"LM6171 (data sheet https://www.ti.com/lit/ds/symlink/lm617 ... er.it%252F) prodotto della Texas ma originale della National Semiconductors ha caratteristiche uguali o superiori a quelle dell'amp della SRS (eccetto la corrente di uscita che e' circa la meta').
E' un voltage feedback anche in package DIL 8 pin through hole, lavora tra +/- 5 V e +/- 15 V e costa pochi euro.
E' un prodotto relativamente "vecchio" ed adesso ce n'e' una miriade con caratteristiche anche migliori: usa le tabelle di selezione di RS, Digikey, Mouser...
Risposta breve: segui il consiglio
IsidoroKZ
P.S. vorrei fare una chiosa su un punto - su cui mi pacerebbe aprire un thread specifico - perche' vengono periodicamente "riesumati" schemi e progetti che risalgono alla preistoria quando nei siti dei principali costruttori si trovano (grazie internet) datasheet, note di applicazioni e articoli assolutamente in linea con la tecnologia corrente. Nel data sheet dell'LM6171 in fondo ci sono gli schemi commentati su come utilizzarli.
La SRS (Stanford Research System https://www.thinksrs.com/) produce dagli anni '90 (del secolo scorso) il generatore di funzioni DS340 15 MHz. Il prodotto e' ancora in produzione per quanto ne so.
Qui trovi il data sheet https://www.thinksrs.com/downloads/pdfs ... DS340c.pdf e qui sotto lo schema dell'amplificatore di uscita (risale alla prima serie e non so se e' stato aggiornato).
Noterai che I principali transistor (2N5943, 5771 e complementari) non sono piu' disponibili (obsolete) sui principali distributori (RS, Digikey, Mouser...)
Direi di usare un operazionale, ci sono sia i tradizionali veloci che quelli current feedback
L"LM6171 (data sheet https://www.ti.com/lit/ds/symlink/lm617 ... er.it%252F) prodotto della Texas ma originale della National Semiconductors ha caratteristiche uguali o superiori a quelle dell'amp della SRS (eccetto la corrente di uscita che e' circa la meta').
E' un voltage feedback anche in package DIL 8 pin through hole, lavora tra +/- 5 V e +/- 15 V e costa pochi euro.
E' un prodotto relativamente "vecchio" ed adesso ce n'e' una miriade con caratteristiche anche migliori: usa le tabelle di selezione di RS, Digikey, Mouser...
Risposta breve: segui il consiglio
P.S. vorrei fare una chiosa su un punto - su cui mi pacerebbe aprire un thread specifico - perche' vengono periodicamente "riesumati" schemi e progetti che risalgono alla preistoria quando nei siti dei principali costruttori si trovano (grazie internet) datasheet, note di applicazioni e articoli assolutamente in linea con la tecnologia corrente. Nel data sheet dell'LM6171 in fondo ci sono gli schemi commentati su come utilizzarli.
0
voti
Grazie a tutti per i suggerimenti.
Ho deciso di provare a cimentarmi con lo LM6171. Ne ho ordinato uno e sperimenterò uno schema come da data sheet. Voglio anche provare con il transistor BF763 consigliato da EcoTan e cercare di spostare la frequenza inferiore più in basso possibile.
Sicuramente avrò ancora bisogno dei vostri consigli. Per il momento grazie ancora.
Ciao,
P.
Ho deciso di provare a cimentarmi con lo LM6171. Ne ho ordinato uno e sperimenterò uno schema come da data sheet. Voglio anche provare con il transistor BF763 consigliato da EcoTan e cercare di spostare la frequenza inferiore più in basso possibile.
Sicuramente avrò ancora bisogno dei vostri consigli. Per il momento grazie ancora.
Ciao,
P.
12 messaggi
• Pagina 1 di 2 • 1, 2
Chi c’è in linea
Visitano il forum: Nessuno e 54 ospiti

Elettrotecnica e non solo (admin)
Un gatto tra gli elettroni (IsidoroKZ)
Esperienza e simulazioni (g.schgor)
Moleskine di un idraulico (RenzoDF)
Il Blog di ElectroYou (webmaster)
Idee microcontrollate (TardoFreak)
PICcoli grandi PICMicro (Paolino)
Il blog elettrico di carloc (carloc)
DirtEYblooog (dirtydeeds)
Di tutto... un po' (jordan20)
AK47 (lillo)
Esperienze elettroniche (marco438)
Telecomunicazioni musicali (clavicordo)
Automazione ed Elettronica (gustavo)
Direttive per la sicurezza (ErnestoCappelletti)
EYnfo dall'Alaska (mir)
Apriamo il quadro! (attilio)
H7-25 (asdf)
Passione Elettrica (massimob)
Elettroni a spasso (guidob)
Bloguerra (guerra)










