Buongiorno,
per un impianto fotovoltaico da 6 kWp, il sistema di protezione interfaccia (SPI), può essere interno all'inverter.
Non riesco a capire se questo modello va bene, e se ha questa caratteristica.
Chi può aiutarmi?
Grazie
Sistema protezione interfaccia - SPI
Moderatori:
sebago,
mario_maggi
31 messaggi
• Pagina 1 di 4 • 1, 2, 3, 4
0
voti
come materiale?
Un controllo dai piu esperti
Un controllo dai piu esperti
- Allegati
-
materiale.pdf- (15.05 KiB) Scaricato 404 volte
0
voti
IngMar ha scritto:Buongiorno,
per un impianto fotovoltaico da 6 kWp, il sistema di protezione interfaccia (SPI), può essere interno all'inverter.
Non riesco a capire se questo modello va bene, e se ha questa caratteristica.
Chi può aiutarmi?
Grazie
Buongiorno IngMar,
citando la norma CEI 0-21:2019-04 (8.6.2):
"Il sistema di protezione di interfaccia deve essere realizzato tramite:
- un dispositivo dedicato (relè di protezione) per impianti di produzione con potenza complessiva superiore a 11,08 kW;
- un dispositivo integrato nell’apparato di conversione statica oppure un dispositivo dedicato (relè di protezione) per impianti di produzione con potenza fino a 11,08 kW."
Quindi essendo un impianto da soli 6 kW, la PI può essere integrata nell'inverter.
Detto questo, sul sito del produttore, il modello da te indicato parrebbe essere adeguabile tramite un aggiornamento FW.
Vedi qui.
Per toglierti ogni dubbio ed evitare spiacevoli sorprese, ti posso consigliare di chiedere direttamente al supporto tecnico dell'azienda. Credo che sapranno risponderti sicuramente in maniera corretta.
Un saluto
FraHD
0
voti
L'inverter indicato è provvisto di sistema di protezione di interfaccia integrato.
La presentazione che hai linkato si riferisce a tutt'altro, ovvero l'aggiornamento del firmware degli inverter già venduti ma non ancora connessi relativamente all'ultima revisione della Norma CEI 0-21 (e ormai pariliamo di due anni fa....).
In questo momento gli inverter in commercio devono essere adeguati alla Norma CEI 0-21 e punto!
Il problema qua è un altro.
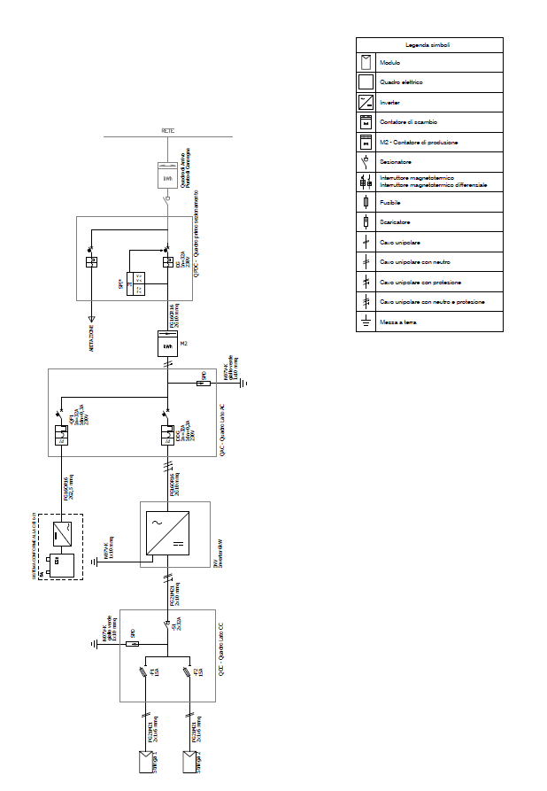
L'impianto non ha una potenza di 6 kW se facciamo riferimento allo schema postato nel primo messaggio.
Qualì'è la potenza totale ai fini della connessione dell'impianto? (domanda volutamente provocatoria).
0
voti
Buongiorno
Danielex,
chiedo subito scusa nel caso in cui abbia dato informazioni fuorivianti, ma non avendo tra le specifiche una data di attivazione, di entrata in esercizio o un qualsiasi riferimento temporale sull'oggetto in questione mi sembrava completo anche dire che lo stesso oggetto, nel caso, potrebbe essere aggiornato per rispettare le richieste normative.
Relativamente alle nuove unità sono d'accordo sul fatto che DEVONO essere conformi alla normativa di riferimento attualmente vigente.
In merito alla tua domanda provocatoria, sempre citando la Norma:
"La presenza di un sistema di accumulo (non riferibile ad un UPS) in un qualsiasi impianto comporta che il suddetto sistema di accumulo debba essere considerato, al fine della presente Norma, come generatore.
Se il sistema di accumulo utilizza un generatore rotante per la connessione alla rete allora dovrà seguire le prescrizioni previste per i generatori rotanti.
Se invece il sistema di accumulo utilizza un sistema di raddrizzamento/inversione (inverter lato rete) per la connessione alla rete allora dovrà seguire le prescrizioni previste per i generatori statici."
Ancora:
"NOTA La potenza nominale dell’impianto di generazione da considerare è tuttavia sempre pari alla somma dei generatori e/o sistemi di accumulo installati. Quindi se si prende ad esempio il caso di un sistema fotovoltaico da 20 kW e un sistema di accumulo da 20 kW, collegati sul lato in alternata dell’impianto di generazione, la potenza di riferimento da considerare è pari a 40 kW."
Detto questo è chiaro che se la somma di accumulo + inverter supera la quota di 11.8 kwp la spi non può più essere integrata, citando:
"Ai fini della possibilità di utilizzare o meno il SPI integrato in impianto, si deve fare riferimento alla
potenza di generazione complessiva dell’Utente, non alla potenza degli inverter elementari."
Dallo schema purtroppo non riesco a recuperare tutti i dati necessari (o sono cieco e non riesco a trovarli/vederli), ma di certo
IngMar, che stà seguendo il progetto, avrà a disposizione tutto il necessario per determinare la cosa.
Danielex concordi con quanto detto?
Saluti
chiedo subito scusa nel caso in cui abbia dato informazioni fuorivianti, ma non avendo tra le specifiche una data di attivazione, di entrata in esercizio o un qualsiasi riferimento temporale sull'oggetto in questione mi sembrava completo anche dire che lo stesso oggetto, nel caso, potrebbe essere aggiornato per rispettare le richieste normative.
Relativamente alle nuove unità sono d'accordo sul fatto che DEVONO essere conformi alla normativa di riferimento attualmente vigente.
In merito alla tua domanda provocatoria, sempre citando la Norma:
"La presenza di un sistema di accumulo (non riferibile ad un UPS) in un qualsiasi impianto comporta che il suddetto sistema di accumulo debba essere considerato, al fine della presente Norma, come generatore.
Se il sistema di accumulo utilizza un generatore rotante per la connessione alla rete allora dovrà seguire le prescrizioni previste per i generatori rotanti.
Se invece il sistema di accumulo utilizza un sistema di raddrizzamento/inversione (inverter lato rete) per la connessione alla rete allora dovrà seguire le prescrizioni previste per i generatori statici."
Ancora:
"NOTA La potenza nominale dell’impianto di generazione da considerare è tuttavia sempre pari alla somma dei generatori e/o sistemi di accumulo installati. Quindi se si prende ad esempio il caso di un sistema fotovoltaico da 20 kW e un sistema di accumulo da 20 kW, collegati sul lato in alternata dell’impianto di generazione, la potenza di riferimento da considerare è pari a 40 kW."
Detto questo è chiaro che se la somma di accumulo + inverter supera la quota di 11.8 kwp la spi non può più essere integrata, citando:
"Ai fini della possibilità di utilizzare o meno il SPI integrato in impianto, si deve fare riferimento alla
potenza di generazione complessiva dell’Utente, non alla potenza degli inverter elementari."
Dallo schema purtroppo non riesco a recuperare tutti i dati necessari (o sono cieco e non riesco a trovarli/vederli), ma di certo
Saluti
31 messaggi
• Pagina 1 di 4 • 1, 2, 3, 4
Torna a Energia e qualità dell'energia
Chi c’è in linea
Visitano il forum: Nessuno e 9 ospiti

Elettrotecnica e non solo (admin)
Un gatto tra gli elettroni (IsidoroKZ)
Esperienza e simulazioni (g.schgor)
Moleskine di un idraulico (RenzoDF)
Il Blog di ElectroYou (webmaster)
Idee microcontrollate (TardoFreak)
PICcoli grandi PICMicro (Paolino)
Il blog elettrico di carloc (carloc)
DirtEYblooog (dirtydeeds)
Di tutto... un po' (jordan20)
AK47 (lillo)
Esperienze elettroniche (marco438)
Telecomunicazioni musicali (clavicordo)
Automazione ed Elettronica (gustavo)
Direttive per la sicurezza (ErnestoCappelletti)
EYnfo dall'Alaska (mir)
Apriamo il quadro! (attilio)
H7-25 (asdf)
Passione Elettrica (massimob)
Elettroni a spasso (guidob)
Bloguerra (guerra)





