Partitore e corrente assorbita
Moderatori:
carloc,
g.schgor,
BrunoValente,
IsidoroKZ
0
voti
[21] Re: Partitore e corrente assorbita
Se posso permettermi, quale è lo scopo di tutti quei condensatori in parallelo 
"Non farei mai parte di un club che accettasse la mia iscrizione" (G. Marx)
0
voti
[22] Re: Partitore e corrente assorbita
Ciao, ho fatto alcuni rilievi sulla scheda.
No.
La 3V3 va a zero in circa 800 ms.
luxinterior ha scritto:IL segnale di reset è gestito da un voltage monitor ?
No.
luxinterior ha scritto:Il modulo ha vita propria (credo di no) o è connesso a qualcosa un micro ?
Hai visto cosa succede alla tensione 3.3V con n'oscilloscopio quando spegni. magari indugia per lungo tempo a un valore stupido tipo 1.1V (valore a caso) e poi riesce a spegnersi del tutto.
L'unica certezza è che dopo tempo la cosa rientra nei termini indicati dal datasheet e allora io cercherei di capire perché c'è quel periodo più o meno lungo di morte apparente non di nasconderlo
La 3V3 va a zero in circa 800 ms.
0
voti
[23] Re: Partitore e corrente assorbita
claudiocedrone ha scritto:Se posso permettermi, quale è lo scopo di tutti quei condensatori in parallelo
Non c'è un motivo preciso, l'ho fatto solamente per avere più flessibilità e avere la possibilità di avere una capacità più alta sul pin.
0
voti
[24] Re: Partitore e corrente assorbita
gill90 ha scritto:andre29 ha scritto:il segnale di reset è lasciato flottante
Questo potrebbe essere un problema. Non so se è quella la causa ma ti consiglio di metterci un pullup a VCC per togliere ogni dubbio.
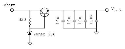
Se così non fosse, supponendo che per qualche motivodecida di assorbire più del necessario in fase di spegnimento, un circuito dei poveri che potresti usare è il seguente:
Non è elegantissima come soluzione ma potrebbe fare al caso tuo utilizzando i componenti che hai già + un transistor NPN di segnale qualsiasi.
La tensione di uscita non è regolata e dipende fortemente dalla carica della batteria, ma guardando il datasheet rispetti tutti i parametri di minimo e di massimo.
Grazie gill90 dello schema proposto. Questo potrebbe essere una buona soluzione, ma sulla scheda attualmente non ho lo spazio per il BJT. Ma sicuramente penso che così funziona. Ho provato a mettere il pull up sul reset ma non cambia nulla.
-
PietroBaima
90,7k 7 12 13 - G.Master EY

- Messaggi: 12207
- Iscritto il: 12 ago 2012, 1:20
- Località: Londra
1
voti
[25] Re: Partitore e corrente assorbita
Non capisco.
Hai spazio per mettere molti elettrolitici in parallelo, ma non per inserire un BJT
Hai spazio per mettere molti elettrolitici in parallelo, ma non per inserire un BJT
-
PietroBaima
90,7k 7 12 13 - G.Master EY

- Messaggi: 12207
- Iscritto il: 12 ago 2012, 1:20
- Località: Londra
2
voti
[27] Re: Partitore e corrente assorbita
Va beh, la modifichi al volo e quando sei arrivato alla versione funzionante la rifai bene.

Elettrotecnica e non solo (admin)
Un gatto tra gli elettroni (IsidoroKZ)
Esperienza e simulazioni (g.schgor)
Moleskine di un idraulico (RenzoDF)
Il Blog di ElectroYou (webmaster)
Idee microcontrollate (TardoFreak)
PICcoli grandi PICMicro (Paolino)
Il blog elettrico di carloc (carloc)
DirtEYblooog (dirtydeeds)
Di tutto... un po' (jordan20)
AK47 (lillo)
Esperienze elettroniche (marco438)
Telecomunicazioni musicali (clavicordo)
Automazione ed Elettronica (gustavo)
Direttive per la sicurezza (ErnestoCappelletti)
EYnfo dall'Alaska (mir)
Apriamo il quadro! (attilio)
H7-25 (asdf)
Passione Elettrica (massimob)
Elettroni a spasso (guidob)
Bloguerra (guerra)



decida di assorbire più del necessario in fase di spegnimento, un circuito dei poveri che potresti usare è il seguente:

pigreco]=π