Cos'è ElectroYou | Login Iscriviti

ElectroYou - la comunità dei professionisti del mondo elettrico

Circuito di attenuazione a diodi

Elettronica lineare e digitale: didattica ed applicazioni

Moderatori: Foto Utentecarloc, Foto Utenteg.schgor, Foto UtenteBrunoValente, Foto UtenteIsidoroKZ

0
voti

[1] Circuito di attenuazione a diodi

Messaggioda Foto UtenteAndrea96 » 14 mar 2021, 11:40

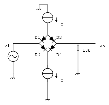
Ciao ragazzi, oggi sono alle prese con un altro circuito a diodi.
L'obiettivo è capire come deve essere la tensione in ingresso e la corrente sui diodi per avere una certa tensione in uscita.
Vi riporto la consegna nel caso dovesse servire:

In Problem 4.54 we investigated the operation of the circuit in Fig. P4.54 for small input signals. In this problem we wish to find the voltage-transfer characteristic (VTC) vo versus v, for —12 V < v, < 12 V for the case I = 1 mA and each of the diodes exhibits a voltage drop of 0.7 V at a current of 1 mA. Toward this end, use the diode exponential characteristic to construct a table that gives the values of: the current i() in the 10-kQ resistor, the current in each of the four diodes, the voltage drop across each of the four diodes, and the input voltage vz, for v0 = 0, ±1 V, ±2 V, ±5 V, ±9 V, ±9.9 V, ±9.99 V, ±10.5 V, ±11 V, and ±12 V. Use these data, with extrapolation to negative values of and v0, to sketch the required VTC. Also sketch the VTC that results if I is reduced to 0.5 mA. (Hint'. From symmetry, observe that as v0 increases and i0 correspondingly increases, iD3 and iD2 increase by equal amounts and iD4 and iDi decrease by [the same] equal amounts.)




Ho svolto l'esercizio precedente dove era necessaria fare una analisi ai piccoli segnali, però in questo caso penso non si possa più ragionare per piccoli segnali siccome l'ingresso varia fra i -12 e +12V.

Dunque per prima cosa mi sono trovato Is nei diodi tramite la formula esponenziale e sapendo che Vd=0.7 a 1mA. Poi ho analizzato il problema per ipotesi, supponendo prima Vo=0V, ho considerato tutti i diodi ON e ho visto che tale ipotesi effettivamente risulta essere corretta.

Il problema è che non riesco a calcolare la corrente su ciascun diodo.
Per esempio per Vo=1 nella coppia D1 e D3, come faccio a sapere quanta corrente scorre?

Potete aiutarmi a capire come bisogna ragionare su questa tipologia di esercizi?
Avatar utente
Foto UtenteAndrea96
150 1 6
Frequentatore
Frequentatore
 
Messaggi: 133
Iscritto il: 28 gen 2021, 8:49

1
voti

[2] Re: Circuito di attenuazione a diodi

Messaggioda Foto UtenteIsidoroKZ » 14 mar 2021, 13:48

Libro, corso, ateneo e corso di laurea?
Per usare proficuamente un simulatore, bisogna sapere molta più elettronica di lui
Plug it in - it works better!
Il 555 sta all'elettronica come Arduino all'informatica! (entrambi loro malgrado)
Se volete risposte rispondete a tutte le mie domande
Avatar utente
Foto UtenteIsidoroKZ
121,2k 1 3 8
G.Master EY
G.Master EY
 
Messaggi: 21059
Iscritto il: 17 ott 2009, 0:00

0
voti

[3] Re: Circuito di attenuazione a diodi

Messaggioda Foto UtenteAndrea96 » 14 mar 2021, 14:34

Ciao Foto UtenteIsidoroKZ, il libro è il Sedra Smith ottava edizione -microelectronic circuits-.
A dire il vero non è per un esame, solo per ripasso personale. Comunque direi ingegneria elettronica.
Avatar utente
Foto UtenteAndrea96
150 1 6
Frequentatore
Frequentatore
 
Messaggi: 133
Iscritto il: 28 gen 2021, 8:49

1
voti

[4] Re: Circuito di attenuazione a diodi

Messaggioda Foto UtenteMarcoD » 14 mar 2021, 15:10

Complice la noia per in casa per le precauzioni COVID, ho iniziato a risolvere il problema.
Al momento lo ho ridisegnato in modo per me più chiaro ed ho impostato le equazioni alla maglia.
Per il resto lascio a te definire la funzione tensione-corrente del diodo.
Penso che alla fine la soluzione sia simile a quella dell'esercizio precedente.

Se ben ricordo, il circuito è lo stesso degli oscilloscopi a campionamento degli anni 70,
vedere le lezioni di Misure Elettroniche dell'ormai defunto Prof. Gregoretti e del suo allora assistente Strumia (con folta barda, non alto, molto competente, chiaro e gentile, qualche anno fa era uno dei responsabili o il responsabile dell' ISMB, ora forse anche lui in pensione).


21/3/021. Nello schema correggere la formula in;
Vi = Vo + VD3-VD1 = Vo + F(Ip/2+Ic) - F(Ip/2-Ic)
Vi = Vo + VD3-VD1 = Vo + F(Ip+Ic)/2 - F(Ip-Ic)/2 ulteriore correzione del 22/3 :(

Questa è la caratteristica uscita-ingresso con diodi ideali, prova a integrarla con le curve di un modello più vicino alla realtà.
Avatar utente
Foto UtenteMarcoD
12,2k 5 9 13
Master EY
Master EY
 
Messaggi: 6696
Iscritto il: 9 lug 2015, 16:58
Località: Torino

1
voti

[5] Re: Circuito di attenuazione a diodi

Messaggioda Foto UtenteIsidoroKZ » 14 mar 2021, 23:21

Andrea96 ha scritto:Potete aiutarmi a capire come bisogna ragionare su questa tipologia di esercizi?


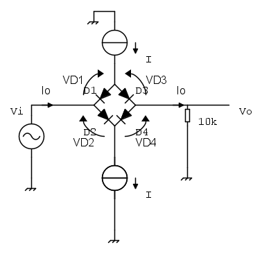
Direi di fare in questo modo. Considera la curva tratteggiata rossa della figura



Se la frequenza e` bassa, tutta la corrente che entra in quella curva deve anche uscire. Dato che le due I di polarizzazione sono uguali, si ha che la corrente di uscita e` uguale alla corrente di ingresso, e Io=Vo/RL. Nota che non sai Vo, ma non sara` tanto distante da Vi.

Se provi ad applicare Kirchhoff correnti ai quattro nodi potresti sperare di ricavare le quattro correnti nei diodi... Speranza vana perche' le quattro equazioni sono linearmente dipendenti e quindi la soluzione ha un parametro libero. Bisogna aggiungere una condizione, solitamente si assume che i quattro diodi siano identici (in realta` basta che siano uguali i diodi "opposti"). Poi si puo` procedere per via analitica oppure con un po' di handwaving, usare le simmetrie.

Andando per via analitica, bisogna considerare le tensioni sui diodi, come in figura



dove si ha che V_{D1}-V_{D3}=-V_{D2}+V_{D4}

Se si usa la solita relazione logaritmica V_D=V_T\ln\left(\frac{I_D}{I_0}\right) si ottiene dalla differenza dei logaritmi che vale questa relazione \frac{I_1}{I_3}=\frac{I_4}{I_2}. Aggiungendo questa relazione a tre delle quattro equazioni ai nodi si ottengono le correnti nei diodi e anche che I_{D1}=I_{D4} e I_{D2}=I_{D3}

A questo punto si calcola la differenza della caduta sui diodi e si ricava Vi in funzione di Vo. Mi sembra che ricavare analiticamente la tensione di uscita in funzione di quella di ingresso non sia possibile, ma si puo` fare qualche approssimazione.

Quando la corrente di uscita si avvicina alla corrente dei due generatori, due diodi si interdicono e il circuito cambia modo di funzionamento: la tensione di uscita rimane costante.
Per usare proficuamente un simulatore, bisogna sapere molta più elettronica di lui
Plug it in - it works better!
Il 555 sta all'elettronica come Arduino all'informatica! (entrambi loro malgrado)
Se volete risposte rispondete a tutte le mie domande
Avatar utente
Foto UtenteIsidoroKZ
121,2k 1 3 8
G.Master EY
G.Master EY
 
Messaggi: 21059
Iscritto il: 17 ott 2009, 0:00

1
voti

[6] Re: Circuito di attenuazione a diodi

Messaggioda Foto UtenteIsidoroKZ » 14 mar 2021, 23:39

Sono andato a prendere il testo e ho visto che nel problema precedente ipotizzava i quattri diodi uguali. Sempre leggendo il testo ho visto, come avevi riportato ma l'avevo saltato :(, che suggerisce le uguaglianze ID1=ID4 e ID2=ID3.
Il testo dice anche di calcolare Vi in funzione di V_o, perche' come avevo trovato prima con fatica, non si puo` invertire la relazione e trovare Vo=f(Vi).

La mia maestra, alle elementari, mi diceva sempre che e` importante imparare a leggere!

Se aggiungi le condizioni di uguaglianza delle correnti alle equazioni ai nodi, ne vengono fuori due equazioni in due incognite ed ottieni, ad esempio, I_{D1}=\frac{I-I_o}{2} ecc. ecc. con la condizione che la corrente nei diodi non puo` diventare negativa. Per trovare la tensione di ingresso bassa sommare le due cadute sui diodi, che calcoli con la relazione logaritmica.
Per usare proficuamente un simulatore, bisogna sapere molta più elettronica di lui
Plug it in - it works better!
Il 555 sta all'elettronica come Arduino all'informatica! (entrambi loro malgrado)
Se volete risposte rispondete a tutte le mie domande
Avatar utente
Foto UtenteIsidoroKZ
121,2k 1 3 8
G.Master EY
G.Master EY
 
Messaggi: 21059
Iscritto il: 17 ott 2009, 0:00

0
voti

[7] Re: Circuito di attenuazione a diodi

Messaggioda Foto UtenteAndrea96 » 21 mar 2021, 10:39

Ciao Foto UtenteIsidoroKZ e Foto UtenteMarcoD, grazie mille per i consigli e scusate se vi rispondo passati diversi giorni ma sono stato un po’ impegnato.
Alla fine grazie a voi penso di aver capito come ragionare e risolvere il problema.
Ho considerato il caso Vo = 0V, il più semplice, dove tutt’e le correnti sui diodi risultano I/2 e Vi=0V. Poi ho considerato il caso Vo =1V, dove, seguendo i consigli di IsidoroKZ, mi sono ricavato le 4 equazioni in 4 incognite e ho fatto delle ipotesi iniziali sullo stato dei diodi.
Scusate se ho riportato i calcoli fatti a mano, se necessario più tardi li rifaccio in latex, ditemi voi. Comunque risolvendo il sistema di equazioni si trovano tutte le correnti e di conseguenza la tensione Vi che è di solito uguale a Vo, non ho valutato il caso di Vo più alte e forse in tale situazione si avranno delle differenze.
La cosa più difficile ho notato essere le ipotesi iniziali sui diodi. Se ragiono sulle tensioni ai loro capi e li ipotizzo tutti ON si ottiene che tale ipotesi è sempre vera ?% . Per cui ho fatto una ipotesi iniziale a intuizione basandomi su quanta corrente prende il carico e poi alla fine ho verificato non ci fossero correnti negative per affermare l’ipotesi. C’è modo di capire in maniera certa se i diodi sono ON fin dall’inizio, conoscendo solo Vo e la I ? Scusate l’ignoranza
Allegati
248F0C92-4BEF-442E-A81E-9F1723764E66.png
20612AC2-5099-405A-8C07-BB6F7B133E60.png
Avatar utente
Foto UtenteAndrea96
150 1 6
Frequentatore
Frequentatore
 
Messaggi: 133
Iscritto il: 28 gen 2021, 8:49

1
voti

[8] Re: Circuito di attenuazione a diodi

Messaggioda Foto UtenteIsidoroKZ » 22 mar 2021, 3:24

Andrea96 ha scritto: Poi ho considerato il caso Vo =1V, dove, seguendo i consigli di IsidoroKZ, mi sono ricavato le 4 equazioni in 4 incognite

Non hai tenuto in conto il messaggio successivo, in cui dicevo che avevo letto il testo originale.
Bastano due correnti, ad esempio ID3 e ID4 e quindi due incognite.

Andrea96 ha scritto:la tensione Vi che è di solito uguale a Vo, non ho valutato il caso di Vo più alte e forse in tale situazione si avranno delle differenze.

Questo non puoi dirlo perche' non e` vero. La tensione di uscita e quella di ingresso non sono uguali, ma sono legate ad esempio da Vi+(VD1-VD3)=Vo e le cadute su VD1 e VD3 NON sono uguali perche' le correnti nei diodi non sono uguali. La differenza delle cadute di tensione vale VD1-VD3=VT ln(ID1/ID3).

Nel tuo conto hai trovato ID1=0.45mA e ID3=0.55mA per cui

Vi=Vo-VT ln(ID1/ID3)=1V-26mV x ln(0.45mA/0.55mA)=1V+5.2mV=1.0052V

Andrea96 ha scritto:La cosa più difficile ho notato essere le ipotesi iniziali sui diodi.


Non mi pare che sia difficile trovare le condizioni sui diodi. Quando la tensione di uscita e` nulla, tutti i diodi conducono I/2. Quando applichi una tensione e hai una corrente di uscita pari a Io, hai trovato che la corrente nei diodi vale (I-Io)/2 oppure (I+Io)/2. Finche` queste correnti sono maggiori di 0, tutti i diodi conducono. Visto che R=10kohm e I=1mA, tutti i diodi conducono finche' le due parentesi sono positive.
Per usare proficuamente un simulatore, bisogna sapere molta più elettronica di lui
Plug it in - it works better!
Il 555 sta all'elettronica come Arduino all'informatica! (entrambi loro malgrado)
Se volete risposte rispondete a tutte le mie domande
Avatar utente
Foto UtenteIsidoroKZ
121,2k 1 3 8
G.Master EY
G.Master EY
 
Messaggi: 21059
Iscritto il: 17 ott 2009, 0:00

0
voti

[9] Re: Circuito di attenuazione a diodi

Messaggioda Foto UtenteAndrea96 » 22 mar 2021, 10:00

Foto UtenteIsidoroKZ, hai ragione non avevo inteso il secondo messaggio. Per il legame ingresso uscita ho fatto una approssimazione forse troppo brusca assumendo i diodi ON tutti con stessa caduta di potenziale, però effettivamente ho trascurato la diversa corrente. Per il resto penso mi sia abbastanza chiaro adesso, grazie ancora!
Avatar utente
Foto UtenteAndrea96
150 1 6
Frequentatore
Frequentatore
 
Messaggi: 133
Iscritto il: 28 gen 2021, 8:49

1
voti

[10] Re: Circuito di attenuazione a diodi

Messaggioda Foto UtenteIsidoroKZ » 22 mar 2021, 16:27

Mi sono sempre dimenticato di segnalare che quello è un limitatore a diodi, al più un interruttore, spegnendo le due correnti I, ma non un attenuatore.
Per usare proficuamente un simulatore, bisogna sapere molta più elettronica di lui
Plug it in - it works better!
Il 555 sta all'elettronica come Arduino all'informatica! (entrambi loro malgrado)
Se volete risposte rispondete a tutte le mie domande
Avatar utente
Foto UtenteIsidoroKZ
121,2k 1 3 8
G.Master EY
G.Master EY
 
Messaggi: 21059
Iscritto il: 17 ott 2009, 0:00


Torna a Elettronica generale

Chi c’è in linea

Visitano il forum: Nessuno e 201 ospiti