Salve a tutti,
ho disponibili solo 3 pin del microprocessore e devo far aprire/chiudere 4 elettrovalvole 24Vdc sia in sequenza che insieme...
ho disponibile un https://assets.nexperia.cn/documents/data-sheet/HEF4894B.pdf che mi funziona con i led ma quando collego l'uscita con una resistenza da 1K direttamente alla base di BDX53 che deve pilotare l'elettrovalvola... non mi funziona...
Un aiuto grazie...
Pilotaggio elettrovalvole
Moderatori:
carloc,
g.schgor,
BrunoValente,
IsidoroKZ
21 messaggi
• Pagina 1 di 3 • 1, 2, 3
0
voti
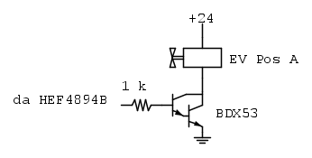
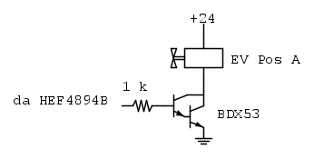
L'elettrovalvola e' nella Pos. A o nella Pos. B?
0
voti
L'uscita dello shift register è un open collector: è in grado di "tirare giu" un LED, ma non di tirare su
la base di un transistor con emettitore in comune.
La corrente max tirabile giù è 40 mA.
Quanto assorbe la bobina di una valvola?
la base di un transistor con emettitore in comune.
La corrente max tirabile giù è 40 mA.
Quanto assorbe la bobina di una valvola?
0
voti
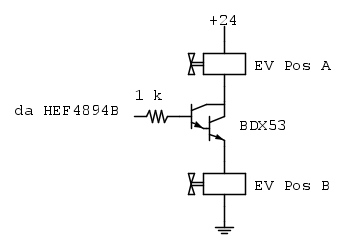
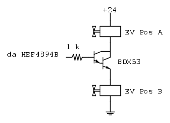
questo è il mio collegamento:
ma non è un problema di corrente perché la corrente assorbita dalla base del transistor con resistenza da 1k e bobina eccitata è circa 4mA...
ma non è un problema di corrente perché la corrente assorbita dalla base del transistor con resistenza da 1k e bobina eccitata è circa 4mA...
0
voti
Io di solito utilizzavo senza problemi il 74hc164 con i PIC.
il componente che stai utilizzando non eroga più di 0.5 mA verso il transistor.
Per di più ha diverse funzionalità inutili al tuo progetto quale il tristste.
https://www.google.it/url?sa=t&source=w ... XqYNIPv6VA
Ciao
il componente che stai utilizzando non eroga più di 0.5 mA verso il transistor.
Per di più ha diverse funzionalità inutili al tuo progetto quale il tristste.
https://www.google.it/url?sa=t&source=w ... XqYNIPv6VA
Ciao
Ultima modifica di
stefanopc il 24 mar 2021, 15:37, modificato 2 volte in totale.
600 Elettra
0
voti
ma non è un problema di corrente perché la corrente assorbita dalla base del transistor con resistenza da 1k e bobina eccitata è circa 4mA... OK.
L'uscita del 4894B è come fosse un interruttore che chiude verso massa.
L'uscita del 4894B è come fosse un interruttore che chiude verso massa.
0
voti
La corrente assorbita dalla base è nulla perché l'uscita è a collettore aperto. Potresti mettere una resistenza di pull up, ma valuta il fatto che se disabiliti le uscite, tutte le elettrovalvole sono attivate.
Per usare proficuamente un simulatore, bisogna sapere molta più elettronica di lui
Plug it in - it works better!
Il 555 sta all'elettronica come Arduino all'informatica! (entrambi loro malgrado)
Se volete risposte rispondete a tutte le mie domande
Plug it in - it works better!
Il 555 sta all'elettronica come Arduino all'informatica! (entrambi loro malgrado)
Se volete risposte rispondete a tutte le mie domande
0
voti
Per pilotare delel bobine di relè a +12V, avevo adoperato:
74HC595AN come shift register
ULN2003A come 7 driver open collector che mi pare pilotino fino a 1 A.
cerca le caraateristiche.
Forse ho anche uno schema da qualche parte.
Dovrebbe anche essere inm commercio uno shift register con open collector di potenza, ma nno ricordo la sigla.
74HC595AN come shift register
ULN2003A come 7 driver open collector che mi pare pilotino fino a 1 A.
cerca le caraateristiche.
Forse ho anche uno schema da qualche parte.
Dovrebbe anche essere inm commercio uno shift register con open collector di potenza, ma nno ricordo la sigla.
0
voti
Nel datasheet non c'è traccia di open collector.
Semplicemente non eroga corrente a 5V come tutta la serie CD 4000.
A 5v la corrente disponibile è circa un mA mentre a 15 v si hanno circa 6 mA.
https://www.google.it/url?sa=t&source=w ... OAFC4kVlJg
Il 74hc164 eroga 20mA senza problemi.
Ciao
Semplicemente non eroga corrente a 5V come tutta la serie CD 4000.
A 5v la corrente disponibile è circa un mA mentre a 15 v si hanno circa 6 mA.
https://www.google.it/url?sa=t&source=w ... OAFC4kVlJg
Il 74hc164 eroga 20mA senza problemi.
Ciao
Ultima modifica di
stefanopc il 24 mar 2021, 15:58, modificato 2 volte in totale.
600 Elettra
21 messaggi
• Pagina 1 di 3 • 1, 2, 3
Chi c’è in linea
Visitano il forum: Google [Bot] e 105 ospiti

Elettrotecnica e non solo (admin)
Un gatto tra gli elettroni (IsidoroKZ)
Esperienza e simulazioni (g.schgor)
Moleskine di un idraulico (RenzoDF)
Il Blog di ElectroYou (webmaster)
Idee microcontrollate (TardoFreak)
PICcoli grandi PICMicro (Paolino)
Il blog elettrico di carloc (carloc)
DirtEYblooog (dirtydeeds)
Di tutto... un po' (jordan20)
AK47 (lillo)
Esperienze elettroniche (marco438)
Telecomunicazioni musicali (clavicordo)
Automazione ed Elettronica (gustavo)
Direttive per la sicurezza (ErnestoCappelletti)
EYnfo dall'Alaska (mir)
Apriamo il quadro! (attilio)
H7-25 (asdf)
Passione Elettrica (massimob)
Elettroni a spasso (guidob)
Bloguerra (guerra)








